 |
|
| Seite überarbeitet Februar 2024 |
 |
Kontakt |
 |
|
 |
Programmübersicht |
 |
|
 |
Bestelltext |
 |
|
|
| Infos auf dieser Seite |
... als pdf |
 |
|
 |
 |
Anschlussparameter ............... |
 |
|
 |
Ergebnisübersicht ................... |
 |
|
 |
Rotationskapazität .................. |
 |
|
 |
Tragfähigkeiten ...................... |
 |
|
 |
allgemeine Erläuterungen ...... |
 |
|
 |
Grundkomponenten ............... |
 |
|
 |
Schnittgrößen ........................ |
 |
|
 |
Komponentenmethode ........... |
 |
|
 |
Basisverbindungen ................. |
 |
|
 |
... Import Träger / Stütze ........ |
 |
|
 |
Nachweis Schweißnähte ....... |
 |
|
 |
Stahlsorten ........................... |
 |
|
 |
... Import Trägerstoß .............. |
 |
|
 |
... Stegsteifen ........................ |
 |
|
 |
Ausdrucksteuerung ............... |
 |
|
 |
Teilschnittgrößen .................... |
 |
|
 |
Rotationssteifigkeit ................. |
 |
|
 |
nationale EC-Anhänge ............ |
 |
|
|
|
|
 |
|
 |
Register 2 enthält Angaben zu
den Anschluss- und Materialparametern |
|
|
 |
|
| Bild vergrößern |
 |
|
|
|
|
| Allgemeines |
 |
|
Das Programm 4H-EC3IM
berechnet biegesteife Trägerstöße
und Träger-Stützenanschlüsse von Doppel-T-Profilen,
die im Ringbuch Typisierte Anschlüsse im Stahlhochbau,
Ergänzungsband 2018 verzeichnet sind. |
|
| Die Eingabedaten können
u.A. in das Programm 4H-EC3BT, Biegesteifer Trägeranschluss,
(ab V. 2019) übertragen werden. |
|
 |
|
| Dazu ist der aktuelle Datenzustand über den Button Daten
exportieren in die Zwischenablage zu
kopieren. |
Diese Daten können anschließend über den Button Daten importieren aus
der Zwischenablage in das aktuell
geöffnete Bauteil des Programms 4H-EC3BT übernommen
werden. |
|
|
| Material |
 |
|
| Das Programm ist in direkter Anlehnung an die Vorgehensweise
zur Anwendung des Ringbuchs konzipiert. |
|
| Dazu sind zunächst die
Verbindungsart (Trägerstoß oder Träger-Stütze),
die Stahlfestigkeit
(S 235 oder S
355) und die Schraubenfestigkeitsklasse
(Fk 8.8 oder Fk
10.9) festzulegen. |
| Träger-Stütze-Verbindungen können nur für
Konfigurationen mit 2 Schrauben je Schraubenreihe berechnet
werden. |
| Es wird stets von HV-Schrauben
ausgegangen. |
|
 |
|
| Jedem Verbindungselement wird dasselbe Material
zugeordnet. |
|
|
| Träger / Verbindung |
 |
|
Bei der Eingabe des Trägers und der Anschlussparameter
ist analog zum Ringbuch vorzugehen, wobei das
Programm die Eingabemöglichkeiten
farblich unterstützt. |
|
Zunächst ist die Profilreihe
vorzugeben. In blau sind Profile der
IPE-Reihe, in grün
die Profile der HE-Reihe aufgelistet. |
|
| Die Nennhöhe der Profile
berücksichtigt die im Ringbuch aufgeführten Kombinationen.
In schwarz sind die Nennhöhen dargestellt, die für beide
Profilreihen gelten, in blau und grün diejenigen, die
nur für die IPE- bzw. HE-Reihe gelten. |
|
Die Schraubengrößen, die für
die Anschlusskonfigurationen
des ausgewählten Profils
nicht verfügbar sind, werden in der Liste rot marktiert und können nicht ausgewählt werden. |
| Ebenso berücksichtigt
die Symbolliste der möglichen Schraubenbilder die
bisher vorgegebenen Einstellungen. Die Anordnung, die
in der Datenbank nicht vorhanden ist, ist rot markiert
und kann nicht ausgewählt werden. |
|
 |
|
|
 |
| Eine
Schraubenanordnung mit 4 Schrauben in einer Reihe kann nur
für
Trägerstöße verwendet werden. |
|
|
|
|
|
| Alle Einträge der Ringbuchdatenbank,
die zu der gewählten Konfiguration passen, werden mit Nummer
und Parametern am
Bildschirm dargestellt. |
|
 |
|
| mit tp, bp, hp: Dicke, Breite, Höhe der Stirnplatte
und af, aw: Schweißnahtdicken am Flansch und Steg des Trägers |
|
 |
Aus der ggf. langen Liste möglicher
Anschlusskonfigurationen können die
Verbindungen bzgl. ihrer Überstände selektiert werden. |
| Es werden nur Konfigurationen angezeigt,
die der gewählten Bedingung genügen. |
|
|
|
 |
| Für
Anschlüsse mit nur einem Überstand oder mit unsymmetrischen
Schraubenbildern wurde die Option vorgesehen, den Anschluss zu
spiegeln. |
|
|
|
Aus der am Bildschirm dargestellten Verbindungsauswahl
ist eine passende Wahl zu treffen. |
|
| Das
Programm bietet die Möglichkeit, die
effiziente Verbindung (bzgl. der maximalen Ausnutzung) aus
der aktuellen
Auswahl
zu suchen, wenn Schnittgrößen eingegeben wurden (s. Reg. 1). |
|
 |
Wird der Button effiziente Verbindung suchen betätigt, werden
für
die eingegebenen Lastkombinationen die maximalen Ausnutzungen
jeder
Verbindung aus der Auswahlliste berechnet und verglichen. |
| Die Verbindung mit Umax ≤
1 wird als 'effiziente Verbindung' aktiviert. |
|
|
|
 |
Sind
keine Schnittgrößen vorgegeben, kann die Tragfähigkeit
der gewählten
Verbindung, die in Reg.
3 explizit dargestellt ist, an dieser Stelle über
den
Button Tragfähigkeit
anzeigen für die gewählte Konfiguration abgerufen
werden. |
|
|
|
|
 |
| Sind
Schnittgrößen vorgegeben, wird die maximale Ausnutzung für die
gewählte Konfiguration am Bildschirm angezeigt. |
|
|
|
| Stütze |
 |
|
Wird eine Träger-Stütze-Verbindung nachgewiesen,
können
die Parameter des Stützenprofils ohne
Einschränkungen
eingegeben werden. |
Der Querschnitt kann entweder
über den pcae-eigenen Profilmanager
in das Programm importiert oder als
parametrisiertes Stahlprofil eingegeben werden. |
|
| Um ein Profil aus dem Angebot des Profilmanagers zu
wählen, ist der grün unterlegte Pfeil zu betätigen. |
Das Programm kann Träger-Stützen-Anschlüsse
oder Träger-
stöße mit Doppel-T-Profilen berechnen,
die als I, H-, DIL-, S-
oder W-Profile pcae-intern bekannt sind. |
Das externe Programm wird aufgerufen und ein Profil
kann
aktiviert werden. Bei Verlassen des Profilmanagers werden die
benötigten Daten übernommen und der Profilname protokolliert. |
|
 |
|
|
Zur Definition eines parametrisierten
Stahlprofils sind
Profilhöhe, Stegdicke,
Flanschbreite und -dicke festzulegen. |
| Bei gewalzten Profilen wird der Ausrundungsradius
r zwischen Flansch und Steg geometrisch berücksichtigt,
während geschweißte Blechprofile mit Schweißnähten
der Dicke a zusammengefügt sind. |
| Diese Schweißnähte werden nicht nachgewiesen. |
|
 |
|
|
| Verstärkungen |
 |
|
| Stützenprofile können zur Verstärkung
des Stegs mit Stegsteifen ausgeführt
werden. |
|
| Stegsteifen (Rippen) werden beidseitig des Stegs zwischen
die Flansche eingepasst und an Flansche und Steg
der Stütze
angeschweißt. |
|
|
|  |
|
|
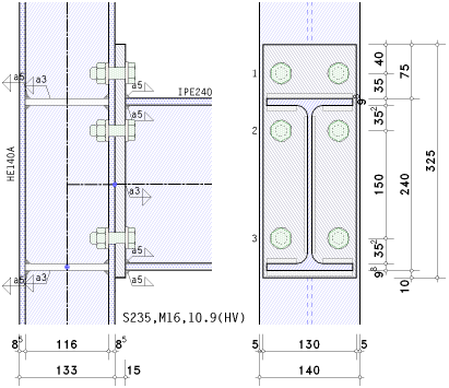
| Bildschirmgrafik |
 |
|
| Am Bildschirm werden die geometrischen Daten ausgewertet
und der Anschluss in einer maßstäblichen Grafik dargestellt.
Die protokollierten Abmessungen (s.o.) sind bezeichnet. |
|
 |
|
| Lastangriffspunkte, in denen die Schnittgrößen
wirken (s. Reg. 1), sind in
rot (Knotenlasten) und blau (Anschlusslasten) gekennzeichnet. |
|
|
|
|
 |
|
 |
im Register 3 werden die Tragfähigkeiten
des Anschlusses tabellarisch dargestellt |
|
|
 |
|
| Bild vergrößern |
 |
|
|
|
|
| Die Ausgabe erfolgt in direkter Anlehnung an das Kapitel Momententragfähige
Trägerstöße und Träger-Stützenanschlüsse mit
Stirnplatte des Ringbuchs Typisierte
Anschlüsse im Stahlhochbau
nach EC 3-1-8, Ergänzungsband 2018. |
|
Die Berechnung basiert auf der Vorgehensweise,
die im pcae-Modul 4H-EC3BT
für biegesteife Trägerstöße und
Träger-Stützenanschlüsse verwendet wird. |
| Der Rechenablauf für geschraubte Stirnblechanschlüsse
wird im Kapitel Komponentenmethode beschrieben. |
| Die Rotationssteifigkeit der
Verbindung wird ermittelt, und der Querschnittsnachweis des
Trägers wird
geführt. |
|
| Voraussetzungen |
 |
 |
| geschraubter Stirnblechanschluss |
|
|
 |
| Träger: keine Vouten, keine
Neigung, typisiertes Profil der IPE- oder HE-Reihen |
|
|
 |
| Stütze: keine Stegblechverstärkung,
kein Futterblech |
|
|
 |
| horizontale Steifen in Höhe
des oberen und unteren Trägerflanschs als
zwischenliegende Steifen, |
| Dicke der Steifen entspricht der Flanschdicke des Trägers, |
| Breite der Steifen entspricht mindestens der Flanschbreite des Trägers, |
| Schweißnahtdicken
entsprechen der Nahtdicke zwischen Trägerflansch und Kopfplatte |
|
|
 |
| Schnittgrößen:
Druckspannung im Stützensteg σcom,wc ≤ 0.7·fy,wc, Übertragungsbeiwert β = 1 |
|
|
 |
|
 |
| Querschnittsnachweis: Elastisch-Plastisch, |
Biege-
und Querkrafttragfähigkeit
mit der Komponentenmethode: Schraubengruppen nur bei
Anschlüssen mit
zwei Schrauben je Reihe, |
| MN-Interaktion nach Cerfontaine, |
| Querkrafttragfähigkeit mit vereinfachter
Berechnung, |
| Schweißnachweis: richtungsbezogenes
Verfahren, |
| Nachweis der Steifen |
|
|
 |
| Bedingung: VEd ≤ 0.5·Vpl,Rd |
|
|
|
|
| Es wird unterschieden, ob lediglich Tragfähigkeiten
ermittelt oder Nachweise für eingegebene Schnittgrößenkombinationen geführt werden. |
|
|
|
| Sind keine Schnittgrößen vorgegeben, werden
neben der plastischen Momententragfähigkeit des Trägerquerschnitts
Mc,Rd der Bemessungswert der Momententragfähigkeit
Mj1,Rd bei
positivem Moment, Mj2,Rd bei negativem Moment, die Zugtragfähigkeit
(ohne Biegung) Njt,Rd, die Drucktragfähigkeit Njc,Rd, die Querkrafttragfähigkeit
Vj,Rd und die Anfangsrotationssteifigkeit Sj,ini angezeigt. |
|
|
|
| Sind Schnittgrößen vorhanden,
werden die zur betrachteten Lastkombination zugehörigen Tragfähigkeiten
sowie - anstelle der Anfangsrotationssteifigkeit Sj,ini -
die vorhandene Rotationssteifigkeit Sj,Rd angegeben. |
| Außerdem wird die Ausnutzung U je Lastkombination
angezeigt. Fehler werden markiert. |
|
 |
Sind Schnittgrößen vorgegeben, wird die maximale Ausnutzung am
Bildschirm angezeigt. |
|
|
|
| Zur Information wird der Anschluss
in einer maßstäblichen
Grafik dargestellt (s.a. Reg. 2). |
|
|
|
|
|
 |
| |
 |
das erste Register beinhaltet die
Masken zur Eingabe der Bemessungsschnittgrößen |
|
|
 |
|
| Bild vergrößern |
 |
|
|
|
|
 |
|
 |
| |
| Das Programm 4H-EC3IM bietet
verschiedene Möglichkeiten
zur Eingabe der Schnittgrößen an |
 |
| werden die Schnittgrößen aus
einem Stabwerks-Programm übernommen, sind häufig
nur die Schnittgrößen im Knotenpunkt der
Systemachsen von Träger und Stütze (s. Grafik Knoten j)
verfügbar. |
| Hier wird die Vorzeichendefinition der Statik vorausgesetzt. |
Das Vorzeichen der
Querkraft ist in Abhängigkeit der Definition
des Schnittufers in der Tragwerksbemessung
ggf. zu invertieren (s.u.). |
|
|
 |
Schnittgrößen im Anschnitt der
Verbindung: Da der Anschluss eines Trägers an eine
Stütze bemessen
werden
soll, werden die Schnittgrößen
direkt im Anschnitt (s. Grafik Schnitt A-A)
bezogen auf die Systemachse erwartet. |
| Die Vorzeichendefinition kann entweder
derjenigen der Statik oder derjenigen des EC 3-1-8 entsprechen. |
| Entspricht die Vorzeichendefinition der
Statik, ist die Querkraft in Abhängigkeit
der Definition des Schnittufers in der Tragwerksbemessung
ggf. zu invertieren (s.o.)! |
|
|
|
| Es werden Trägerschnittgrößen
eingegeben. |
Bei einseitigem Anschluss wirken sie rechts (s. Grafik Schnitt A-A,
im EC 3-1-8 mit 1 bezeichnet) vom Anschlusspunkt. |
Zur Identifikation kann jeder Schnittgröße
eine Bezeichnung (Kurzbe-
schreibung) zugeordnet werden,
die im Ausdruck aufgeführt wird. |
Die Schnittgrößen werden in die intern verwendeten Bemessungs- größen transformiert. |
|
 |
|
|
| Vorzeichen der Querkraft |
 |
| Bei negativem Schnittufer ist das Vorzeichen der Querkraft
zu invertieren. |
Dies gilt z.B. bei einem Träger, der im Tragwerks-Programm
von links nach rechts beschrieben wurde (gestrichelte
Linie unterhalb der Systemlinie) und dessen Anschluss an die Stütze
sich rechts befindet. |
|
 |
|
|
|
|
|
 |
|
| Die Schnittgrößen sind als Bemessungsgrößen
bereits mit den Lastfaktoren für den Grenzzustand der Tragfähigkeit
beaufschlagt und können auf zwei verschiedene Arten in das Programm
eingegeben werden. |
|
 |
| Knoten-Schnittgrößen beziehen
sich auf den Knotenpunkt der
Schwerachsen. |
| Knoten-Schnittgrößen sind
häufig das Resultat einer vorangegangenen Stabwerksberechnung
und mit der Vorzeichenregel des Statik-Koordinatensystems
(positive Normalkraft = Zug, pos. Biegemoment =
Zug unten) definiert. |
|
 |
Anschnitt-Schnittgrößen sind
die senkrecht zur Anschlussebene wirkenden Bemessungsgrößen
im
EC 3-1-8-Koordinatensystem
(positive Normalkraft = Druck, positives Biegemoment
= Zug oben), die den Tragfähigkeitsnachweisen
zu Grunde liegen. |
|
|
|
| Knoten-Schnittgrößen
müssen in die Bemessungsebene transformiert werden. Zu beachten
ist, dass dabei keine äußeren Einwirkungen berücksichtigt
werden! |
|
Dabei wird mit Bemessungsebene (Anschlussebene)
die Kontaktebene zwischen Träger und Stütze (bei Stößen die Kontaktebene
zwischen den Trägern) bezeichnet. Bei Stirnplattenverbindungen
ist dies der Anschluss der
Stirnplatte
an die Stütze (bei
Stößen die Mittelebene der beiden Stirnplatten). |
|
|
| Transformation der Schnittgrößen |
 |
|
| Sind die Schnittgrößen im Knotenpunkt der
Schwerachsen gegeben (KOS Statik), werden sie zunächst
in die Anschluss-Schnittgrößen (KOS EC 3-1-8)
bezogen auf die Schwerachse des Trägers transformiert. |
|
Die Schnittgrößenkombination (Nd,Ed,
Md,Ed, Vd,Ed) lässt sich auch direkt
(Schnittgrößen
im Anschnitt der Verbindung,
s. Register
1) eingeben. |
|
| Der Abstand zur Bildung des Moments wird berechnet
zu |
|
|
| Die Teilschnittgrößen im Träger ergeben
sich zu |
|
| Die Teilschnittgrößen im Stützenstegfeld
ergeben sich zu |
|
|
| wobei bei geschraubten Verbindungen der
innere Hebelarm z dem äquivalenten Hebelarm zeq entspricht. |
| Zur Berechnung von zeq s. Rotationssteifigkeit. |
|
|
|
|
|
 |
|
 |
das vierte Register gibt einen Überblick über die ermittelten Ergebnisse |
|
|
 |
|
| Bild vergrößern |
 |
|
|
|
|
| Zur sofortigen Kontrolle werden die Ergebnisse in diesem
Register lastfallweise übersichtlich
zusammengestellt. |
| Eine Box zeigt an, ob ein Lastfall die Tragfähigkeit
des Anschlusses überschritten hat (rot ausgekreuzt) oder wie viel Reserve noch vorhanden ist (grüner Balken). |
Zur besseren Fehleranalyse oder zur Einschätzung
der Tragkomponenten werden zudem die Einzelberechnungs-
ergebnisse
protokolliert. |
| Rotationssteifigkeit und Verdrehung sind ebenfalls
dargestellt. |
|
| Eine Meldung zeigt an, wenn ein Fehler aufgetreten
oder die Tragfähigkeit überschritten ist. |
| Wenn die Ursache des Fehlers nicht sofort ersichtlich
ist, sollte die Druckliste in der ausführlichen Ergebnisdarstellung
geprüft werden. |
|
 |
| Die
maßgebende Lastkombination, die entweder
zur maximalen Ausnutzung oder zu einem Fehler führt, wird gekennzeichnet. |
| Über den dreieckigen Action-Button
kann das Druckdokument in der Standard-Darstellung direkt abgerufen
werden. |
|
|
|
 |
| Zur Info wird die maximale Ausnutzung am oberen Bildschirmrand wiederholt. |
|
|
|
|
|
 |
|
| In der nachfolgenden Grafik sind die Parameterbezeichnungen
aufgeführt, auf die im Programm 4H-EC3IM Bezug genommen wird, wenn ein
(vertikaler) Träger-Stützenanschluss berechnet werden soll. |
| Bei einem Trägerstoß gelten
die Parameterbezeichnungen ebenso (ohne bfc, e'1,
e'2). |
|
|
|
| Grundlage zur Bemessung diverser Schraubenverbindungen
ist das Modell eines äquivalenten T-Stummels. |
| Die Bezeichnungen der Abstände sind in der folgenden Skizze
beschrieben. |
|
|
|
|
|
 |
|
Das Programm 4H-EC3IM, Typisierter
IM-Anschluss, basiert auf den Grundlagen, die auch für das Programm
4H-EC3BT, Biegesteifer Trägeranschluss, gelten. |
| Die weiterführenden Erläuterungen zur Berechnung
von geschraubten Stirnblechverbindungen gelten für beide Programme gleichermaßen. |
|
|
|
|
 |
|
| Die Komponentenmethode ermöglicht die Berechnung
beliebiger Anschlüsse von Doppel-T-Profilen für Tragwerksberechnungen
(EC 3-1-8, 6.1.1). |
Die Voraussetzungen für das Verfahren sowie die
zur Anwendung kommenden Grundkomponenten sind im
Kapitel Allgemeines beschrieben. |
| Im Programm 4H-EC3IM werden
Trägerstöße und
Träger-Stützenanschlüsse berechnet. |
Nach EC3-1-8 wird die Biegetragfähigkeit des
Anschlusses aus den Tragfähigkeiten der einzelnen
Grundkomponenten
ermittelt und der einwirkenden Bemessungsgröße
gegenübergestellt. |
| Im Folgenden wird die Vorgehensweise zur Bemessung
von geschraubten Stirnblech-Verbindungen mit
der Komponentenmethode nach EC3-1-8, 6.2.7, erläutert. |
|
|
| geschraubte Stirnblechverbindung |
 |
|
Die Biege- und Normalkrafttragfähigkeit
des Anschlusses wird
auf Seite der |
 |
Stütze
mit den Grundkomponenten 1 bis
4 |
 |
des Trägers mit den Grundkomponenten
7, 8 |
 |
des Stirnblechs mit Grundkomponente
5 |
|
| ermittelt. |
|
Bei der Tragfähigkeit
der Schrauben wirken für die Abscher-Lochleibungstragfähigkeit
die Grundkomponenten
11 und 12,
für die Zugtragfähigkeit
die Grundkomponente 10. |
|
| Die Tragfähigkeit
der Schweißnähte zwischen
Träger und Stirnblech wird
über
den Linienquerschnitt mit einbezogen. |
|
|
|
 |
|
|
| Biege-
und Normalkrafttragfähigkeit
mit der Komponentenmethode |
 |
|
| Nach EC 3-1-8, 6.2.7.2, wird die
Biegetragfähigkeit
von Trägerstößen und Träger-Stützenanschlüssen
mittels
geschraubter Stirnblechverbindungen bestimmt über |
|
|
|
| Im Überstand darf sich nur eine
Schraubenreihe befinden. |
Der Druckpunkt einer Stirnplattenverbindung
sollte im Zentrum des Spannungsblocks infolge der
Druckkräfte liegen
(EC 3-1-8, 6.2.7.1(9)), vereinfachend
in der Achse der Mittelebene des Trägerdruckflanschs
(EC 3-1-8, 6.2.7.2(2)). |
Die Nummerierung der Schraubenreihen
geht von der Schraubenreihe aus, die am weitesten
vom Druckpunkt
entfernt liegt (EC 3-1-8, 6.2.7.2(1)). |
Die wirksame Tragfähigkeit einer
Schraubenreihe r sollte als Minimum der Tragfähigkeiten
einer einzelnen Schraubenreihe der Gkn 3, 4, 5,
8 bestimmt werden, wobei ggf. noch Reduktionen aus
den Gkn 1, 2, 7
vorzunehmen sind. |
Anschließend ist die Tragfähigkeit
der Schraubenreihe als Teil einer Gruppe von Schraubenreihen
der Gkn 3, 4, 5, 8
zu untersuchen; s. hierzu EC 3-1-8, 6.2.7.2(6-8). |
Bei Trägerstößen werden die Grundkomponenten, die die Stütze betreffen, außer Betracht gelassen
(EC 3-1-8, 6.2.7.2(10). |
| Um ein mögliches Schraubenversagen
auszuschließen, ist die Forderung nach EC 3-1-8,
6.2.7.2(9), einzuhalten. |
|
| Wird die wirksame Tragfähigkeit
einer zuerst berechneten Schraubenreihe
x
größer als 1.9·Ft,Rd,
ist die wirksame Tragfähigkeit aller
weiteren Schraubenreihen r zu reduzieren,
um folgender Bedingung
zu
genügen |
|
 |
|
|
Die Berechnung der Normalkrafttragfähigkeit
wird im EC 3-1-8 nicht näher beschrieben.
Eine konservative
Interaktion zwischen Biegung
und Normalkraft erfolgt nach EC 3-1-8, 6.2.7.1(3)
über die Beziehung |
|
| und kann mit den Tragfähigkeiten, die ohne Eingabe
der Schnittgrößen berechnet wurden, durchgeführt
werden. |
|
Sind jedoch Schnittgrößen
vorgegeben, wird in Anlehnung an das Ringbuch Typisierte
Anschlüsse im Stahlhochbau,
Ergänzungsband 2018 das Optimierungsverfahren nach F. Cerfontaine (in Jaspart/Weynand: Design of Joints in
Steel and Composite Structures) zur Ermittlung der Ausnutzung verwendet. |
|
| Hierbei werden die Tragfähigkeiten
der Grundkomponenten für jede Schraubenreihe
einzeln sowie für Schrauben-gruppen und der
Querkraft als Randbedingungen für das lineare
Optimierungsproblem aufgefasst. Iterativ wird
eine Lösung für
den höchsten Laststeigerungsfaktor
unter Momenten-, Normalkraft- und Querkraftbeanspruchung
ermittelt. Der Laststeigerungsfaktor entspricht
dem Kehrwert der Ausnutzung. |
|
| Das Programm 4H-EC3IM
verfolgt zwei Berechnungszweige |
 |
| sind keine
Schnittgrößen vorgegeben bzw. sollen nur Tragfähigkeiten
ermittelt werden (s. Reg. 1), wird die 'Original'-Komponentenmethode
angewandt und die Tragfähigkeiten für
reine Biegung mit Querkraft sowie reine Normalkraft
(Angriffspunkt in der Systemachse) ermittelt |
|
 |
ist hingegen die maximale Ausnutzung aus einer
Reihe von Schnittgrößen gesucht, wird
zur M-N-V-Interaktion
das wirtschaftlichere
Optimierungsverfahren verwendet |
|
|
|
Anhand des folgenden Beispiels
einer Träger-Stützenverbindung wird der
Rechengang zur Ermittlung der Anschlusstragfähigkeit
verdeutlicht. |
|
|
|
| Berechnung der Tragfähigkeit (Original-Komponentenmethode) |
 |
| Zunächst werden die minimalen
Tragfähigkeiten
aus den zugehörigen Grundkomponenten ermittelt. |
|
| Dann werden die Tragfähigkeiten je
Reihe abgemindert, damit die Gruppentragfähigkeit
eingehalten wird. |
|
| Aus der Summe dieser Werte wird
die reine Zugtragfähigkeit gebildet. Die Drucktragfähigkeit
ergibt sich aus der Tragfähigkeit der Flansche. |
|
| Anschließend erfolgen die Abminderungen
für die Druck- und Schubtragfähigkeiten. |
|
| Für die Tragkraft jeder Reihe
wird die Kontrolle durchgeführt |
|
| und das Ergebnis schlussendlich protokolliert. |
|
|
|
Jede der Grundkomponenten,
die die Tragfähigkeit einer Schraubenreihe
begrenzt hat (gekennzeichnet durch
ein >-Zeichen), wird als mögliche Versagensquelle
des Anschlusses protokolliert. |
|
|
| Die Anschlusstragfähigkeiten
ergeben sich zu |
|
| Mit ihnen kann die Ausnutzung bestimmt
werden zu |
|
 |
|
| wobei sich das einwirkende
Moment auf den Druckpunkt in der Anschlussebene
(die Kontaktebene zwischen
Stirnblech und Stütze bzw. bei Stößen
zwischen den Stirnblechen) bezieht. |
|
|
| Abscher-/Lochleibungstragfähigkeit
mit der Komponentenmethode |
 |
|
| Die Vorgehensweise wird anhand der
Beispielberechnung erläutert. |
| Zunächst werden auch hier die minimalen
Tragfähigkeiten aus den maßgebenden
Grundkomponenten
ermittelt. |
|
Nach EC 3-1-8, Tab. 3.4, reduziert sich
die Tragfähigkeit bei gleichzeitiger Wirkung von Querkraft und
Zugnormalkraft bei voller Ausnutzung der Biegetragfähigkeit.
Vereinfachend wird hier der maximale
Abminderungsfaktor verwendet. |
|
| so dass sich die endgültigen Tragfähigkeiten
je Schraubenreihe ergeben zu |
|
| Die Abscher-Lochleibungstragfähigkeit
kann damit berechnet werden |
|
| Die Ausnutzung wird berechnet mit |
|
|
| Schubtragfähigkeit |
 |
|
| Weiterhin ist die Tragfähigkeit des
Stirnblechs selbst zu untersuchen. |
| Es wird die Tragfähigkeit des
Blechs einschl. Schweißnähte für die
Anschlusslänge
(= Stegblechhöhe) ermittelt. |
|
|
| |
| Außerdem darf die Schubtragfähigkeit
des Stützenstegs
nicht überschritten werden. |
|
|
| |
| Nach EC 3-1-1, 6.2.8 reduziert sich
die Tragfähigkeit bei Beanspruchung aus Biegung
mit Querkraft, wenn die halbe plastische Schubtragfähigkeit überschritten
wird. Dieser Wert wird daher abgeprüft. |
|
|
|
|
| Die Ausnutzung wird berechnet mit |
|
|
| Berechnung
der Ausnutzung (M-N-V-Interaktion) |
 |
| Die Tragfähigkeiten
der zugehörigen Grundkomponenten bilden die
Randbedingungen für das lineare Optimierungsproblem. |
| Iterativ wird eine Lösung gefunden,
bei der sich die Zugtragfähigkeiten der einzelnen
Schraubenreihen und die Drucktragfähigkeit der
Flansche ergeben |
|
|
|
| Die Anschlusstragfähigkeiten
ergeben sich nun zu |
|
|
| und |
|
|
|
| Die mittels MNV-Interaktion ermittelte
Ausnutzung ergibt sich zu |
|
|
|
|
|
|
|
 |
| zur Hauptseite 4H-EC3IM, Typisierter IM-Anschluss |
 |
|
 |