 |
|
| Seite erweitert November 2024 |
 |
Kontakt |
 |
|
 |
Programmübersicht |
 |
|
 |
Bestelltext |
 |
|
|
|
| Aufsatz zur Theorie |
 |
|
| Handbuch |
 |
|
|
|
|
| Infos auf dieser Seite |
... als pdf |
 |
|
 |
|
| Oberfläche und Aufgaben |
 |
 |
Oberfläche ............................. |
 |
|
 |
Aufgaben/Orientierung ............ |
 |
|
|
|
|
| System und Grundeinstellungen |
 |
 |
Gebäudemodell ..................... |
 |
|
 |
Windlasten ............................ |
 |
|
 |
sonstige Horizontallasten ....... |
 |
|
|
|
 |
Steifigkeiten .......................... |
 |
|
|
| Wandscheiben und Deckenplatte |
 |
 |
Wandscheiben ...................... |
 |
|
 |
Deckenplatte ......................... |
 |
|
|
|
|
| Materialeigenschaften |
 |
 |
Holztafeln .............................. |
 |
|
 |
Mauerwerk ............................ |
 |
|
|
 |
Brettsperrholzwand ................ |
 |
|
 |
Stahlbeton ............................. |
 |
|
 |
freies Material ........................ |
 |
|
 |
Brettstapelholzwand ............... |
 |
|
 |
Stahlverband ......................... |
 |
|
 |
Stützen ................................. |
 |
|
|
|
| Belastung |
 |
 |
Laststruktur ........................... |
 |
|
 |
Lasten .................................. |
 |
|
|
|
|
| Ergebnisse |
 |
 |
Holztafeln .............................. |
 |
|
 |
Stahlverband ......................... |
 |
|
|
 |
Mauerwerk ............................ |
 |
|
 |
freies Material ........................ |
 |
|
 |
extr. Plattenverformungen ....... |
 |
|
 |
Stahlbeton ............................ |
 |
|
 |
Stützen ................................. |
 |
|
 |
Labilitätszahlen ..................... |
 |
|
|
|
| Nachweisoptionen der Holztafeln |
 |
 |
Allgemeines .......................... |
 |
|
 |
... Verbindungsmittel .............. |
 |
|
 |
Nw. Druckgurt / Rippen ........... |
 |
|
 |
Register Aufbau ..................... |
 |
|
 |
Nw. Scheibenbeanspruchung |
 |
|
 |
Nw. Verformungen ................. |
 |
|
 |
... DIN Bemessung ................ |
 |
|
 |
Nw. Schwellenpressung ......... |
 |
|
 |
Literatur ................................ |
 |
|
|
|
| Bemessungsoptionen Brettsperrholzwand |
 |
 |
Allgemeines .......................... |
 |
|
 |
Register DIN Bemessung ........ |
 |
|
 |
Schubbeanspruchung ............. |
 |
|
 |
Register Aufbau ..................... |
 |
|
 |
Normalkraftbeanspruchung |
 |
|
 |
Torsionsschubbeanspruchg. |
 |
|
|
|
 |
Verformungen ........................ |
 |
|
|
| Bemessungsoptionen Brettstapelholzwand |
 |
 |
Allgemeines .......................... |
 |
|
 |
Register DIN Bemessung ....... |
 |
|
 |
Normalkraftbeanspruchung |
 |
|
 |
Register Aufbau ..................... |
 |
|
 |
... Verbindungsmittel .............. |
 |
|
 |
Schubbeanspruchung ............. |
 |
|
|
|
 |
Verformungen ........................ |
 |
|
|
| Nachweise der Mauerwerkswände und Pfeiler |
 |
 |
Sicherheitsniveau ................... |
 |
|
 |
Wandbemessung ................... |
 |
|
 |
Pfeilerbemessung .................. |
 |
|
|
|
| Nachweisoptionen der Stahlverbände |
 |
|
| Stahlbetonbemessung |
 |
 |
Vorschriften ........................... |
 |
|
 |
Sicherheitsniveau ................... |
 |
|
 |
Bemessung für Wände ........... |
 |
|
|
|
 |
Bemessung für Stützen .......... |
 |
|
|
| Sonderkapitel |
 |
 |
Aussparungen ....................... |
 |
|
 |
Belastungsumrechnung .......... |
 |
|
|
 |
Einflussflächen ...................... |
 |
|
 |
autom. Erdbebenlasten .......... |
 |
|
 |
Holzdeckentafelbemessung |
 |
|
 |
Druckausgabe ....................... |
 |
|
 |
autom. Imperfektionslasten |
 |
|
|
 |
Abschätzung Steifigkeiten ....... |
 |
|
 |
Eurocode .............................. |
 |
|
 |
Export nach 4H-ALFA ............ |
 |
|
|
|
| Projekt 1 - Holztafelbau |
 |
|
| Projekt 2 - Stahlbetonbau |
 |
|
|
 |
|
|
 |
|
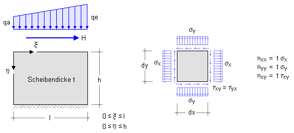
| Nachfolgend ist das Hauptfenster von 4H-HORA
schematisch dargestellt. |
|
 |
|
| Die Hauptsteuerung erfolgt über die Register System + Grundeinstellungen, Wandscheiben + Deckenplatte, Kraftaufteilung, Belastung, und Ergebnisse. |
| Jedem Register sind eine Anzahl von Seiten zugeordnet,
die im Seitenfenster ausgewählt werden können. |
| Im Arbeitsfenster wird der Inhalt der aktuell
ausgewählten Seite dargestellt. Dieser enthält i.A. Eingabeflächen, die die Vorgabe benutzerdefinierter
Eingaben ermöglichen. |
|
| Die Steuerbuttons (oben, rechts) bewirken im Einzelnen |
|
 |
|
Datenaufbereitung und Export zur Deckentafelbemessung
mit dem eigenständigen
Programm 4H-HDTF sowie Import und Export von Wänden und Lagerreaktionskräften
aus/nach dem Programm 4H-ALFA, Platte. |
|
|
|
|
|
|
|
|
 |
|
| Der aktuelle Datenzustand
wird DTE®-projektbezogen
auf der Festplatte gespeichert. |
|
|
|
|
|
|
 |
|
| Es erscheint ein Untermenü,
von dem aus Druckoptionen eingestellt
werden können, der DTE®-Viewer
zur Einsichtnahme der Druckliste gestartet
oder der DTE®-Druckmanager
zur Ausgabe des Druckdokumentes auf
einem Drucker aktiviert werden kann. |
| Näheres s. Druckausgabe. |
|
|
|
|
 |
|
| Anzeigen des Hilfedokuments |
|
|
|
|
 |
|
| Bearbeitung beenden; zuvor
wird der aktuelle Datenzustand gesichert. |
|
|
|
|
|
|
|
 |
|
| Nachfolgend werden die Hauptaufgaben des Programms
erläutert und beschrieben, auf welchen Seiten diese mit
benutzerdefinierten Vorgaben beeinflusst werden können. |
|
|
 |
Ermittlung der Windlasten |
|
 |
| Auf Basis weniger Vorgaben (Gebäudegeometrie,
Windzone, Bodenrauigkeitsprofil) ermittelt 4H-HORA
automatisch die nach Eurocode bzw. DIN 1055-4 erforderlichen
Windlasten. |
| Aufgrund der vorgeschriebenen Außermittigkeit
entstehen acht alternative Lastfälle, die beim Extremierungsprozess
berücksichtigt werden. Angaben hierzu werden im ersten
Register System + Grundeinstellungen gemacht. |
| Weitere Horizontallasten (aus Erdbeben,
Bremslasten, Ersatzlasten aus Imperfektionen) können
automatisch erzeugt oder manuell hinzugefügt werden. |
|
|
 |
Eingabe der Wände und Stützen |
|
 |
| Mit Hilfe grafischer Eingabetechniken werden
die Wandscheiben und Stützen erzeugt und modelliert. |
| Die hierdurch entstandenen Objekte können
verschoben und verdreht werden. Zoomen in Ausschnittsbereiche,
Gruppierungs- und undo-Funktionen erleichtern die Arbeit. |
| DXF-Vorlagen und Maßlinien mit Fangrasterwirkung
können hinzugeschaltet werden. |
| Durch Bearbeitung der Eigenschaften ausgewählter
Objekte werden materialspezifische Vorgaben und Nachweisoptionen
festgelegt. |
| Zwischen grafischer und tabellarischer Eingabe
kann hin- und her geschaltet werden. |
| Fotorealistische Darstellung und automatisches
Durchnummerieren ergänzen die Möglichkeiten. |
| All das findet sich im zweiten Register Wandscheiben + Deckenplatte. |
|
|
 |
Aufteilung der globalen Kopfplattenlasten |
|
 |
| Auf Basis der definierten Wandscheiben und
Stützen sowie der Angaben zur Steifigkeitsabschätzung
im ersten Register System + Grundeinstellungen werden die globalen Lasten Hx, Hy,
Vz, Mx, My, Mz auf die Wände und Stützen verteilt. |
| Das Ergebnis kann im Register Kraftaufteilung an Hand von Einheitslasten eingesehen werden. |
|
|
 |
Verwaltung von Einwirkungen und Lastfällen |
|
 |
| Um die Wandscheiben und Stützen endgültig
bemessen (bzw. ihre hinreichende Tragfähigkeit nachweisen)
zu können, müssen alle relevanten Lasten zusammengetragen
werden. |
Dies führt zunächst zur Definition
von Einwirkungen, denen wiederum jeweils mindestens ein
Lastfall
zugeordnet ist. |
| Die im ersten Register verwalteten Horizontallasten
erzeugen ihre Einwirkungen und Lastfälle automatisch. |
| Weitere Einwirkungen (wie Eigengewicht,
Nutz- und Verkehrslasten, Schneelasten ...) müssen
vom Benutzer eingerichtet und mit entsprechenden Lasten
versehen werden. Hierzu kann auf eine vom Programm angebotene
Automatik zurückgegriffen werden, die die im zweiten
Register Wandscheiben + Deckenplatte festgelegten
Lastschemata nutzt. Näheres s. Abschätzung
der Steifigkeiten. |
| Die hier beschriebene Lastverwaltung wird
unter Register Belastung bearbeitet. |
|
|
 |
Extremierung der Wand- und Stützenlasten |
|
 |
| Auf Basis der definierten Einwirkungen können
die lastfallweise auf charakteristischem Niveau gegebenen
Lasten nach Eurocode bzw. DIN 1055-100 extremiert werden. |
Die Bemessungslasten für den Nachweis
der ständigen und vorübergehenden Bemessungssituation
werden stets erzeugt. |
| Die Bemessungslasten für die außergewöhnliche
Bemessungssituation oder die Erdbebensituation werden
nur generiert, wenn entsprechende Einwirkungen existieren. |
|
|
 |
materialabhängige Nachweise |
|
 |
| Die extremierten Bemessungslasten werden
an die materialabhängigen Nachweise weitergeleitet. |
| Den Nachweisen liegen die Normen |
 |
DIN 1045-1, EC 2 (Stahlbeton), |
 |
DIN 1053-100, EC 6 (Mauerwerk), |
 |
DIN 1052:2008, EC 5 (Holzbau) und |
 |
DIN 18800, EC 3 (Stahlbau) |
|
| zugrunde. |
|
|
 |
Ergebnispräsentation |
|
 |
| Alle Ergebnisse der Extremierung und der
materialabhängigen Nachweise können im Register Ergebnisse und in der Druckliste eingesehen und
nachvollzogen werden. |
| Auf der Seite Überblick im
Register Ergebnisse kann direkt überprüft
werden, ob ein ändernder Eingriff von Seiten des
Benutzers erforderlich ist. |
|
|
|
|
 |
|
| Im ersten Register werden allgemeine Angaben
hinterlegt, die ohne Wissen um die Struktur der aussteifenden
Scheiben und Stützen getroffen werden können. |
| Es handelt sich hierbei um die Geometrie
des gesamten Gebäudes und um die das Gebäude
belastenden Horizontallasten. |
| Auf der Seite Steifigkeiten werden
Vorgaben für den Algorithmus zur Verteilung der globalen
Lasten auf die einzelnen Tragelemente (Wandscheiben und
Stützen) gemacht. |
|
 |
|
|
 |
|
Auf der Seite Gebäudemodell wird
die Geometrie des gesamten Gebäudes (Höhe, Breite,
Länge) vorgegeben.
Bei diesen Maßen handelt es sich um die vom Wind belastete
Außenhaut. |
Die Höhenlage des betrachteten Geschosses,
dessen Wandscheiben und Stützen berechnet werden sollen,
wird ebenfalls vermaßt. |
| Die Angabe zur Dachform ist ausschließlich
für die Ermittlung der Windlasten relevant. |
| Man beachte, dass auf dieser Seite auch das Koordinatensystem
(x, y, z) festgelegt wird! Da sich alle Festlegungen, für
die eine Orientierung in der x-y-Ebene erforderlich ist, auf
dieses Koordinatensystem beziehen, sollten die Angaben frühzeitig
sinnvoll belegt werden. |
|
 |
| |
 |
| Auf der Seite Gebäudemodell wird auch festgelegt, ob die Berechnung nach den
etwas älteren deutschen DIN-Normen oder nach
Eurocode erfolgen soll. |
| Wird Eurocode gewählt, muss auch
das zugeordnete nationale Anwendungsdokument angegeben
werden. Voreinstellung hierfür ist Deutschland. |
| Diese Festlegung betrifft alle in 4H-HORA zugrundeliegenden Normen. |
| Näheres kann der nachfolgenden
Tabelle entnommen werden. |
|
|
|
|
nach DIN |
nach Eurocode |
| Überlagerungsregeln, Lastfaktoren |
DIN 1055-100 |
EC 0 |
EN 1990:2010 |
| Windlasten |
DIN 1055-4 |
EC 1 |
EN 1991-1-4:2010 |
| Stahlbetonbemessung |
DIN 1045-1 |
EC 2 |
EN 1992-1-1:2011 |
| Stahlbaunachweise |
DIN 18800 |
EC 3 |
EN 1993-1-1:2010 |
| Holzbaunachweise |
DIN 1052:2004-08 |
EC 5 |
EN 1995-1-1:2010 |
| Mauerwerk |
DIN 1053-100 |
EC 6 |
EN 1996-3:2010 |
| Erdbebenersatzlasten |
DIN 4149:2005-04 |
EC 8 |
EN 1998-1:2010 |
|
|
Weitere Informationen zu den maßgeblichen
Unterschieden der beiden Normengruppen bzgl. einer Berechnung
in
4H-HORA sowie zur Handhabung der nationalen Anwendungsdokumente
s. Eurocode. |
|
|
|
 |
|
| Auf der Seite Windlasten sind zunächst
allgemeine Informationen zum Gebäudestandort vorzugeben
(Windzone, Höhe über NN, Bodenrauigkeitsprofil). |
Von dieser Seite kann das Programm 4H-WUSL aufgerufen werden, um sich Klarheit über die Festlegungen
zu verschaffen (beachte: 4H-WUSL versteht sich als
reines Nachschlagewerk zu den Wind- und Schneelastnormen;
es existiert kein automatischer Übernahmemechanismus). |
Des Weiteren werden auf der Seite Windlasten die zu untersuchenden Windrichtungen festgelegt
(Voreinstellung:
alle). |
|
 |
|
|
 |
|
| Auf den Nachfolgeseiten kann nun studiert werden,
wie die resultierende Horizontalkraft sowie das (auf die Kopfplatte
in Höhe der Scheibenoberkante transformierte) zugehörige
Moment normengerecht ermittelt werden. |
| Es sind grundsätzlich zwei Verfahren zur
Ermittlung der resultierenden Windlast vorgesehen: Zum einen
kann der Wert durch Integration der gegebenen Druckbeiwerte
berechnet werden. Dies führt i.d.R. zu geringeren Werten
und kann somit als die wirtschaftlich günstigere Variante
angesehen werden. |
Zum anderen kann die Resultierende (und die Höhe
des Angriffspunktes) auch mit Hilfe von Kraftbeiwerten ermittelt
werden. Das an zweiter Stelle genannte Verfahren gilt als zwingend
vorgeschrieben, wenn das Verhältnis h/d > 5 ist.
(h = Höhe des Gebäudes; d = Länge der windparallelen
Seite des Gebäudes). |
| Auf den hier zu besprechenden Seiten kann das
Verfahren zur Ermittlung der Windlasten direkt in einer Auswahlliste
festgelegt werden. |
| Voreingestellt ist die Methode automatisch.
Diese nutzt das erstgenannte Verfahren, solange es erlaubt ist,
und wechselt erst im Widerspruchsfalle zum zweitgenannten Verfahren.
Diese Vorgehensweise entspricht den Empfehlungen der Autoren
der DIN 1055-4. |
| Letztlich können die Windlasten unter dem
Punkt benutzerdefiniert auch direkt vorgegeben werden. |
|
 |
|
|
 |
|
| Unter Anwendung der nach DIN 1055-4 9.1 (4) vorgeschriebenen
horizontalen Ausmitten ergeben sich im Normalfall (wenn keine
Windrichtung ausgeschaltet wurde) acht alternative Lastfälle,
die vom Programm automatisch der Einwirkung Windlasten zugeordnet werden. |
| Auf der Seite Zusammenfassung werden
die Windlasten unter Angabe der Lastfallzuordnung, der Lastordinaten
und Vermaßung der Angriffspunkte auf der Höhe des
oberen Scheibenrandes grafisch dargestellt. |
Bei Berechnungen nach Eurocode dürfen die
ausmittig anzusetzenden Kräfte abgemindert werden.
Da die volle Last jedoch auch zentrisch (in Wandmitte) nachgewiesen
werden muss, ergeben sich nach Eurocode
i.A. sogar 12 Windlastfälle. |
|
 |
|
|
 |
|
| Auf den Seiten Bremslasten, Erddruck, Erdbebenlasten und Imperfektionen können
weitere Horizontallasten am Gesamtgebäudemodell wirkend
vorgegeben werden. |
|
|
|
 |
|
| In einer Tabelle werden die Werte
für x, Py, y, Px und h gemäß
obiger Skizze (eine Zeile pro Lastfall) angegeben. |
| Weitere Informationen, die die Überlagerungsfaktoren
bei der Extremalbildung betreffen, können festgelegt werden. |
Bei den Erdbebenlasten kann das Vorzeichen
der Lasten als alternierend gekennzeichnet werden. Dies bewirkt
die Verdoppelung der Anzahl der Lastfälle mit jeweils unterschiedlichem
Vorzeichen. |
| Die Existenz einer Erdbebeneinwirkung
bewirkt automatisch eine Extremierung im Sinne eines Tragfähigkeitsnachweises
für Erdbebenlasten. |
Sind an dieser Stelle Tabellenzeilen
angegeben, so wird automatisch eine jeweils zugeordnete Einwirkung
generiert,
der die Lastfälle zugeordnet werden. |
| Die Lastfälle können im
Register Belastung eingesehen (jedoch nicht weiter
bearbeitet) werden. |
| Für den Erddruck kann genau ein Lastfall erzeugt werden, der der Einwirkung ständige Lasten zugeordnet wird. |
|
| Ersatzlasten aus Imperfektionen und Erdbeben können vom Programm auch automatisch ermittelt werden. Näheres hierzu s. automatische Ermittlung der Imperfektionslasten bzw. autom. Ermittlung der Erdbebenlastenlasten. |
|
|
 |
|
| Auf der Seite Steifigkeiten werden die
Einstellmöglichkeiten zur Steuerung des Algorithmus zur
Verteilung der globalen Lasten auf die zu bemessenden Scheiben
und Stützen angeboten. Sie haben unmittelbaren Einfluss
auf das Ergebnis der Kraftaufteilung und somit auch auf die
Ergebnisse der Extremalbildung und der materialabhängigen
Nachweise. |
| Eine ausführliche Beschreibung der Eingabeparameter
befindet sich unter Abschätzung
der Steifigkeiten. |
|
 |
|
|
|
 |
|
| Im zweiten Register werden zum einen die nachzuweisenden
Wandscheiben und Stützen definiert, zum anderen Lastschemata
zur automatischen Generierung von Deckenlasten angelegt. |
|
|
 |
|
| Auf der Seite Wandscheiben kann zwischen
grafischer und tabellarischer Bearbeitung gewählt werden. |
| Bei der grafischen Bearbeitung (Voreinstellung)
wird ein Bearbeitungsfenster eingeblendet, in dem die definierten
Objekte (Scheiben und Stützen) im Grundriss dargestellt
werden. |
| Sie können dort allein über interaktive,
mausgesteuerte Aktionen modelliert (verschoben, verdreht, verlängert,
umdefiniert, gelöscht ...) werden. Weitere Objekte können
hinzugefügt werden. |
An dieser Stelle sollen nur die angebotenen Funktionen
erläutert werden. In einem separaten Tutorium wird die
Nutzung dieser Funktionen näher erläutert und an beispielhaften
Aufgabenstellungen vorgestellt. |
|
 |
|
|
|
 |
|
| Das Arbeitsfenster ist unterteilt
in eine Menüzeile, eine Statuszeile, das Vermaßungslineal
und den eigentlichen Arbeitsbereich, in dem sich die zu modellierenden
Objekte befinden. |
|
| Die Statuszeile enthält nützliche
Informationen über die zuletzt durch- geführte
Aktion. |
| Das Vermaßungslineal zeigt im definierten
x-y-Koordinatensystem die Position des Maus- zeigers an. |
| Es gilt das im Register 1 auf der Seite Gebäudemodell festgelegte Koordinatensystem. |
|
 |
|
Im darunter liegenden Arbeitsbereich
ist die Gebäudeaußenhaut markant dargestellt, innerhalb
derer sich die
definierten Scheiben und Stützen befinden. |
| Fährt der Mauszeiger über
ein Objekt, so wird es fokussiert. Es erscheint ein Fähnchen
mit Informationen des fokussierten Elementes. |
Objekte können ausgewählt
werden. Dies geschieht durch einfaches Anklicken oder durch
Umfahren (Aufspannen
eines Rechteckbereiches). |
| Ausgewählte Objekte werden farblich
markiert. Sie erscheinen in weißer Farbe mit roter Umrandung. |
| Mit ausgewählten Objekten können
gemeinsam Aktionen durchgeführt werden, die sich sodann
auf alle ausgewählten Objekte auswirken. |
| Wird ein ausgewähltes Objekt
angeklickt oder umfahren, so wird es wieder abgewählt. |
|
|
|
|
|
| die Funktionen im Seitenauswahlfenster |
|
 |
|
| Zum Zeitpunkt der Erzeugung eines
neuen Objektes erhält das Objekt bestimmte geometrische
und materielle Eigenschaften. Diese werden im Rahmen Voreinstellungen festgelegt. |
Hinter dem Begriff Lage wird festgelegt,
ob das zu erzeugende Objekt horizontal oder vertikal ausgerichtet
erscheinen soll. |
Unter Länge wird
die Länge der Wandscheibe zum Zeitpunkt der Erzeugung angegeben
(beide Angaben sind
für Stützen irrelevant). |
|
 |
| Wird das Schraubenschlüsselsymbol angeklickt,
so können die Materialeigenschaften neu zu erzeugender
Objekte festgelegt werden. |
| Es erscheint ein Eigenschaftsblatt, in dem
zunächst zwischen den Typen Wandscheibe und Stütze
und nachfolgend zwischen unterschiedlichen Materialien
gewählt werden kann. |
| Als Materialien stehen Holz, Mauerwerk,
Stahlbeton, Stahl und ein frei definierbares Material
zur Verfügung. |
| Weitere Informationen zu diesem Eigenschaftsblatt
finden sich unter Materialeigenschaften. |
| Nach Bestätigen des Eigenschaftsblattes
wird das gewählte Material als Voreinstellung vom
Programm übernommen. |
|
|
|
| 4H-HORA verfügt über
einen Hintergrundspeicher, in den Objekte kopiert oder verschoben
werden können. Durch Einfügen wird der aktuelle Inhalt
des Hintergrundspeichers in die Arbeitsfläche eingefügt. |
| Dieser Hintergrundspeicher funktioniert
in vollständiger Analogie zum Windowsbuffer, der unter
Windows über die Funktionen copy, cut und paste angesprochen
wird. |
|
 |
| Die im Rahmen Hintergrundspeicher angebotenen Schaltflächen bewirken von links nach
rechts: kopieren, ausschneiden, einfügen. Diese Funktionen
sind auch über die Tastaturkürzel [Strg]+C,
[Strg]+X, und [Strg]+V aktivierbar. |
|
|
|
 |
| Die Funktionen im Rahmen Modellieraktionen wirken sich allein auf die aktuell ausgewählten Objekte
aus. |
| Die Objekte können um ein Inkrement
Δx, Δy verschoben oder um einen Winkel α
verdreht werden. Nach Vorgabe der Inkremente bzw. des
Winkels muss der blaue Aktionsschalter angeklickt werden. |
Ist der Optionsschalter auf Duplikat anwenden aktiviert, werden nicht die
ausgewählten Objekte
selbst, sondern eine zuvor erzeugte Kopie dieser Objekte
verschoben bzw. verdreht. |
Sind mehrere Objekte ausgewählt, die
unter Wahrung der Ausrichtung zueinander verdreht werden
sollen, müssen die ausgewählten Objekte zunächst
gruppiert werden,
da andernfalls die Objekte einzeln um
ihren eigenen Schwerpunkt verdreht werden. |
|
|
|
|
|
|
|
| die Funktionen in der Menüzeile |
|
 |
|
|
 |
Wird der nebenstehend dargestellte Button angeklickt,
wird ein neues Objekt in den
Arbeitsbereich eingefügt. |
| Daas Objekt erhält die Eigenschaften, die zuletzt unter Voreinstellungen festgelegt wurden. |
Das Objekt (Wandscheibe oder Stütze) kann mit der Maus
an einer bestimmten Stelle positioniert
werden (linke Maustaste
anklicken). |
|
|
 |
| Wird der nebenstehend dargestellte Button angeklickt,
wird die letzte Aktion rückgängig gemacht. |
| 4H-HORA verfügt dazu über 10 undo-Level und einen redo-Level. |
| Das bedeutet, dass die letzten 10 unabhängig
durchgeführten Aktionen sukzessive rückgängig
gemacht und der zuletzt rückgängig gemachte Zustand
wieder hergestellt werden kann. |
|
|
 |
| Sind Objekte ausgewählt und wird der nebenstehend
dargestellte Button angeklickt, so erscheint das Eigenschaftsblatt
zur Bearbeitung der Materialeigenschaften. |
Wird das Eigenschaftsblatt bestätigt, erhalten alle ausgewählten
Objekte die aktualisierten
Eigenschaften. |
|
|
 |
Sind Objekte ausgewählt und wird der nebenstehend
dargestellte Button angeklickt, werden die
aktuell ausgewählten
Objekte zu einer interaktiven Gruppe zusammengefasst. |
| Für Gruppen gilt: Wird ein Element einer Gruppe angeklickt,
so wird die ganze Gruppe aus- bzw. abgewählt. Objekte einer
Gruppe können nicht gegeneinander verschoben werden. |
| Alle Modellierungsoperationen werden stets auf die gesamte Gruppe
angewandt. |
|
|
 |
| Durch Anklicken des nebenstehend dargestellten Buttons werden die ausgewählten Objekte abgewählt. |
| Nach dieser Aktion befindet sich das Programm stets im Zustand es sind keine Objekte ausgewählt. |
|
 |
| Wird der nebenstehend dargestellte Button angeklickt,
so werden alle ausgewählten Objekte gelöscht. |
| Natürlich
kann auch diese Aktion über den undo-Button rückgängig
gemacht werden. |
|
 |
Wird der nebenstehend dargestellte Button angeklickt,
erscheint ein Eigenschaftsblatt auf dem
Sichtgerät,
in dem Gruppen von horizontalen und vertikalen Maßlinien
(ausgehend vom x-y-Koordinatensystem) vorgegeben werden können. |
| Den Kreuzungspunkten der Maßlinien kann
eine Fangrasterfunktionalität (Rasterpunktanziehung) zugewiesen
werden. |
Dies hat beim Erzeugen bzw. manuellen Verschieben zur
Folge, dass die Objekte exakt an den
Maßlinien ausgerichtet
werden können. |
Wird etwa beim Verschieben der Eckpunkt einer
Wandscheibe in der Nähe eines Maßlinienkreuzungspunkts
positioniert, so wird der Eckpunkt vom Maßlinienpunkt
gefangen:
Der Eckpunkt nimmt exakt die Position des Maßlinienpunkte
ein. |
| Ein Anwendungsbeispiel findet sich im Projekt
2 des Tutoriums. |
|
|
 |
Wird der nebenstehend dargestellte Button angeklickt,
erscheint ein Eigenschaftsblatt auf dem
Sichtgerät,
in dem Grafikdateien im DXF-Format mit dem Programm verknüpft
werden können. |
| Die Grafiken werden als Vorlage in das Arbeitsfenster eingeblendet. |
Den Endpunkten aller Linien in der Grafik kann
ebenfalls Fangrasterfunktionalität (Kontrollpunkt-
anziehung)
mit demselben Effekt, wie er im vorangegangenen Absatz bei den
Maßlinien beschrieben wurde, zugewiesen werden. |
| Ein Anwendungsbeispiel findet sich im Projekt
1 des Tutoriums. |
|
|
 |
| Hinein-Zoomen. Wird der nebenstehend dargestellte
Button angeklickt, kann mit der Maus ein rechteckförmiger
Bereich aufgezogen werden. |
| Der so festgelegte Teilbereich wird
vergrößert im Arbeitsfenster dargestellt. |
|
|
 |
Hinaus-Zoomen. Durch Anklicken des nebenstehend dargestellten
Buttons wird in den
vorangegangenen Zoomzustand
zurückgesprungen. |
|
 |
| Dieser Button sorgt dafür, dass der gesamte
Bereich inklusive Außenhaut im Arbeitsfenster erscheint. |
| Dies ist stets der Ausgangszustand. |
|
 |
| Wird der nebenstehend dargestellte Button angeklickt,
so wird das DTE®-eigene FotoView-Werkzeug gestartet,
das die aktuell definierten Objekte dreidimensional darstellt. |
| Holztafeln werden hierbei ohne Beplankung dargestellt, um die
Rippen sichtbar zu machen. |
|
 |
|
|
 |
Wird der nebenstehend dargestellte Button angeklickt,
erscheint ein Eigenschaftsblatt auf dem
Sichtgerät,
aus dem heraus eine Neunummerierung der Objekte gestartet werden
kann. |
|
|
|
|
|
|
| das kontextsensitive Menü fokussierter Wände und Stützen |
|
 |
|
|
 |
Ist eine Wand oder eine Stütze fokussiert
(die Maus befindet sich über dem
Objekt und ein Infofähnchen
wird angezeigt), kann durch Anklicken der rechten Maustaste
ein dem Objekt zugeordnetes Menü aufgerufen werden. |
| Alle angebotenen Funktionen beziehen sich
auf dieses Objekt. |
|
 |
| duplizieren erzeugt eine Kopie des
Objekts im Arbeitsbereich |
|
 |
| kopieren legt eine Kopie des Objekts
im Hintergrundspeicher an |
|
 |
| ausschneiden tut dies auch, jedoch
wird das Objekt danach aus dem Arbeitsbereich entfernt |
|
 |
| neue Länge ruft ein Eigenschaftsblatt
auf, in dem die Länge der Wandscheibe geändert
werden kann |
|
 |
| unterteilen besorgt die Unterteilung
der Wandscheibe in mehrere einzelne Wandscheiben |
|
 |
verschieben leitet eine numerisch
gesteuerte Verschiebeaktion und
verdrehen eine
entsprechende Rotation ein |
| Die letzten beiden Aktionen können
auch auf ein zuvor erstelltes Duplikat angewandt werden. |
|
 |
| Eigenschaften ruft das Eigenschaftsblatt
des Objektes zur Bearbeitung seiner Materialeigenschaften
hervor |
|
 |
abwählen wählt das Objekt
ab (wenn es ausgewählt ist) und
löschen löscht das Objekt |
|
|
|
Bei Stützen sind die Funktionen neue
Länge, unterteilen und verdrehen
deaktiviert. |
|
|
|
|
|
|
| deas kontextsensitive Menü fokussierter Gruppen |
|
 |
|
|
 |
| Ist eine Gruppe fokussiert (die Maus befindet
sich über dem Objekt einer Gruppe und ein Infofähnchen
wird angezeigt), so kann durch Anklicken der rechten Maustaste
ein der Gruppe zugeordnetes Menü aufgerufen werden. |
| Die meisten Funktionen sind identisch mit
den oben beschriebenen individuellen Funktionen, jedoch
beziehen sich die Funktionen auf die gesamte Gruppe und
somit auf jedes Gruppenmitglied. |
Wird die Funktion Eigenschaften aufgerufen,
so wird dadurch eine Vereinheit-
lichung der Materialeigenschaften
aller Objekte dieser Gruppe eingeleitet. |
Besteht die Gruppe
aus Wänden und Stützen, so ist diese Funktion
mit
Bedacht einzusetzen. |
Die Funktion auflösen löst
die Gruppe auf, macht also die Gruppierung
rückgängig. |
|
|
|
|
|
|
 |
|
| Im oberen Bereich des Seitenauswahlfensters kann
jederzeit zwischen der grafischen und der tabellarischen Bearbeitung
hin- und hergeschaltet werden. |
| In der tabellarischen Bearbeitung können
die Anfangs- und Endpunkte der Wandscheibensystemlinien bzw.
die Schwerpunkte der Stützen tabellarisch eingegeben bzw.
geändert werden. |
| Es gilt das im ersten Register auf der Seite Gebäudemodell festgelegte Koordinatensystem. |
|
 |
|
| Klicken Sie auf |
|
 |
um Einfluss auf die Sortierreihenfolge der
Objekte in der Tabelle zu nehmen, |
 |
um die Materialeigenschaften des zugeordneten Objektes
einzusehen und ggf. zu ändern, |
 |
um das Objekt zu löschen oder |
 |
ein neues Objekt (mit den in der Voreinstellung festgelegten
Eigenschaften) zu erzeugen. |
|
|
| Dem Einsteiger wird an dieser Stelle noch einmal
empfohlen, das Tutorium zu studieren, um die Wirkungsweise der
hier vorgestellten Funktionen an gegebenen Beispielen kennenzulernen. |
| Informationen zu den Materialangaben finden sich
unter Materialeigenschaften. |
|
|
|
 |
|
| Die selbstgestellte Aufgabe von 4H-HORA
ist die statische Berechnung der Wandscheiben und Stützen
eines Geschosses eines i.d.R. mehrgeschossigen Gebäudes. |
Die geometrische Struktur der Deckenplatte(n)
ist dabei zunächst von minderer Bedeutung. Bei der Zusammen-
stellung
der lotrechten Lasten insbesondere aus Eigengewicht und Nutzlasten
sind diese Informationen jedoch dann erforderlich, wenn von
der angebotenen automatischen Lastzusammemstellung Gebrauch
gemacht werden soll. |
| Wenn die lotrechten Lasten Wandscheibe
für Wandscheibe bzw. Stütze für Stütze manuell
in einer Tabelle vorgegeben werden sollen, können die nachfolgenden
Beschreibungen ignoriert werden. |
4H-HORA bietet jedoch eine
Automatik an, die die Plattenlasten (gegeben in kN/m2)
auf die tragenden
Objekte verteilt. |
| Dies geschieht nach zwei prozentual
gewichteten Modellen: Dem der biegestarren und dem der biegeweichen
Platte. Der Prozentsatz wird im ersten Register auf der Seite Steifigkeiten festgelegt. |
| Weitere Informationen zu diesem Thema
finden sich unter Abschätzung
der Steifigkeiten. |
| Auf der Seite Deckenplatte ist von Lastschemata die Rede. Ein Lastschema besteht aus den
definierten Randabständen, ggf. definierten Aussparungen
und den daraus automatisch ermittelten Flächenanteilen,
die den einzelnen Tragelementen (Wandscheiben und Stützen)
einen Teilbereich der Platte zuordnen. |
| Die Lasten eines solchen Teilbereiches
sind von den zugeordneten Wänden und Stützen zu übernehmen
- und zwar in dem prozentualen Anteil, der für das Modell biegeweiche Platte im ersten Register festgelegt wurde. |
| Um der Tatsache gerecht zu werden,
dass Nutzlasten in Teilbereichen unterschiedliche Ordinaten
haben können und bei der Abschätzung des Platteneigengewichtes
Verstärkungen in Teilbereichen relevant werden können,
können demzufolge mehrere unterschiedliche Lastschemata
angelegt werden. |
| Die Bezugnahme auf ein bestimmtes
Lastschema erfolgt im Register Belastung auf der Seite Lasten, wenn dort bei den benutzerdefinierten Lastfällen
die Automatik eingeschaltet wird. |
|
 |
| Die nebenstehend dargestellten Interaktionselemente
dienen der Verwaltung der Lastschemata. |
| Mit Anklicken des neu-Buttons
wird ein neues Lastschema eingerichtet. |
| Das Bleistiftsymbol ermöglicht die Umbenennung des aktuell ausgewählten
Lastschemas und das Mülleimersymbol löscht das aktuelle Lastschema. |
| Die Auswahlliste ermöglicht die Auswahl
des aktuellen (zur Bearbeitung anstehenden) Lastschemas. |
| Es existiert stets mindestens ein Lastschema,
voreingestellt mit dem Namen standard. |
|
|
| Wird der Schalter direkte
Eingabe aktiviert, so verschwinden die nachfolgend
beschriebenen Eingabeelemente. |
Im Arbeitsfenster können dann
die Lastordinaten der Wandscheiben und Stützen infolge
einer Deckenbelastung
von 1 kN/m2 direkt eingegeben werden. |
| Dies bietet sich ggf. an, wenn etwa
die Decke gewollt einachsig gespannt werden soll oder die Ergebnisse
einer (elastischen) FEM-Berechnung bereits vorliegen. |
| Ein Beispiel hierzu wird im zweiten
Projekt des Tutoriums vorgeführt. |
|
| Die nachfolgenden Ausführungen
beziehen sich auf die automatische Plattenlastermittlung. In
diesem Fall darf die direkte Eingabe nicht angeschaltet sein. |
|
 |
| Die nebenstehend dargestellten Interaktionselemente
dienen der Plattenrandbeschreibung des aktuell ausgewählten
Lastschemas. |
| Der Plattenrand wird ausgehend von der Außenhaut
nach innen vermessen. Um etwa die Lasten von hervorstehenden
Balkonen zu erfassen, können aber auch negative Zahlenwerte
eingegeben werden. |
| Die Grafik im Arbeitsfenster reagiert unmittelbar
auf die Eingaben. |
|
|
 |
| Wird die nebenstehend dargestellte Schaltfläche
angeklickt, so erscheint ein Eigenschaftsblatt, in dem
Aussparungen (Fehlflächen) im verbleibenden Plattenbereich
definiert und verwaltet werden können |
| Näheres s. Aussparungen. |
|
|
| Nach Bearbeitung der bisher beschriebenen
Interaktionsmöglichkeiten könnte das Arbeitsfenster
die nachfolgend beispielhaft dargestellte Abbildung enthalten. |
|
 |
|
 |
| Durch Anklicken des Abakus-Symbols
wird die Berechnung der Flächenaufteilung gestartet;
das Ergebnis wird unmittelbar im Arbeitsfenster angezeigt. |
| Durch Aktivierung des Optionsschalters automatisch wird dafür gesorgt, dass die Berechnung nach jeder
Eingabe automatisch erfolgt (Voreinstellung). |
|
|
| Die Darstellung im Arbeitsfenster
ändert sich wie folgt: |
|
 |
|
| Jedes Tragelement (Wandscheibe bzw.
Stütze) erhält den Flächenanteil der sie umfahrenden
roten Linien. |
| Informationen zum Algorithmus der
Einflussflächenberechnung s.
Algorithmus zur Ermittlung der Einflussflächen. |
|
 |
| Standardmäßig erscheint das Ergebnis
der Flächenaufteilung in der oben beschriebenen grafischen
Form. |
| Es besteht aber auch die Möglichkeit,
die Ergebnisse tabellarisch einzusehen. Hierzu muss die
alternative Schaltfläche tabellarisch aktiviert
werden. |
|
|
| Es erscheint die nachfolgend dargestellte
Tabelle, die den einzelnen Tragelementen Randordinaten der Streckenlasten
zuordnet. Da die Werte für eine konstante Flächenlast
gelten, müssen die ausgewiesenen Summen insgesamt den Wert
der Gesamtfläche ausweisen. |
| Man beachte, dass diese Werte nur
mit dem Prozentsatz für das Modell schlaffe Platte zum
Einsatz kommen. |
|
 |
|
|
|
|
 |
|
| Nachdem die Seiten in den ersten beiden
Registern mit Daten gefüllt wurden, kann das Programm im
dritten Register mit einem Zwischenergebnis aufwarten. |
|
Es sind dies die Verformungen der Kopfplatte
infolge von Einheitslasten sowie die Aufteilung der Einheitslasten
in die Belastungen der Wände und Stützen.
Dieses Register bedarf keiner Eingaben. |
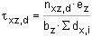
| Auf der Seite allgemeine Informationen sind zunächst die Koordinaten des elastischen Schwerpunkts S und des Schubmittelpunkts M angegeben. |
An diesen beiden geometrischen Orten wirken
die
Einheitslasten. |
| Näheres s. nebenstehende Abbildung. |
|
 |
| Die Einheitsverformungen sind im Einzelnen |
|
| uMx |
Verschiebung der Kopfplatte in x-Richtung |
| uMy |
Verschiebung der Kopfplatte in y-Richtung |
| uSz |
Verschiebung der Kopfplatte in z-Richtung |
| θSx |
Verdrehung der Kopfplatte um die in den Schwerpunkt
verlagerte x-Achse |
| θSy |
Verdrehung der Kopfplatte um die in den Schwerpunkt
verlagerte y-Achse |
| θMz |
Verdrehung der Kopfplatte um die in den Schubmittelpunkt
verlagerte z-Achse |
|
|
 |
|
| Auf den nachfolgenden Seiten
sind die Scheibenkräfte (bzw. Streckenbelastungen) sowie
die Einzellasten der Stützen infolge der oben dargestellten
Einheitslasten (Kräfte in kN, Momente in kNm) grafisch
dargestellt. |
|
 |
|
| Die Abschätzungen der Plattensteifigkeit
zur Aufnahme der Biegemomente sowie die prozentuale Abschätzung
der Wölbkräfte sind hier bereits berücksichtigt
(vgl. Register 1 - Seite Steifigkeiten). |
| Die Abschätzung der Plattensteifigkeit
zur Aufnahme der Vertikallasten (hier speziell Vz) ist hier
jedoch noch mit 100% angenommen. Eine prozentuale Wichtung mit
dem Modell biegeschlaffe Platte findet hierfür erst bei
der Lastermittlung nach Vorgabe des Lastschemas statt. |
|
 |
| Man beachte, dass die tatsächlichen
Belastungen der Scheiben und Stützen allein
durch Superposition der hier dargestellten Scheiben-
und Stützenlasten gewonnen werden! |
| Dasselbe gilt für die Abschätzung
der extremalen Plattenverformungen. |
| Ausnahme hiervon bilden allein die
vertikalen Lasten: Die Wirkung von Vz wird prozentual
mit dem Modell biegeweiche Platte gewichtet. |
|
|
|
| Näheres hierzu siehe |
|
|
|
|
|
|
|
|
|
 |
|
| Zur Festlegung der Materialeigenschaften
bietet 4H-HORA ein Eigenschaftsblatt zur Bearbeitung
an. |
| Dieses kann im zweiten Register Wandscheiben
und Deckenplatte auf der Seite Wandscheiben auf
unterschiedliche Arten aufgerufen werden. |
|
 |
durch Anklicken des Schraubenschlüsselsymbols
zur Festlegung der Voreinstellung im Seitenauswahlfenster.
Die Voreinstellung legt fest, welche Eigenschaften ein Objekt
zum Zeitpunkt seiner Erzeugung bekommt. |
 |
durch Doppelklicken eines Objekts bzw. Auswahl der kontextsensitiven
Funktion Eigenschaften eines fokussierten Objekts.
Hierdurch werden die Eigenschaften des speziellen Objektes (das
den Doppelklick erfahren hat, bzw. fokussiert wurde) individuell bearbeitet, unabhängig vom Auswahlzustand der anderen Objekte. |
 |
durch Doppelklick auf ein Objekt einer Gruppe bzw. Auswahl
der kontextsensitiven Funktion Eigenschaften einer
fokussierten Gruppe. Hierdurch werden die Eigenschaften aller
Gruppenmitglieder der Gruppe bearbeitet, unabhängig
vom Auswahlzustand der anderen Objekte. |
 |
durch Anklicken des Buttons Wände
bearbeiten (Bleistiftsymbol) in der Menüzeile
der grafischen Eingabe. Hierdurch werden die Eigenschaften aller
aktuell ausgewählten Objekte bearbeitet. |
 |
durch Anklicken des Bleistiftsymbols in der tabellarischen
Eingabe. |
|
|
|
Werden mehrere Objekte gleichzeitig
bearbeitet (s. dritter und vierter Punkt), spricht man auch
vom
Prozess der Vereinheitlichung. |
| Bei Bestätigen des Eigenschaftsblatts
erhalten alle benannten Objekte die im Eigenschaftsblatt festgelegten
Eigenschaften. Vorsicht ist dann beim Vereinheitlichen geboten,
wenn gleichzeitig Stützen und Wandscheiben ausgewählt
sind. |
| Die Bearbeitung der Materialeigenschaften
kann auch über den undo-Button
rückgängig gemacht werden. |
| Im Kopf des Eigenschaftsblattes wird
differenziert Auskunft über die aktuell bearbeiteten Objekte
gegeben. |
|
 |
|
| In der oberen Zeile wird zunächst
der Typ (Wandscheibe oder Stütze) und das Material (Holz,
Mauerwerk, Stahlbeton, Stahl, frei) angewählt. |
| Der Inhalt des Fensters zur Bearbeitung
der gewählten Eigenschaften ändert sich hierdurch
direkt und bietet die der Wahl angepassten Eigenschaften zur
Bearbeitung an. |
|
| In den nachfolgenden Registern |
|
| Lasten |
wird bei Wandscheiben festgelegt, ob sie in der
Lage sind, Horizontalkräfte aufzunehmen (Voreinstellung:
ja). Durch konstruktive Maßnahmen (etwa Einbau von Gleitfolie
o. ö.) könnte dies verhindert werden. |
| Aufbau |
wird das einzubauende Material gewählt und die Dimensionierung
festgelegt. |
| Bemessung |
werden Nachweis- und Bemessungsoptionen angegeben. |
|
|
| Die nachfolgenden Schaltflächen
bewirken letztlich |
|
 |
den Abbruch der Bearbeitung. Es werden keine Änderungen
bei dem/den Objekt(en) vorgenommen. |
 |
Aufruf der Hilfe |
 |
Bestätigen der bearbeiteten Eigenschaften.
Das Eigenschaftsblatt wird geschlossen und das/die Objekt(e)
bekommen die Eigenschaften verbindlich zugeordnet. |
|
| Es folgt die Beschreibung der einzelnen
Materialien. |
|
|
|
 |
|
|
 |
|
| Bild vergrößern |
 |
|
|
|
| Eine Wandtafel besteht aus einem Ober- und einem
Untergurt, einer gewissen Anzahl von vertikal angeordneten Rippen
sowie der vorderen und hinteren Beplankung. |
| Die Dimensionierung erfolgt durch Bearbeitung
der an den Maßlinien angetragenen Eingabefelder. |
| Zur Festlegung der zu verwendenden Materialien
werden entsprechende Auswahllisten angeboten. |
Ist die Anordnung der Beplankung symmetrisch,
kann die Schalttafel Beplankung
vorne und hinten gleich
angeklickt werden. |
| Es kann auch einseitige Beplankung angeordnet
werden. Hierzu muss das Material der entsprechenden Beplankung ohne angewählt werden. |
|
Weitere Informationen zu den Bemessungsoptionen
der Holztafeln und den einzelnen geführten Nachweisen finden
sich unter Nachweise der Holztafeln. |
|
|
|
|
|
|
 |
|
|
 |
|
| Bild vergrößern |
 |
|
|
|
Brettsperrholzwände bestehen aus mindestens drei Schichten kreuzweise gelegten und flächig verklebten
Brettlagen aus Nadelholz. Der Aufbau ist symmetrisch. |
Im Programm sind die Brettsperrholzwände der Hersteller Züblin (Leno), Derix
(X-LAM) und Merkle (X-LAM)
hinterlegt. Es können aber auch eigene Wandtypen definiert und in einer Datenbank abgelegt
werden. |
|
| Weitere Informationen zu den Bemessungsoptionen der Brettsperrholzwand und den Nachweisen. |
|
|
|
|
|
|
|
 |
|
|
 |
|
| Bild vergrößern |
 |
|
|
|
| Brettstapelholzwände bestehen aus nebeneinander gestellten Brettern, die mit Nägeln zusammengefügt sind. |
| Die
Lamellen bestehen i.d.R. aus Nadelholz. |
|
| Weitere Informationen zu den Bemessungsoptionen der Stapelholzwand und den Nachweisen. |
|
|
|
|
|
|
|
 |
|
|
 |
|
| Beim Mauerwerk ist die Dicke und bei
Pfeilern die Maße b/d des Rechteckquerschnitts vorzugeben. |
| In Auswahlboxen werden die möglichen
Mauersteintypen mit ihren spezifischen Festigkeiten und Mörtelgruppen
angeboten. Dazu gehören |
|
 |
Steinsorte: Mauerziegel, Kalksandsteine
(auch Hüttensteine), Leichtbetonsteine, Betonsteine,
Porenbetonsteine |
 |
Steinart: Hohlblockstein, Hochlochstein (Steine
mit Grifflöchern), Vollstein |
 |
Steinrohdichteklasse: 0.4, 0.5, 0.6, 0.7,
0.8, 0.9, 1.0, 1.2, 1.4, 1.6, 1.8, 2.0, 2.2, 2.4 zur Bestimmung
der Mauerwerkswichte |
 |
Steinfestigkeitsklasse: 2, 4, 6, 8, 10, 12,
16, 20, 28, 36, 48, 60 |
 |
Mörtelgruppe: I, II, IIa, III, IIIa,
Dünnbettmörtel DM, Leichtmörtel LM 21, Leichtmörtel
LM 36, wobei die Stoßfuge auch unvermörtelt ausgeführt
werden kann. |
|
| Aus diesen Angaben werden die notwendigen
Rechenparameter bestimmt: |
|
 |
Mauerwerksdruckfestigkeit fk als Funktion
von Steinsorte, Steinfestigkeitsklasse, Mörtelgruppe |
 |
Steinzugfestigkeit fbz aus Steinart
und Steinsorte (Schubnachweis) |
 |
abgeminderte Haftscherfestigkeit fvk0 aus der Mörtelgruppe (Schubnachweis) |
 |
Elastizitätsmodul EM als Funktion
von Steinsorte und Mauerwerksdruckfestigkeit |
 |
Mauerwerkswichte ρ als Funktion von Steinrohdichteklasse
und Mörtelgruppe |
|
Weitere Informationen zu den Nachweisoptionen
für Mauerwerk finden sich unter
Nachweise der
Mauerwerkswände und Pfeiler. |
|
|
|
|
|
|
 |
|
|
 |
|
| Bei Stahlbetonwänden ist die
Wanddicke und bei Stützen der Querschnittstyp und die Querschnittsabmessungen |
|
 |
Rechteck: Breite und Dicke |
 |
Kreis: Durchmesser |
|
| anzugeben. Außerdem sind bemessungsrelevant: |
|
 |
der Stahlrandabstand, d.h. der Abstand des Bewehrungsschwerpunktes
vom nächstgelegenen Betonrand |
 |
die Grundbewehrung |
 |
der maximale Bewehrungsgrad |
|
| In Auswahlboxen werden die möglichen
Beton- und Betonstahlsorten angeboten. Dazu gehören |
 |
Betone der Festigkeitsklassen C 12/15, C 16/20, C 20/25, C 25/30, C 30/37, C 35/45, C 40/50,
C 50/60, C 55/67, C 60/75, C 70/85, C 80/95, C 90/105 |
 |
Betonstahlsorte BSt 500 A (normal
duktil) |
|
| Aus diesen Angaben werden die notwendigen
Rechenparameter bestimmt: |
|
 |
Beton |
 |
charakteristische Zylinderdruckfestigkeit
nach 28 Tagen fck |
 |
Dehnung beim Erreichen der Festigkeitsgrenze εc2 |
 |
Bruchdehnung εc2u |
 |
Exponent nc der Spannungsdehnungsfunktion
σc = -fcd· [1 -
(1-εc/εc2)nc] |
 |
Mittelwert der zentrischen Zugfestigkeit fctm |
 |
Elastizitätsmodul (Sekantenmodul) Ecm |
|
|
 |
Betonstahl |
 |
Streckgrenze fyk |
 |
Dehngrenze ftk |
 |
Bruchdehnung εsu |
 |
Elastizitätsmodul Es |
|
|
| Weitere Informationen zu den Bemessungsoptionen
für Stahlbeton finden sich unter Stahlbetonbemessung. |
|
|
|
|
|
|
 |
|
|
 |
|
| Der Stahlverband ist ein symmetrisches
System aus einem Riegel, zwei Stielen und zwei Diagonalen. |
| Die Stiele sind gelenkig gelagert
und die Tragglieder gelenkig aneinander angeschlossen. |
| Die Diagonalen werden als reine Zugglieder
angenommen, sie fallen bei Druck aus. |
| Da der Riegel in der Decke versteckt,
aber auch als Unterkonstruktion ausgebildet werden kann, ist
die Höhe der Systemlinie des Riegels anzugeben (s. statisches
System). |
| Zur Auswahl des Profils kann entweder
der DTE®-Profilmanager oder das Programm 4H-QUER zur Definition benutzerdefinierter Querschnitte gerufen werden. |
|
 |
Ein Klick auf das nebenstehend dargestellte Symbol
ruft den DTE®-Profilmanager auf.
Das gewünschte Profil kann dort ausgewählt, eingesehen
und bei Beendigung des Programms
an 4H-HORA übergeben werden. |
 |
Ein Klick auf das nebenstehend dargestellte Symbol ruft das
Programm 4H-QUER auf.
Von dort können als dünnwandig konstruierte Querschnitte
an 4H-HORA übergeben werden. |
|
| Nach Übernahme des Querschnitts
erscheint die Profilbezeichnung in der Auswahlliste unter den
Symbolen. Diese kann zu einem späteren Zeitpunkt auch anderen
Stahlträgern zugeordnet werden. |
| In der zweiten Auswahlliste wird das
Material (Stahlgüte) spezifiziert. |
| Die Diagonalen können entweder
als Rundstahl, Flachstahl, sonstige (Profil auswählen)
oder allgemein (durch Vorgabe der wirksamen Querschnittsfläche)
ausgebildet werden. |
|
Weitere Informationen zu den Nachweisoptionen
der Stahlverbände und den geführten Nachweisen finden
sich
unter Nachweise der Stahlverbände. |
|
|
|
|
|
| freies Material (benutzerdefiniert) |
|
 |
|
|
 |
|
Trifft keines der bisher beschriebenen Materialien
zu, kann auf das freie benutzerdefinierte Material
zurückgegriffen werden. |
Bei diesem Typ werden die für die Kraftverteilung
wesentlichen Steifigkeitsparameter direkt eingegeben.
Es ist dies die Federkonstante C gegen eine horizontale Verschiebung
des Scheibenkopfes (wie dargestellt). |
| Des Weiteren wird zur Beschreibung der Zusammenpressbarkeit
der Faktor EA und die Reaktion auf eine Biegeverformung der
Faktor EI benötigt. |
| Das Eigengewicht ist nur für die automatische
Lastermittlung relevant und mit der Scheibendicke wird ausschließlich
die Darstellung im Arbeitsfenster beeinflusst. |
Da dem Programm keine DIN-Norm zugrundeliegt,
kann prinzipiell keine Nachweisführung angeboten werden.
Auf Wunsch kann 4H-HORA jedoch die Einhaltung vorgegebener
minimaler bzw. maximaler Lastordinaten überprüfen,
die im Register Bemessung eingetragen werden. |
|
|
|
|
|
|
 |
|
|
Stützen werden in 4H-HORA stets
als Pendelstützen angenommen. Sie können allein
vertikale Lasten aus Eigengewicht, Nutzlasten etc. aber
auch aus den
Momenten der Horizontalkräfte (Näheres
s. Plattensteifigkeit zur Aufnahme der Biegemomente) aufnehmen. |
| Nebenstehend sind die Eigenschaften einer
Holzstütze beschrieben. |
| Die Eigenschaften anderer Materialien sind
sinngemäß vorzugeben. |
| Die für die Lastverteilung maßgebende
Größe EA wird eingeblendet. |
|
 |
|
| Die Stützen werden entsprechend
ihrer zugrundeliegenden Norm nachgewiesen bzw. bemessen. Die
hierbei steuernd eingreifenden Nachweisoptionen können
im Register Bemessung bearbeitet werden. |
|
|
|
|
|
|
 |
|
| Im vierten Register werden die Belastungen der
Scheiben und Stützen zusammengestellt. |
| Hier wird zunächst die für die erforderliche
Überlagerung (Extremalbildung) vorgegebene Laststruktur festgelegt. |
| Die den Lastfällen zugeordneten Belastungen
der Scheiben und Stützen werden auf der Seite Lasten definiert. |
|
|
|
 |
|
|
| Im Arbeitsfenster werden die definierten Einwirkungen
und Lastfälle in einer Baumstruktur angezeigt. Die Lastfälle
sind hierbei stets den Einwirkungen zugeordnet. |
|
 |
|
| Die rötlich eingefärbten Einwirkungen
und Lastfälle werden von 4H-HORA automatisch (nach
den Vorgaben im ersten Register) erzeugt und verwaltet. |
| Sie werden hinter den benutzerdefinierten Einwirkungen
und Lastfällen (schwarz dargestellt) in den Baum eingehängt
und können auf dieser Seite vom Anwender nicht mehr bearbeitet
werden. |
| Durch Anklicken eines der Baumelemente werden
die Eigenschaften des so ausgewählten Elementes rechts
neben dem Baum eingeblendet. Handelt es sich hierbei um ein
benutzerdefiniertes Element, so können (und sollten) die
Eigenschaften bearbeitet werden. |
| Wesentlich für die Ergebnisse der Überlagerung
sind die Eigenschaften einer Einwirkung. Eine Einwirkung hat
eine Bezeichnung und eine Position in der Baumstruktur, die
bei Existenz mehrerer Einwirkungen verändert werden kann. |
Die Überlagerung (Extremalbildung) wird nach
den Regeln der DIN 1055-100 bzw. des EC 0 durchgeführt.
Die überlagerungstechnischen Eigenschaften unterscheiden
zunächst zwischen ständigen und
veränderlichen
Lasten. |
| Gelten für eine Einwirkung die Anforderungen
einer außergewöhnlichen Bemessungssituation, so
sollte sie hier als Sonderlast gekennzeichnet werden. |
| Zur automatischen Festlegung der Kombinationsbeiwerte
ist für veränderliche Lasten zusätzlich die Lastkategorie
festzusetzen. Sie bezieht sich auf DIN 1055-100, Tab. A.2, bzw.
EC 0. |
Des Weiteren muss festgelegt werden, ob sich die
zur betrachteten Einwirkung gehörenden Lastfälle additiv
oder alternativ zueinander verhalten. Additive Lastfälle
sind unabhängig voneinander und können demzufolge
auch
gleichzeitig wirken. Alternative Lastfälle verstehen sich
als Alternativen. Hierbei wird nur der ungünstigste Lastfall
zur Extremalbildung hinzugezogen. |
| Alle weiteren, für den Überlagerungsprozess
relevanten Informationen legt das Programm i.d.R. automatisch
fest. Ist dies nicht gewünscht, können die Teilsicherheitsbeiwerte
und Kombinationsbeiwerte (für Holzbaunachweise auch die
Klasse der Einwirkungsdauer) manuell überschrieben werden. |
Die Eigenschaft eines Lastfalles besteht aus der
Bezeichnung, ggf. der Position im Baum und der Zuordnung
zu einer Einwirkung. |
|
| Mit den Schaltflächen oberhalb des Baums
wird der Inhalt des Baums modifiziert. |
|
 |
der nebenstehend dargestellte Button erzeugt
eine neue Einwirkung |
 |
der nebenstehend dargestellte Button erzeugt einen
neuen Lastfall und ordnet diesen der aktuell ausgewählten
Einwirkung zu |
 |
ein Klick auf den nebenstehend dargestellten Button
löscht das aktuell ausgewählte Baumelement |
|
|
|
|
|
|
|
 |
|
|
Auf der Seite Lasten werden den tragenden
Elementen (Wandscheiben und Stützen) lastfallbezogen
Lastordinaten zugeordnet. |
| Handelt es sich bei dem aktuell ausgewählten
Lastfall nicht um einen benutzerdefinierten Lastfall, können
die Werte zwar eingesehen, aber nicht verändert werden.
Sie ergeben sich automatisch durch Superposition der in Register Kraftaufteilung ausgewiesenen Einheitsgrößen
mit den tatsächlichen am Gesamtgebäude (im ersten
Register) festgelegten Belastungen. |
|
 |
|
| Bei den benutzerdefinierten Lastfällen können
die Lastordinaten zunächst frei eingegeben werden. |
Es kann aber auch von der vom Programm angebotenen
Automatik Gebrauch gemacht werden.
Um hierauf umschalten zu können, werden im Seitenauswahlfenster
zwei Schaltflächen angeboten. |
|
 |
Der nebenstehend dargestellte Zustand des Auto-Schalters
besagt, dass nicht von der Automatik Gebrauch gemacht
werden soll. Die Tabelleninhalte bleiben frei editierbar.
Ist die Automatik gewünscht, muss der Auto-Schalter
aktiviert werden. |
 |
Die Tabelleninhalte werden blass gestellt als Hinweis
dafür, dass die Lastordinaten nun nicht mehr direkt
eingegeben werden können. Das Programm stellt sich
darauf ein, die Tabellen automatisch zu füllen. Um
diese Automatik zu steuern, muss die Schaltfläche
mit dem Schraubenschlüssel angeklickt werden. |
|
|
Je nachdem, ob es sich bei dem aktuellen ausgewählten
Lastfall um einen Lastfall vom Typ ständige Lasten
oder vom Typ veränderliche Lasten handelt, werden
zwei unterschiedliche Eigenschaftsblätter zur Bearbeitung
angeboten. |
| Zunächst wird das Eigenschaftsblatt für
lotrechte Eigengewichtslasten vorgestellt. |
|
 |
|
Hierin können die Einheiten aus
Wänden, aus Stützen und aus
Deckenplatten unabhängig voneinander
aktiviert
bzw. deaktiviert werden. |
| Bei aufgehenden Wänden und Stützen konstanter
Dicke und Materialeigenschaften kann das Eigengewicht automatisch
ermittelt werden. Grundlage hierfür sind die im zweiten
Register auf der Seite Wandscheiben hinterlegten Materialangaben.
Zusätzliche Lasten (wie z.B. Putz) können eingetragen
werden. Ein Multiplikator (etwa für die Anzahl der Geschosse)
liefert letztlich die Gesamtlast aus den Eigengewichten der
Wände und Stützen. |
| Entsprechendes gilt für das Eigengewicht
der Deckenplatten. Hier muss jedoch zusätzlich die anzuwendende
Verteilungsfunktion gemäß dem unter dem zweiten Register
auf der Seite Deckenplatte definierten Lastschema vorgegeben
werden. |
|
 |
|
| Das Eigenschaftsblatt zur Zusammenstellung der
lotrechten Verkehrslasten stellt eine reduzierte Menge der oben
beschriebenen Möglichkeiten dar und berücksichtigt
die auf den Geschossdecken anzusetzenden Nutz- bzw. Verkehrslasten. |
| Die Wand- und Stützenlasten können direkt
auf die Tragelemente aufgebracht werden. Die Lasten aus der
Deckenplatte werden prozentual gewichtet nach dem Modell biegestarre bzw. biegeschlaffe Platte unter Zuhilfenahme des gewählten
Lastschemas ermittelt. |
|
| Näheres hierzu unter |
|
|
|
|
|
|
|
|
|
 |
|
| Unter Register Ergebnisse können alle relevanten Ergebnisse des Rechenlaufs eingesehen
werden. |
| Auf den Seiten unter der Überschrift extremale Lasten der Einwirkungen sind die einwirkungsweise
überlagerten Lasten dargestellt. Diese werden zum einen
auf charakteristischem Niveau und zum anderen für die ständige
und vorübergehende Bemessungssituation faktorisiert ausgewiesen.
Als Extremale gelten |
 |
maximale bzw. minimale vertikale Lastordinate
qa am Scheibenanfang sowie deren Zugeordnete |
 |
maximale bzw. minimale vertikale Lastordinate qe am Scheibenende
sowie deren Zugeordnete |
 |
maximale bzw. minimale Horizontallast H sowie deren Zugeordnete |
 |
maximale bzw. minimale vertikale Lastresultierende V = (qa+qe)/2l
sowie deren Zugeordnete |
|
| Auf der Seite Summe der V-Lasten werden die Summen der vertikalen Lasten ausgewiesen. |
| Die Ermittlung erfolgt aus allen gegebenen
Einwirkungen außer Zwang, Vorspannung, Sonderlasten und
Erdbeben. |
Darüber hinaus werden bei den
veränderlichen Lasten die Kategorien Windlasten, Temperaturlasten
und Baugrundsetzungen ignoriert. Es handelt sich hier also i.W.
um die Resultierenden aus Eigengewicht
und (gemäß Kombination faktorisiert) Verkehr. Beispiel: |
|
 |
| |
| Auf den Seiten unter der Überschrift extremale Nachweislasten sind die überlagerten Lasten
für die zu führenden Nachweise dargestellt, die in
Lasten für den Tragfähigkeitsnachweis und für
den Gebrauchstauglichkeitsnachweis unterschieden werden. |
|
| Jeder Scheibe (Stütze) ist ein Satz
von Extremierungs-ergebnissen zugeordnet. |
| Die Nummer des Objekts und seine Lage im
Grundriss werden zur Orientierung dargestellt. |
| Die Ergebnisse für den Nachweis in
der ständigen und vorübergehenden Bemessungssituation
werden stets dargestellt. |
| Die Ergebnisse für die Erdbebenbemessungssituation
werden nur generiert (und bei den Nachweisen berücksichtigt),
wenn es eine Einwirkung vom Typ Erdbeben gibt. |
| Dasselbe gilt für die außergewöhnliche
Bemessungssituation. Hierzu muss eine vom Benutzer eingerichtete
Einwirkung vom Typ Sonderlast existieren. |
|
| Wird der Mauszeiger über dem einer
Ergebniszeile zugeordneten Lupensymbol positioniert, erscheint
ein Informationsfähnchen |
|
 |
|
| Diesem kann beispielhaft entnommen werden,
dass sich die in der Zeile ausgewiesenen Extremalen aus
dem 1.35-fachen des ersten Lastfalls (Eigengewicht), dem
1.5-fachen des zweiten Lastfalls (Nutzlasten) abgemindert
mit dem Kombinations- beiwert 0.7 sowie dem 1.5-fachen
des dritten Lastfalls (hier: Wind) zusammensetzen. |
|
 |
|
| Alle hier dargestellten Ergebniszeilen
der Extremalbildung auf der Seite Tragfähigkeit werden von den materialabhängigen Nachweisfunktionen einzeln nachgewiesen. |
| Der später ausgewiesene maximale
Ausnutzungsgrad einer Wandscheibe bzw. Stütze resultiert
also aus der für den Nachweis ungünstigsten Zeile. |
Auf der Seite Gebrauchstauglichkeit kann studiert werden, mit welchen charakteristischen Belastungen
in quasi-ständigen, in häufigen bzw. seltenen Fällen
zu rechnen ist. Die Faktorisierung wird gemäß DIN
1055-100 bzw.
EC 0 durchgeführt. |
| Einen schnellen Überblick über
die Nachweisergebnisse erhält man unter der Überschrift Ausnutzungsgrade, erforderliche Bewehrung auf der Seite Überblick. |
|
| Hier werden die maximal von den Nachweisfunktionen
ermittelten Ausnutzungsgrade zusammengestellt. |
| Bei Stahlbetonwänden werden darüber
hinaus an dieser Stelle die berechneten statisch erforderlichen
Längs- und Querbe-wehrungen angegeben. |
| Liegen alle ausgewiesenen Ausnutzungsgrade
im grünen Bereich (≤100%), kann der Nachweis aller
Tragglieder des betrachteten Geschosses als erfüllt
angesehen werden. |
| Liegen einige der Tragglieder deutlich unter
100%, kann über eine Optimierung der Materialeigenschaften
im Register Wandscheiben und Deckenplatte auf
der Seite Wandscheiben nachgedacht werden. |
| Liegen die Ausnutzungsgrade einzelner Tragglieder
über 100%, kann der Grund dafür auf den Nachfolgeseiten
materialabhängig eingesehen werden. |
|
 |
|
|
|
|
 |
|
Auf der Seite Holztafeln kann beispielsweise
eingesehen werden, dass der Ausnutzungsgrad der Scheibenbean-spruchung
einer bestimmten Holztafel unzulässig groß
ist
und dass es bei mindestens einer Lastkombination
zum Schubversagen der Beplankung kommt. |
| Hier muss im Materialeigenschaftsblatt
der betrachteten Scheibe eine verstärkende Maßnahme
erfolgen. |
| Nähere Informationen s. Nachweisoptionen
der Holztafeln. |
|
 |
|
|
|
|
|
|
 |
|
| Bei Mauerwerkswänden wird der Nachweis
in fünf senkrechten Nachweisschnitten, die kontinuierlich
zwischen Scheibenanfang und -ende angeordnet sind, jeweils
an der Oberkante, in Scheibenmitte und an der Unterkante
geführt. |
| Auf der Seite Mauerwerk können
die Ausnutzungsgrade in den so definierten Nachweispunkten
infolge Druck (blauer Hintergrund) und Schub (grüner
Hintergrund) eingesehen werden. Die Maximalwerte sind
fett hervorgehoben. |
Nähere Informationen s. Nachweise
der Mauerwerkswände
und Pfeiler |
|
 |
|
|
|
|
|
|
 |
|
Wie bei den Mauerwerkswänden wird auch
bei Stahlbetonwänden die Bemessung in fünf senkrechten
Nachweisschnitten,
die kontinuierlich zwischen Scheibenanfang und -ende angeordnet
sind, jeweils an der Oberkante, in Scheibenmitte und an
der Unterkante durchgeführt. |
| Auf der Seite Stahlbeton können
die Bemessungsergebnisse (statisch erforderliche horizontale
und vertikale Bewehrung), blau hinterlegt sowie die ermittelte
maximale Hauptdruckspannung und dem hierzu gehörenden
Ausnutzungsgrad (grün hinterlegt) eingesehen werden.
Die Maximalwerte sind fett hervorgehoben. |
| Der nebenstehend dargestellten Abbildung
kann entnommen werden, dass der maßgebliche Bemessungspunkt
an der Unterkante am Scheibenanfang liegt. |
| Nähere Informationen s. Stahlbetonbemessung |
|
 |
|
|
|
|
|
|
 |
|
| Auf der Seite Stahlverbände werden im oberen Bereich die Ausnutzungsgrade an den einzelnen
Traggliedern des Stahlverbandes (grüne Schraffur)
angetragen. |
| Dieser Skizze kann im Versagensfalle entnommen
werden, welches Tragglied (Riegel, Stiele, Diagonalen)
einen zu hohen Ausnutzungsgrad ausweist. |
| Im Falle geringer Ausnutzungen kann diese
Skizze auf Optimierungsmöglichkeiten einzelner Tragglieder
hinweisen. |
| Die Ausnutzungsgrade berechnen sich aus
den darunter angegebenen extremalen Schnittgrößen
(Momente, Querkräfte und Normalkräfte). |
| Nähere Informationen s.
Nachweisoptionen der Stahlverbände. |
|
 |
|
|
|
|
|
| freies Material (benutzerdefiniert) |
|
 |
|
| Auf der Seite Sonstige werden für
die Materialien frei, benutzer-definiert die
extremalen Lasten den vorgegebenen maximal zulässigen
Lasten in Form von Ausnutzungsgraden gegenübergestellt. |
|
 |
|
|
|
|
|
|
 |
|
| Entsprechende Informationen werden auch für
die den einzelnen Materialien zugeordneten Stützen ausgewiesen. |
|
|
|
|
|
| extremale Plattenverformungen |
|
 |
|
Unter der Überschrift extremale Plattenverformungen auf der Seite Verschiebungen der Eckpunkte werden die
extremalen Verschiebungen ux, uy und uz der Eckpunkte (Außenhaut) unter den Kombinationen der
DIN 1055-100
bzw. EC 0 quasiständig, häufig sowie selten dargestellt. |
| Man beachte, dass uz hier nur aus der
Festkörperverformung der starren Platte resultiert und
nicht etwa durch eine elastische Berechnung ermittelt wurde! |
|
|
|
|
|
|
 |
|
Unter der Überschrift Labilitätszahlen wird der formale Nachweis der Unverschieblichkeit mit Hilfe
der
Labilitätszahlen geführt. |
| Er ist nur für reine Stahlbetonbauten relevant,
wird jedoch auch mitunter für Mauerwerksbauten gefordert.
Beispiel |
|
 |
|
Wurde im Register System + Grundeinstellungen auf den Seiten Imperfektionen und/oder Erdbebenlasten der alternative Schalter automatisch gewählt, kann im Register Ergebnisse auf den Seiten
unter der Überschrift
Nachtrag nachvollziehbar überprüft werden, welche
Belastungen sich im Laufe der Berechnung ergaben. |
| Da hier speziell bei der automatischen Ermittlung
der Erdbebenlasten auch Statusmeldungen und Warnungen erscheinen, sollte diese Seite zum Projektabschluss inhaltlich
überprüft werden. |
|
|
|
|
|
|
 |
|
 |
|
| Wandtafeln |
|
 |
das Programm dient zur Berechnung
von Wandtafeln entsprechend der Holzbaunormen
DIN EN 1995-1 und
DIN 1052, Ausgabe 12/2008 |
|
 |
die Tafeln können ein- oder beidseitig beplankt
sein |
 |
als Belastung werden horizontale Einzellasten
und vertikale Strecken- und Einzellasten vorgegeben |
 |
die Eingabe des Wandaufbaus erfolgt über
das Registerblatt Aufbau. |
 |
die Nachweisoptionen werden im Registerblatt DIN
Bemessung eingegeben. |
|
|
| Beplankung |
|
| Für die Beplankung können folgende
Materialien gewählt werden. |
 |
OSB |
 |
Gipskarton |
 |
Sperrholz |
 |
Spanplatte |
 |
Faserplatte |
 |
Fermacell |
|
|
| Verbindungsmittel |
|
| Folgende Verbindungsmittel können gewählt werden. |
|
 |
glattschäftige Nägel |
 |
Sondernägel der Tragfähigkeitsklasse
1, 2, 3 bzw. A, B, C |
 |
Holzschrauben |
 |
SPAX - Schrauben |
 |
ASSY - Schrauben |
 |
Klammern |
|
|
| Nachweise |
|
Die zur Durchführung der Nachweise erforderlichen
Bemessungsschnittgrößen werden vom Programm
4H-HORA ermittelt. |
| Folgende Nachweise n. EC 5 bzw. DIN 1052:2008
werden vom Programm geführt. |
|
|
|
|
 |
|
| Das zweite Registerblatt im Hauptfenster der Wandscheibeneigenschaften
enthält die Felder für die Eingabe zum Aufbau der Wandscheibe. |
| Die Beplankung der Holzwandtafeln kann ein- oder beidseitig
erfolgen. |
|
 |
|
| Bild vergrößern |
 |
|
|
|
|
| Die Rippenabmessungen und die Beplankungsdicke werden
über die vermaßten Eingabefelder der Skizze eingegeben. |
|
| Sollen Rand- und Innenrippen
gleich sein, ist die entsprechende Option zu setzen. |
| Falls unterschiedliche Materialien oder Abmessungen vorgesehen
sind, ist die Option abzuwählen. |
|
|
|
|
| Mittels der Optionsknöpfe
und der Auswahlliste werden Holzart und -güte
der vertikalen Rippen gewählt. |
|
| Bei Wahl von Steico-, Wall- oder
Steico-Joist-Trägern werden die Eingabefelder für
Trägerbreiten und -höhen automatisch in Abhängigkeit
des gewählten Trägers eingestellt. |
|
|
|
|
| Sollen Fuß- und
Kopfschwelle gleich sein, ist die entsprechende Option zu setzen. |
|
|
|
|
| Mittels der Optionsknöpfe
und der Auswahlliste werden Holzart und -güte
des oberen und unteren Gurts gewählt. |
|
| Die Breite der Gurthölzer
wird im entsprechenden Eingabefeld eingegeben. |
| Die Höhe ist gleich der Höhe der vertikalen
Rippen und kann daher nicht gewählt werden. |
|
|
|
|
| Die vordere und hintere Beplankung und ihre jeweilige Stärke werden über die
Optionsknöpfe gewählt. |
|
| Sollen hintere und vordere
Beplankung gleich sein, ist die Option wie hinten zu setzen. |
|
|
|
|
| Standardmäßig
ist ein Rippenabstand von 62.5 cm voreingestellt. |
Ein Klick auf den -Button
bewirkt eine Freigabe des
ar-Eingabefelds,
so dass ein beliebiger Rippenabstand
eingegeben werden kann. |
|
| Optional kann links und rechts
ein Überstand der Gurthölzer eingegeben werden. |
| In Tafelebene ist der Gurt durch die
Beplankung gehalten und somit knickgesichert. |
Ist der Gurt senkrecht zur Wandebene nicht gehalten, wird durch
Deaktivieren des Buttons ein Knicknachweis geführt. |
|
|
|
|
|
|
|
|
 |
|
| Das dritte Registerblatt im Hauptfenster der Wandscheibeneigenschaften
enthält die Felder zur Eingabe der Verbindungsmittel und
der Nachweisoptionen. |
|
 |
|
| Bild vergrößern |
 |
|
|
|
| In der ersten und zweiten Spalte werden die Parameter
für die vordere und hintere Beplankung festgelegt. |
| In der dritten Spalte werden die zu führenden
Nachweise aktiviert. |
|
| Festlegung der Nutzungsklasse
der Beplankung |
|
 |
|
|
| Für vordere und hintere
Beplankung können unterschiedliche Nutzungsklassen
definiert werden. |
| Daher muss den Rippen eine der
beiden Nutzungsklassen aus vorderer oder hinterer
Beplankung zugeordnet werden. |
|
 |
|
|
| Über den dargestellten
Button im Registerblatt DIN werden
die Verbindungsmittelparameter zugänglich. |
|
 |
|
|
| Vorgabe der Anzahl der horizontalen
und vertikalen Beplankungsstöße |
|
 |
|
|
| Die Vertikallasten können
allein von den Rippen oder entsprechend der
Steifigkeitsverhältnisse anteilig von
Rippen und Beplankung gemeinsam aufgenommen
werden. |
|
 |
|
|
| Der Bemessungswert der längenbezogenen
Schubfestigkeit der Beplankung unter Berücksichtigung
der Tragfähigkeit der Verbindung und
der Platten sowie des Beulens wird entspr. DIN
1052:2008, 10.6, ermittelt. |
| Der Beiwert kv1 wird
dabei für Tafeln mit allseitig schubsteif
verbundenen Plattenrändern zu 1.0 gesetzt,
andernfalls zu 0.66. |
|
 |
|
|
| Gemäß [16], 9.2.4.2
(5), bzw. [1], 10.6 (4), gilt: |
| Werden bei Tafeln mit allseitig
schubsteif verbundenen Plattenrändern
für den Anschluss der Platten an die
Rippen stiftförmige Verbindungsmittel
verwendet, so dürfen die charakteristischen
Tragfähigkeiten nach Abschnitt 12 mit
um 20 % erhöhten Werten in Rechnung gestellt
werden. |
|
 |
|
|
| Schrauben mit einem Durchmesser
≥ 8 mm dürfen gemäß [15],
4.2, ohne Vorbohren nur in die Holzarten Fichte,
Tanne oder Kiefer eingeschraubt werden. |
|
 |
|
|
| Nach [16], 8.3.2(8), gilt: |
Für
Bauholz, das mit einer der Fasersättigung
entsprechenden oder diese übersteigenden
Holzfeuchte eingebaut wird und voraussichtlich
unter Lasteinwirkung austrocknet, sind die
Werte von fax,k und fhead,k mit
2/3
zu multiplizieren. |
|
 |
|
|
| Bei Verwendung von Douglasien
sind gemäß [15], A.1.4.1, bei nicht
vorgebohrten Schrauben die Mindestabstände
in Faserrichtung um 50% zu erhöhen. |
|
 |
|
|
|
|
|
|
|
|
|
|
|
|
|
|
|
 |
| |
 |
| über den dargestellten Button
im Registerblatt Beplankung werden die
Verbindungsmittel-parameter zugänglich. |
| In den drei Abteilungen Verbindungsmittel, Dimension und Optionen werden
alle erforderlichen Angaben zum Verbindungsmittel
eingestellt. |
| Im unteren Fensterbereich erscheinen
sofort die wichtigsten Ergebnisse der Tragfähigkeit
und der einzuhaltenden Randabstände; gültige
Werte werden grün, ungültige rot dargestellt. |
|
|
| |
 |
|
| Bild vergrößern |
 |
|
|
|
| Verbindungsmittel |
|
| Die erste Spalte im Registerblatt enthält
Angaben zum Verbindungsmitteltyp. |
|
|
| Wahl des Verbindungsmitteltyps |
| Ist die Wahl eines Typs aus bestimmten
Gründen nicht möglich, beispielsweise
Ringdübel A1 in Verbindung mit Stahllaschen,
wird der betreffende Typ blass dargestellt und ist
nicht auswählbar. |
|
|
|
 |
|
|
| DIN EN 1995 in Verbindung mit dem
NAD bzw. DIN 1052 geben dem Statiker verschiedene
Bemessungsverfahren an die Hand. |
Die Verfahren beruhen gemeinsam auf
der Theorie von
Johansen (1949). |
| Beim genauen Verfahren aus [16], 8.2.2,
bzw. [1], G.2, werden verschiedene auf der Fließgelenktheorie
beruhende Versagensfälle untersucht, von denen
derjenige mit der geringsten Tragfähigkeit
maßgebend wird. |
|
 |
| Da die Anwendung dieses Verfahrens
sehr aufwendig ist, steht alternativ das vereinfachte
Verfahren nach [17], 8.2 ff., bzw. [1], 12.2.2 und
12.2.3, zur Verfügung. |
In den Erläuterungen zur DIN
1052 [2] wird darüber hinaus die Möglichkeit
beschrieben, die Bemessungswerte
aufgrund der in [1], Anh. G.2, beschriebenen Versagensfälle
durch Einsetzen der Bemessungswerte von fh,d und My,d zu bestimmen. |
| Diese Variante liefert i.d.R. die
höchsten Tragfähigkeiten, da hier die
verschiedenen Einflüsse der Holzfeuchte und
der Lasteinwirkungsdauer am genauesten berücksichtigt
werden. |
|
|
| Eingabe des Verbindungsmittelabstands |
|
 |
|
| Zur Erhöhung der Tragfähigkeit
besteht die Möglichkeit, die Verbindungsmittel
mehrreihig anzuordnen. |
| Die Auswahl erfolgt über die
Listbox. |
|
 |
|
|
| Je nach gewähltem Verbindungsmitteltyp
erscheint eine Auswahl der möglichen Durchmesser
und Längen. |
|
 |
|
| Optionen |
|
| Im Folgenden werden die Besonderheiten der
verschiedenen Verbindungsmittel erläutert. |
|
 |
Nagelverbindungen |
|
 |
|
| Durch Aktivieren des Häkchens freie
Parameter wird die Eingabe freier
Verbindungsmittelparameter möglich. |
Soll der Herausziehwiderstand
Fax,Rk berechnet werden, sind
zusätzlich
die Eingaben des Kopfdurchmessers dk und der effektiven Länge lef erforderlich. |
|
 |
|
|
| Wegen der Spaltgefahr des
Holzes muss bei Nagelverbindungen ohne Vorbohrung
die Dicke t von Bauteilen aus Vollholz eine
Mindestholzdicke entspr. [16], 8.3.1.2(6)
bzw. [1], Gl. (218), eingehalten werden. |
|
 |
|
|
Der Herausziehwiderstand Fax,Rk ist bei vorgebohrten Verbindungen
= 0. |
|
 |
|
|
| Infolge des Einhängeeffekts
(Seilwirkung) darf ein Teil des Herauszieh-widerstands
Rax unter bestimmten Voraussetzungen
gemäß [4] zur Erhöhung des
Scherwiderstandes Rk angesetzt
werden. |
|
 |
|
|
| Gemäß [16], 9.2.4.2
(5), bzw. [1], 10.6 (4), gilt: |
|
| Werden bei Tafeln mit
allseitig schubsteif verbundenen Plattenrändern
für den Anschluss der Platten an die
Rippen stiftförmige Verbindungs-mittel
verwendet, so dürfen die charakteristischen
Tragfähigkeiten nach Abschnitt 12 mit
um 20 % erhöhten Werten in Rechnung
gestellt werden. |
|
 |
|
|
 |
Klammerverbindungen |
|
 |
|
| Um den Herausziehwiderstand
Fax ansetzen zu können,
müssen die Klammern geharzt sein. |
|
 |
|
|
| Infolge des Einhängeeffekts
(Seilwirkung) darf ein Teil des Herauszieh-widerstands
Fax unter bestimmten Voraussetzungen
gemäß [4] zur Erhöhung des
Scherwiderstandes Fv,Rk angesetzt
werden. |
|
 |
|
|
| Gemäß [16], 9.2.4.2
(5), bzw. [1], 10.6 (4), gilt: |
|
| Werden bei Tafeln mit
allseitig schubsteif verbundenen Plattenrändern
für den Anschluss der Platten an die
Rippen stiftförmige Verbindungs-mittel
verwendet, so dürfen die charakteristischen
Tragfähigkeiten nach Abschnitt 12 mit
um 20 % erhöhten Werten in Rechnung
gestellt werden. |
|
 |
|
|
|
|
 |
Schrauben |
|
 |
|
| Eingabe und Berechnung erfolgen i.W.
analog zu den Nagelverbindungen. |
Da weder in [16] noch in [17] Werte
für Auszieh- und Kopfziehparameter angegeben
sind, werden die Werte nach
[1],
Tab. 15, verwendet, sofern keine Unterlegscheibe
gewählt wurde. |
| Bzgl. der charakteristischen Werte
für die Ausziehparameter fax und
die Kopfdurchziehparameter fhead sind
Schrauben gemäß [1] und [17] in Tragfähigkeitsklassen
eingeteilt. |
| Die Klassen 1, 2 oder 3 legen den
Ausziehparameter f1,k fest; die Klassen
A, B oder C den Kopfdurchziehpar. f2,k. |
| d1 bezeichnet den Kerndurchmesser. |
| Die übrigen Optionen entsprechen
denen der Nägel. |
|
|
 |
SPAX-Schrauben |
|
 |
|
| Eingabe und Berechnung erfolgen
i.W. analog zu den Nagelverbindungen. |
Bzgl. der charakteristischen
Werte für die Ausziehparameter f1,k und
die Kopfdurchziehparameter f2,k werden die Werte gemäß [10],
[11]
und [12] verwendet. |
|
 |
|
|
 |
Würth-ASSY-plus VG-Schrauben |
|
 |
|
| Eingabe und Berechnung erfolgen
i.W. analog zu den Nagelverbindungen. |
Bzgl. der charakteristischen
Werte für die Ausziehparameter fax und
die Kopfdurchziehparameter fhead werden die Werte gemäß [14]
bzw. [15] verwendet. |
|
 |
|
|
| Schrauben mit einem Durchmesser
≥ 8 mm dürfen gemäß [15],
4.2, ohne Vorbohren nur in die Holzarten
Fichte, Tanne oder Kiefer eingeschraubt
werden. |
|
 |
|
|
 |
Sondernägel |
|
 |
|
| Eingabe und Berechnung erfolgen
i.W. analog zu den Nagelverbindungen. |
Bzgl. der charakteristischen
Werte für die Ausziehparameter fax,k
und die Kopfdurchziehparameter fhead,k sind Sondernägel gemäß [17],
NCI Zu 8.3.2, in Tragfähigkeitsklassen
eingeteilt. |
Die Klassen 1, 2 oder 3 legen
den Ausziehparameter fax,k fest;
die Klassen A, B oder C den Kopfdurchziehparameter
fhead,k. |
| Die Parameter werden [17],
8.3.2, Tab. NA.15, entnommen. |
|
 |
|
|
| Gemäß [17], NCI
Zu 8.3.2 (NA.13), bzw. [1], 12.8.1 (8),
darf bei Verbindungen mit Sondernägeln
in vorgebohrten Nagellöchern der charakteristische
Ausziehparameter f1,k zu 70 %
in Ansatz gebracht werden, wenn der Bohrlochdurchmesser
nicht größer als der Kern- durchmesser
des Sondernagels ist. |
| Bei größerem Bohrlochdurchmesser
darf der Sondernagel nicht auf Herausziehen
beansprucht werden. |
|
 |
|
|
| Zugfestigkeit des Stahls |
| |
| Die übrigen Optionen
entsprechen denen der Nägel. |
|
 |
|
|
| |
| Zum formelmäßigen Zusammenhang
s. unter 4H-HVMT, Verbindungsmittel. |
|
|
|
 |
| |
| Gemäß [37] wird im EC 5 der Schubfluss
nur namentlich erwähnt. Es werden daher im Folgenden
die gleichen Bezeichnungen wie in DIN 1052:2008 verwendet. |
| Im EC 5 ist kein Lastabtrag der Vertikallasten
über den Verbund zwischen Rippen und Beplankung
vorgesehen. Daher entfällt hier der Nachweis von sv,90,d. |
| Für die Tragfähigkeit der Beplankung
im Grenzzustand der Tragfähigkeit sind folgende Bedingungen
einzuhalten. |
|
|
|
|
 |
| |
| Für die Tragfähigkeit der
Beplankung im Grenzzustand der Tragfähigkeit
sind folgende Bedingungen einzuhalten. |
|
|
|
|
|
|
 |
|
| Für den Nachweis des Anschlusses an die
Fußrippe (Schwellenpressung) sind folgende Bedingungen
einzuhalten. |
|
|
|
|
 |
|
| Für den Nachweis des Anschlusses
an die Fußrippe (Schwellenpressung) sind folgende
Bedingungen einzuhalten. |
|
|
|
|
|
|
 |
|
| Der obere Gurt und die vertikalen Rippen werden
im Regelfall durch Drucknormalkräfte beansprucht. |
Der Nachweis erfolgt nach dem Ersatzstabverfahren.
Die nachfolgenden Gleichungen entstammen [16]
und wurden auf den Normalkraftanteil für Knicken in
eine Richtung reduziert. |
|
|
|
|
 |
| |
| Der obere Gurt und die vertikalen
Rippen werden im Regelfall durch Drucknormalkräfte
beansprucht. |
| Der Nachweis erfolgt nach dem Ersatzstabverfahren. |
|
|
|
|
|
|
 |
|
Da im EC 5 kein Verfahren zur Berechnung der
Verformung angegeben wird, erfolgt die Berechnung nach
[2],
8.7.5(8). |
| Die Kopfverschiebung wird in den Grenzzuständen
der Tragfähigkeit und der Gebrauchsfähigkeit nachgewiesen. |
|
| Die Gesamtverformung setzt sich aus vier Anteilen
zusammen. |
|
|
|
|
|
|
|
|
 |
|
|
|
|
| [1] |
|
DIN 1052 (12.08) |
| [2] |
|
Erläuterungen zu DIN 1052: 2004-08, Deutsche Gesellschaft
für Holzforschung, Bruderverlag |
| [3] |
|
DIN 1052, Praxishandbuch Holzbau, 1. Aufl., Beuth Verlag |
| [4] |
|
Fermacell, Zulassung Z-9.1-434 |
| [5] |
|
Steck: 100 Holzbau-Beispiele n. DIN 1052:2004, Werner
Verlag |
| [6] |
|
Tino Schatz: Diagramme zur Auswertung der Johansen-Formeln
für einschnittige Holz- bzw. |
|
|
Holzwerkstoff-Verbindungen, Bautechnik 86 (2009), Heft
4 |
| [7] |
|
Karin Lißner, Wolfgang Rug, Dieter Steinmetz: DIN
1052:2004 - Neue Grundlagen für Entwurf, |
|
|
Berechnung und Bemessung von Holzbauwerken, Bautechnik
85 (2008), Heft 11 |
| [8] |
|
Schneider Bautabellen, 17. Auflage, Werner Verlag |
| [9] |
|
Hans Joachim Blaß, Karlsruhe, Ireneusz Bejtka, Karlsruhe:
Selbstbohrende Holzschrauben und ihre |
|
|
Anwendungsmöglichkeiten, Homepage Fa. SPAX International
GmbH & Co. KG |
| [10] |
|
SPAX S-Schrauben mit Vollgewinde, Zulassung Z-9.1-519 |
| [11] |
|
SPAX Schrauben als Verbindungsmittel, Zulassung Z-9.1-235 |
| [12] |
|
SPAX Schrauben als Verbindungsmittel, Zulassung Z-9.1-449 |
| [13] |
|
SPAX Kurzübersicht "Holzbau", Website Fa. SPAX International
GmbH & Co. KG |
| [14] |
|
Würth ASSY VG plus Vollgewindeschrauben als Holzverbindungsmittel,
Zulassung Z-9.1-614 |
| [15] |
|
Würth: Selbstbohrende Schrauben als Holzverbindungsmittel
ETA-11/0190 |
| [16] |
|
DIN EN 1995-1-1:2010-12, Bemessung und Konstruktion von
Holzbauten, Teil 1-1: Allgemeines |
| [17] |
|
DIN EN 1995-1-1/NA:2010-12, Nationaler Anhang |
| [18] |
|
DIN 1052-10, Entwurf, Berechnung und Bemessung von Holzbauwerken,
Teil 10: Herstellung und Ausführung |
| [19] |
|
DIN EN 14545, Holzbauwerke, Nicht stiftförmige Verbindungselemente,
Anforderungen |
| [20] |
|
DIN EN 1194, Brettschichtholz |
| [21] |
|
DIN EN 13271, Holzverbindungsmittel, Charakteristische
Tragfähigkeiten und |
|
|
Verschiebungsmoduln für Verbindungen mit Dübeln
besonderer Bauart |
| [22] |
|
DIN EN 300, Platten aus langen, schlanken, ausgerichteten
Spänen (OSB) |
| [23] |
|
DIN EN 13986:2002, Holzwerkstoffe zur Verwendung im Bauwesen |
| [24] |
|
DIN EN 912, Holzverbindungsmittel, Spezifikationen für
Dübel besonderer Bauart für Holz |
| [25] |
|
DIN EN 338, Bauholz für tragende Zwecke, Festigkeitsklassen |
| [26] |
|
DIN EN 14592, Holzbauwerke, Stiftförmige Verbindungsmittel,
Anforderungen |
| [27] |
|
Europäische Technische Zulassung ETA-03/0050, Fermacell
- Gipsfaserplatte |
| [28] |
|
Fermacell, Europäische Technische Zulassung ETA-03/0050 |
| [29] |
|
Volker Krämer: Für den Holzbau, Aufgaben und
Lösungen nach DIN 1052, Bruderverlag |
| [30] |
|
Otto W. Wetzell: Wendehorst Bautechnische Zahlentafeln,
32. Auflage, Beuth-Verlag |
| [31] |
|
Holschemacher: Entwurfs- und Berechnungstafeln, 2. Auflage,
Bauwerk-Verlag |
| [32] |
|
DIN 18800-1 (11.90) |
| [33] |
|
Thiele/Lohse: Stahlbau Teil 1, B.G. Teubner Stuttgart |
| [34] |
|
DIN EN 1993-1-1, Eurocode 3: Bemessung und Konstruktion
von Stahlbauten - Teil 1-1 |
| [35] |
|
DIN EN 1993-1-1/NA, Nationaler Anhang - National festgelegte
Parameter - Eurocode 3: Bemessung und |
| |
|
Konstruktion von Stahlbauten - Teil 1-1 |
| [36] |
|
SPAX International GmbH & Co. KG: Hinweise zur Bemessung
von tragenden SPAX-Verbindungen |
| [37] |
|
Francois Colling: Aussteifung von Gebäuden in Holztafelbauart,
Ingenieurbüro Holzbau |
| [38] |
|
Becker, Rautenstrauch: Ingenieurholzbau nach Eurocode
5, Ernst & Sohn |
|
|
|
|
 |
|
 |
|
 |
das Programm ermöglicht die Berechnung der
Scheibenbeanspruchung von Brettsperrholzwänden |
 |
die Vorzugstypen der Hersteller
Züblin (Leno), Derix (X-Lam) und Merkle (X-Lam) sind bereits
angelegt |
 |
auch freie Aufbauten können definiert und in einer
Datenbank abgelegt werden |
 |
die Eingabe des Wandaufbaus erfolgt über das Registerblatt Aufbau |
 |
die Nachweisoptionen werden im Registerblatt DIN
Bemessung eingegeben |
|
|
Die zur Durchführung der Nachweise erforderlichen
Bemessungsschnittgrößen werden vom
Programm 4H-HORA ermittelt. |
| Folgende Nachweise nach EC 5 werden vom Programm geführt |
|
|
|
|
|
 |
|
| Das zweite Registerblatt im Hauptfenster der Vollholzwandeigenschaften
enthält die Eingabefelder zum Aufbau der Wandscheibe. |
|
 |
|
| Bild vergrößern |
 |
|
|
|
| Die Wanddicke ergibt sich automatisch aus dem
gewählten Wandaufbau und braucht nicht eingegeben zu werden. |
|
| Als Wandtyp muss Brettsperrholz gewählt werden. |
|
 |
|
|
|
| Mittels der Auswahllisten werden
Hersteller und Wandaufbau gewählt. |
|
Durch Aktivierung des Optionsknopfs Freies
Material wird ein Button zur Eingabe
des Aufbaus freigegeben. |
Ein Klick auf den Button Parameter öffnet ein Fenster zur Definition aller
notwendigen Angaben zum Wandaufbau. |
|
|
 |
|
|
 |
|
| Für jedes Material kann ein beliebiger Name festgelegt werden. |
Wird die Option Schmalflächen verleimt gewählt, entfällt der Nachweis der Torsionsschubspannungen
im Kreuzungspunkt. |
| Schubfestigkeit und Torsionsschubfestigkeit werden in den Eingabefeldern festgelegt. |
| In der Tabelle werden die
einzelnen Brettschichten mit ihrer Holzart, -güte,
Ausrichtung und Schichtdicke definiert. |
|
 |
| Mittels der
Bearbeitungsbuttons können Tabellenzeilen gelöscht,
kopiert oder hinten angefügt werden. |
|
|
|
 |
| Über den Datenbankbutton können die neu definierten Wandtypen gespeichert und für
andere Bauteile zur Verfügung gestellt werden. |
|
|
|
|
|
|
 |
|
| Das dritte Registerblatt im Hauptfenster der Wandscheibeneigenschaften
enthält die Felder zur Eingabe der Nachweisoptionen. |
|
 |
|
| Festlegung der Nutzungsklasse |
|
 |
|
|
|
|
|
|
|
 |
|
| Der Lastabtrag der Vertikalkräfte erfolgt
ausschließlich über die vertikal angeordneten Brettlagen. |
| Für den Stabilitätsnachweis wird das
Ersatzstabverfahren nach [16], 6.3.2, verwendet. |
Dieses Verfahren
berücksichtigt die Schubverformung der Querlagen und den dadurch
ggf. vorliegenden
nachgiebigen Verbund der
lastabtragenden Lagen nicht. |
Gemäß [40] ist jedoch der Einfluss
der Schubverformung der Querlagen auf die
Normalspannungsverteilungen von geklebtem Brettsperrholz
vernachlässigbar gering, sofern ein Verhältnis der Knicklänge lef zu Elementdicke d
von lef/d ≥ 20 vorliegt
[Winter/Kreuzinger/Mestek]. |
Zusätzlich muss gemäß Abschnitt
[41], NCI NA 9.3.3 (NA.150), folgendes Kriterium erfüllt sein, da
sonst die Schnittgrößen ebener Flächen mit Druckkräften aus
Scheibenbeanspruchung nach Theorie II. Ordnung zu
berechnen sind |
|
|
| Der Nachweis erfolgt nach dem Ersatzstabverfahren. |
|
Der Trägheitsradius i wird unter
Berücksichtigung des speziellen Querschnittsaufbaus nach folgender
Gleichung ermittelt |
|
| Ief,x und Aef,x enthalten nur die in Kraftrichtung wirksamen Querschnittsschichten. |
| Die Normalspannung wird entsprechend mit folgender Gleichung ermittelt |
|
|
|
|
|
 |
|
| Der aus der horizontalen Kopflast resultierende
Schubfluss erzeugt Schubbeanspruchungen in den einzelnen
Brettlagen. Die horizontalen und vertikalen Schichten müssen
getrennt voneinander betrachtet werden. |
| Der Schubfluss in
Elementebene aus einer horizontalen Kopflast Fd beträgt |
|
| Die resultierenden Schubspannungen in den
einzelnen Brettlagen ergeben sich für die vertikalen Lagen
zu |
|
| und für die horizontalen Lagen zu |
|
| Werden die Schmalseiten der Bretter
verleimt, gilt |
|
| Der Schubnachweis lautet n. EC 5, 6.17 (6.13) |
|
|
|
|
 |
|
Werden die Schmalseiten nicht verklebt, entstehen zusätzliche Torsionsmomente und damit
Torsionsschub-
spannungen in den Kreuzungspunkten. Das
Torsionsmoment eines Kreuzungspunkts beträgt |
|
Die resultierende maximale Torsionsschubspannung
in der Klebefuge des Kreuzungspunkts zweier Brettlagen
beträgt unter der Annahme einer linearen Verteilung |
|
| Werden die Schmalseiten der Bretter verleimt, gilt |
|
| Die charakteristische Torsionsschubfestigkeit ftor,k ist in den
allgemeinen bauaufsichtlichen Zulassungen geregelt. |
| I.d.R. wird dort ein Wert von 2,50 N/mm2 angegeben. Der Nachweis der Torsionsschubspannung lautet |
|
|
|
|
 |
| |
Die horizontale Wandverschiebung aufgrund einer
Einzellast Fd am Wandkopf setzt sich aus einem Biege-
und
einem Schubanteil zusammen. |
| Der Schubanteil beträgt |
|
|
| Der Biegeanteil beträgt |
|
| Die Verformung wird i.d.R. begrenzt auf h/100. |
|
|
|
|
 |
|
 |
| ETA-06/0009 / Binderholz, Brettsperrholz |
|
 |
| ETA-12/0327 / Eugen Decker, ED-BSP Elemente |
|
 |
| ETA-11/0189 / Derix, X-LAM |
|
 |
| ETA-06/0138 / KLH-Massivholzplatten |
|
 |
| ETA-10/0241 / Leno-Brettsperrholz |
|
 |
| ETA-18/1002 / Merkle X-Lam mit XL-Connect |
|
 |
| ETA-21/0568 / best wood CLT, Holzwerk Gebr. Schneider GmbH |
|
 |
| ETA-14/0349 / CLT - Cross Laminated Timber, Stora Enso Oy |
|
 |
| ETA-09/0036 / MM - crosslam, Mayr - Meinhof |
|
 |
| ETA-12/0281 / Hasslacher Cross Laminated Timber |
|
 |
| ETA-20/0023 / Pfeifer CLT Brettsperrholz |
|
 |
| ETA-19/0724 / BSP Ziegler Holztechnik |
|
 |
| ETA-20/0843 / Theurl CLTPLUS |
|
|
|
|
|
 |
|
 |
|
 |
das Programm ermöglicht die Berechnung der
Scheibenbeanspruchung von Brettstapelholzwänden |
 |
der Aufbau wird durch die Definition der verwendeten
Holzart sowie der Lamellendicke und -breite definiert |
 |
als Verbindungsmittel können Nägel, Schrauben oder
Klammern eingegeben werden |
 |
die Eingabe des Wandaufbaus erfolgt über das Registerblatt Aufbau |
 |
die Nachweisoptionen werden im Registerblatt DIN Bemessung eingegeben |
|
|
Die zur Durchführung der Nachweise erforderlichen
Bemessungsschnittgrößen werden vom
Programm 4H-HORA
ermittelt. |
| Folgende Nachweise nach EC 5 werden
vom Programm geführt |
|
|
|
|
 |
|
Das zweite Registerblatt im Hauptfenster der Vollholzwandeigenschaften
enthält die Eingabefelder zum
Aufbau der Wandscheibe. |
|
 |
|
| Bild vergrößern |
 |
|
|
|
| Die Wanddicke wird in der Maßkette
der Wanddarstellung eingegeben. |
|
| Als Wandtyp muss Brettstapelholz gewählt werden. |
|
 |
|
|
|
| Mittels der Auswahllisten werden
Holzart und Holzgüte der Lamellen gewählt. |
|
| Die Dicke der einzelnen Lamellen
muss ebenfalls vorgegeben werden. |
|
| Über den dargestellten Button
im Registerblatt DIN werden die Verbindungsmittel- parameter
zugänglich. |
|
 |
|
|
|
|
|
 |
|
| Das dritte Registerblatt im Hauptfenster der Wandscheibeneigenschaften
enthält die Felder zur Eingabe der Nachweisoptionen. |
|
|
|
| Festlegung der Nutzungsklasse |
|
 |
|
|
|
|
|
|
|
 |
|
| Der Lastabtrag der Vertikalkräfte erfolgt
über die vertikal angeordneten Brettstapel. |
| Ein Ausknicken ist dabei sowohl senkrecht zur
Wand- als auch in Wandebene möglich. |
Beim Ausknicken senkrecht zur
Wandebene hat nur die Lamellenbreite einen Einfluss. Das Knicken
in der
Wandebene ist abhängig von der Anzahl der zusammenwirkenden
Lamellen. |
|
| Knicken senkrecht zur Wandebene |
 |
|
| Der Nachweis erfolgt nach dem Ersatzstabverfahren. |
|
|
| Knicken in der Wandebene |
 |
|
| Die Knicklast kann gemäß [40], 4.5.1.1, wie folgt ermittelt werden |
|
|
|
|
 |
|
| Der Schubfluss td muss in den
Lamellenfugen durch die vorhandenen Verbindungsmittel übertragen
werden. |
| I.d.R. werden glattschaftige Nägel verwendet. Die Vernagelung
erfolgt zweireihig. |
| Um Kollisionen zu vermeiden, wird jeder zweite
Nagel einer Reihe ausgelassen und in der darüber liegenden Lage
versetzt vernagelt, so dass sich in jeder Brettlage ein
Zick-Zack-Muster ergibt. |
| Der Schubfluss errechnet sich zu |
|
| Der Nachweis lautet |
|
|
|
|
 |
|
| Die horizontale Wandverschiebung aufgrund einer
Einzellast Fd am Wandkopf beträgt |
|
|
| Die Verformung wird i.d.R. auf h/100 begrenzt. |
|
|
|
|
 |
|
| In 15 ausgezeichneten Punkten (in drei horizontalen
und fünf vertikalen Schnitten) werden die extremalen Bemessungsgrößen
mit ihren Zugehörigen nachgewiesen. |
| Die Ergebnisse werden extremiert und auf dem Bildschirm
ausgewiesen. |
| Es treten nur Normalkräfte über die
Wandhöhe und Querkräfte parallel zur Wandlaufrichtung
auf. |
| Näheres zur Ermittlung der Wandkräfte
s. Umrechnung der Belastung in Scheibenspannungen. |
|
|
| Vorschriften |
|
| Das Programm 4H-HORA unterstützt
die deutsche Norm DIN 1053-100 sowie die europäischen Eurocodes. |
| An dieser Stelle wird auf DIN EN 1996 (EC 6) für
Mauerwerk Bezug genommen. |
|
|
|
 |
|
Im Grenzzustand der Tragfähigkeit
ergibt sich die Bemessungsdruckfestigkeit
des Mauerwerks
n. DIN 1053-100, 9.9.1.1, bzw. EC 6, 2.4.1,
zu |
|
|
| Neben den
Materialparametern für Mauerwerk werden in Abhängigkeit der Bemessungssituation
folgende Werte n. DIN 1053-100, Tab.1, gesetzt |
|
|
|
| Nach EC 6, 2.4.3, 2.4.4, werden
die Sicherheitsbeiwerte im nationalen Anhang
geregelt, der Abminderungsbeiwert η ist
nur bei deutschen Anhängen (NA-DE) relevant. |
Nach DIN 1053-100, Tab. 1, wird
der Materialsicherheitsbeiwert γM um den Faktor k0 = 1.25 erhöht,
wenn
kurze Wände (d.h.
Wände mit Querschnittsflächen 400
cm2 < A < 1000 cm2)
bemessen werden sollen. |
| Wände mit Querschnittsflächen
A < 400 cm2 sind nicht tragend
und daher unzulässig. |
|
| Nach EC 6, 6.1.2.1(3), wird
der Erhöhungsfaktor berechnet zu |
|
|
|
|
|
|
|
|
 |
|
| Wände können n. DIN
1053-100 im Grenzzustand der Tragfähigkeit
bemessen werden auf |
|
 |
| Druck (DIN 1053-100,
9.9.1 bzw. EC 6, 6.1.2) und Knicken
(DIN 1053-100, 9.9.2 bzw. EC 6,
Anhang G) |
|
 |
| Schub (DIN 1053-100,
9.9.5 bzw. EC 6, 6.2) |
|
|
|
| Es wird eine zweiseitig gehaltene
Wand vorausgesetzt. |
| Druck- und Schubnachweis werden
für alle Bemessungspunkte der Wand geführt,
während das Knicken nur in Wandmitte,
d.h. in der mittleren Reihe der Wandpunkte
nachgewiesen wird. |
| Bei gleichzeitiger Anwahl von
Druck- und Knicknachweis wird je nach Lage
des Punktes entweder der Drucknachweis (obere
und untere Reihe) oder der Knicknachweis (mittlere
Reihe) geführt. |
Mauerwerk kann grundsätzlich
keine Zugspannungen aufnehmen. Wird ein Wandpunkt
bemessen, an dem
in einer Lastkombination
eine Zugnormalkraft auftritt, kann entweder
diese Last ignoriert oder ein Fehler
ausgegeben
werden. |
|
| Des Weiteren ist für die
seltene (charakteristische) Bemessungssituation
der Nachweis der |
|
 |
| planmäßigen
Exzentrizitäten (DIN 1053-100,
5.4, bzw. EC 6, NA-DE, 7.2) |
|
|
|
| im Grenzzustand der Gebrauchstauglichkeit
zu erbringen. Dieser Nachweis ist nur für
deutsche Normen relevant. |
| Er wird in der Bodenfuge in
Wandmitte (d.h. nur für den mittleren
unteren Wandpunkt) geführt. |
|
|
|
 |
| Drucknachweis (oben,
unten) |
|
|
|
|
|
|
|
|
|
|
|
|
 |
| Schubnachweis
(oben, unten) |
|
|
 |
|
| Nach DIN 1053-100, 9.9.5, bzw.
EC 6, 6.2, ist im Grenzzustand der Tragfähigkeit
nachzuweisen |
|
|
 |
| Begrenzung
der planmäßigen
Exzentrizitäten (GZG) |
|
|
 |
|
| Nach DIN 1053-100, 5.4, bzw.
EC 6, NA-DE, 7.2, dürfen klaffende Fugen
infolge der planmäßigen Exzentrizitäten
der einwirkenden Lasten höchstens bis
zum Schwerpunkt des Gesamtquerschnitts entstehen. |
| Nach DIN 1053-100 ist parallel
zur Wandebene die seltene (charakteristische)
Bemessungssituation zu verwenden; n. EC 6
wird in Wandlängsrichtung die häufige
Bemessungssituation angewendet. Es muss gelten |
|
|
|
|
|
|
|
|
 |
|
| Pfeiler nehmen nur Drucknormalkräfte
auf, die über die gesamte Pfeilerlänge
konstant wirken. |
| Es wird ein zweiseitig gehaltener
Pfeiler vorausgesetzt. |
| Pfeiler können bemessen
werden auf |
|
 |
| Druckbeanspruchung
(DIN 1053-100, 9.9.1, bzw. EC
6, 6.1.2) bzw. |
|
 |
| Knicken (DIN 1053-100,
9.9.2, bzw. EC 6, Anhang G), s.o. |
|
|
|
| Bei zweiachsiger Beanspruchung
kann ein Nachweis auf Doppelbiegung geführt
werden. |
| Hierzu wird der Abminderungsfaktor
als Produkt aus parallelem und senkrechtem
Anteil ermittelt |
|
Der Nachweis der Doppelbiegung
darf entfallen, wenn Biegung um die starke
Achse nicht maßgebend wird,
d.h. wenn gilt |
|
| Dieser Nachweis wird nur von
deutschen Normen (DIN 1053-100 bzw. EC 6,
NA-DE) verlangt. |
|
| Mauerwerk kann grundsätzlich
keine Zugspannungen aufnehmen. Tritt in einer
Lastkombination eine Zugnormalkraft auf, kann
entweder diese Last ignoriert oder ein Fehler
ausgegeben werden. |
|
|
|
|
| dieser isses |
|
| Weiterführende Informationen zur Nachweisführung
s. unter Mauerwerksnachweise. |
|
 |
|
Im Register Bemessung des Materialeigenschaftsblatts
für Stahlverbände wird festgelegt, ob und wie der
Tragfähigkeitsnachweis im Einzelnen entsprechend der im Eigenschaftsblatt Gebäudemodell festgelegten
Norm DIN 18800 bzw. EC 3 geführt werden soll. |
|
| DIN 18800 |
|
Sollen Nachweise n. DIN 18800 geführt
werden, kann festgelegt werden, ob die am Verband beteiligten
Stahlstäbe plastisch (n. El. 757) oder elastisch
(n. El. 747) nachgewiesen werden sollen. |
| Abhängig von dieser Entscheidung können
weitere bezogene Einstellungen vorgenommen werden. |
Letztlich kann hier festgelegt werden, ob
der verein-
fachte Beulnachweis über die grenz(b/t)-Verhältnisse
geführt werden soll. |
| Man beachte, dass der plastische Nachweis
nicht für allgemeine, über 4H-QUER importierte Querschnitte geführt werden kann! |
Weitere Informationen s. Handbuch
das pcae-Nachweiskonzept. |
|
 |
|
|
| Auf der rechten Seite des Eigenschaftsblatts kann festgelegt
werden, ob das Ersatzstabverfahren (Biegeknicknachweis n. DIN 18800-2,
Abs.3.2.1) für die Stiele angewendet werden soll. |
|
| Hier wird zunächst der bezogene Schlankheitsgrad
ausgewiesen. |
Für Profile des DTE®-Profilmanagers
kann die Knick-
spannungslinie (n. DIN 18800-2, Tab. 5) automatisch ermittelt
werden. |
| Wird diese Automatik nicht gewünscht
oder handelt es sich bei den Stielquerschnitten um aus 4H-QUER importierte Querschnitte, muss die zugrundeliegende
Knickspannungslinie (KSL) in der Auswahlliste vorgegeben
werden. |
| Der Parameter α wird automatisch (n.
DIN 18800-2, Tab. 4) ermittelt und der daraus berechnete
Abminderungsfaktor κ ausgewiesen. |
|
 |
|
|
| Eurocode 3 |
|
| Ist Eurocode als zugrundeliegende Norm gewählt
worden, ergibt sich ein entsprechender Dialog. |
|
| Der Nachweis wird i.d.R. nach dem Teilschnittgrößen-verfahren
nach Kindmann geführt, da hier die plastischen Reserven
des Querschnitts am besten ausgenutzt werden. |
| Wenn dies aufgrund der Querschnittsform
nicht möglich ist, schaltet das Programm automatisch
in den elastischen Nachweis um, bei dem der Vergleichs-spannungsnachweis
in den signifikanten Punkten des Querschnitts geführt
wird. |
|
 |
|
|
| Der Knicknachweis nach Eurocode verläuft
vollkommen analog zum Knicknachweis nach DIN 18800. |
Der einzige Unterschied besteht darin, dass
κ
hier χ heißt. |
|
 |
|
|
| Schnittgrößen |
|
| Da die Diagonalen bei Druck vereinbarungsgemäß
ausfallen sollen, liegt bei dem Stahlverband ein statisch bestimmtes
System vor. Die Schnittgrößen in den einzelnen Traggliedern
können unter Zuhilfenahme der Gleichgewichtsbedingungen direkt
angeschrieben werden. |
| Es ergibt sich gemäß der folgenden Abb. |
|
 |
|
| Die für den Tragfähigkeitsnachweis in der
gegebenen Bemessungssituation extremalen Lasten werden entsprechend
den o.a. Formeln in Schnittgrößen umgewandelt. |
| Diese Schnittgrößen werden dem Nachweisprozess
zugeführt. |
| Das Ergebnis ist ein ausgewiesener Ausnutzungsgrad,
der ggf. auf Reserven des Querschnitts hinweist. |
|
|
|
|
 |
|
| Vorschriften |
|
| Das Programm 4H-HORA unterstützt
die deutsche Norm DIN 1045-1 sowie DIN EN 1992 (EC 2) für
Stahlbeton. |
| Die folgende Beschreibung bezieht sich auf DIN
1045-1, Änderungen zum Eurocode sind gekennzeichnet. |
|
|
|
 |
| Im Grenzzustand der Tragfähigkeit
wird die Bemessungsdruckfestigkeit des Betons
berechnet mit |
|
| Der Dauerstandsbeiwert wird
angenommen zu |
|
| Die Bemessungszugfestigkeit
des Betonstahls ergibt sich zu |
|
|
|
|
|
|
|
|
 |
| In 15 ausgezeichneten Punkten
der Wandscheibe (in drei horizontalen und
fünf vertikalen Schnitten) werden die
extremalen Bemessungsgrößen mit
ihren Zugehörigen bemessen. |
| Die Ergebnisse werden extremiert
und auf dem Bildschirm ausgewiesen. |
| Es treten nur Normalkräfte
über die Wandhöhe und Querkräfte
parallel zur Wandlaufrichtung auf. |
|
| Näheres zur Ermittlung
der Wandkräfte s. Umrechnung
der Belastung in Scheibenspannungen. |
|
| Wände können nach
der vorgegebenen Vorschrift (s.o.) bemessen
werden |
|
 |
| auf Normalkraft
einschl. dem Nachweis der Hauptdruckspannungen
im Grenzzustand der Tragfähigkeit
(GZT) |
|
 |
| Rissnachweis im
Grenzzustand der Gebrauchstauglichkeit
(GZG) für die quasi-ständige
Einwirkungskombination |
|
|
|
| Nach Ermittlung der statisch
erforderlichen Bewehrung (Normalkraftbemessung)
wird das Ergebnis mit der eingegebenen Grundbewehrung
extremiert. |
| Diese Extremierung geht dann
als Anfangsbewehrung in den Rissnachweis zur
Begrenzung der Rissbreite unter Lastbeanspruchung
ein. |
| Wenn der Rissnachweis versagt,
wird die Bewehrung automatisch erhöht. |
| Außerdem wird bei Bedarf
die Ankerzugkraft im GZT sowie die Zugkeillänge
in der Wandbodenfuge berechnet. |
|
 |
Längskraftbemessung |
|
 |
|
| Im Grenzzustand der Tragfähigkeit
wird für die Bemessungs-Spannungsdehnungsbeziehungen
die erforderliche Bewehrung in den beiden
Bewehrungsrichtungen (vertikal, horizontal)
ermittelt. |
| Optional können die |
 |
| Mindestbewehrung
für Wände für die
vertikale Bewehrung |
|
|
|
|
 |
| Querbewehrung für
die horizontale Bewehrung |
|
|
|
| berücksichtigt werden. |
|
 |
Hauptdruckspannungsnachweis |
|
 |
|
| Der Bemessungswert der Druckstrebenfestigkeit
unter zweiachsigem Druck ist begrenzt durch |
|
|
 |
Rissnachweis |
|
 |
|
| Risse im Beton aus unbeabsichtigtem
Zwang (Erstrissbildung) sowie nach Lastaufbringung
(Endrissbildung) sind unvermeidlich, sollen
aber möglichst klein gehalten werden. |
| Daher werden zwei Teilnachweise
geführt. |
|
 |
| Mindestbewehrung
ohne Belastung |
|
|
|
|
 |
| Begrenzung der Rissbreite
unter Gebrauchslast |
|
Im Grenzzustand
der Gebrauchstauglichkeit (γc = γs = 1) wird
für die quasi-ständige
Einwirkungskombination
der Rissnachweis geführt. |
| Grundlage zur Ermittlung
der Stahlspannungen sind die wirklichkeitsnahen
Spannungsdehnungsbeziehungen für
den Beton, die für Verformungsberechnungen
herangezogen werden sollen. |
|
|
|
|
| Eine Überschreitung des
maximalen Bewehrungsgrades führt zu einer
Fehlermeldung. |
|
 |
Ankerzugkraft |
|
 |
|
| Wenn die Wand nicht
überdrückt ist, bildet
sich eine klaffende Fuge aus.
Die dort wirkende Zugkraft muss
i.A. verankert werden. |
| Die Zugkraft errechnet
sich zu |
|
| Die Kraft kann vereinfachend
als im Schwerpunkt des Zugkeils
(Länge lz) wirkend
angesehen werden. |
|
 |
|
|
|
|
|
|
|
|
 |
| Stützen nehmen nur Drucknormalkräfte
auf, die über die gesamte Stützenlänge
konstant wirken. |
| Im Programm wird eine Pendelstütze
vorausgesetzt, die nach der vorgegebenen Vorschrift
bemessen wird. |
|
 |
| Längskraftbemessung
bzw. Knicknachweis mit dem Modellstützenverfahren |
|
 |
|
|
|
| Nach Ermittlung der statisch
erforderlichen Bewehrung (Normalkraftbemessung)
wird das Ergebnis mit der eingegebenen Grundbewehrung
extremiert. |
| Diese Extremierung geht dann
als Anfangsbewehrung in den Rissnachweis zur
Begrenzung der Rissbreite unter Lastbeanspruchung
ein. |
| Wenn der Rissnachweis versagt,
wird die Bewehrung automatisch erhöht. |
|
 |
Längskraftbemessung |
|
 |
|
| Im Grenzzustand der Tragfähigkeit
wird für die Bemessungs-Spannungsdehnungsbeziehungen
die erforderliche Bewehrung ermittelt. Optional
kann die |
 |
| Mindestbewehrung für
Stützen |
|
| |
|
|
| berücksichtigt werden. |
|
 |
Knicknachweis |
|
 |
|
| DIN 1045-1 (8.6.3) |
|
| Einflüsse nach Th. II.
Ord. müssen erst berücksichtigt
werden, wenn gilt |
|
Das Modellstützenverfahren
(8.6.5) gilt für Druckglieder mit einer
Lastausmitte n. Th. I. Ord.
e ≥ 0.1·h, kann aber auch für Lastausmitten
e < 0.1·h angewendet werden. |
| Die Modellstütze ist eine
am Fuß eingespannte, symmetrisch bewehrte
Kragstütze der Länge l = l0/2,
die eine einfach gekrümmte Verformungsfigur
aufweist. |
| Die Übertragung auf anders
gelagerte Stützen erfolgt über die
Ersatzlänge l0. |
|
| Die Stütze wird bemessen
für |
|
| Die Gesamtausmitte nach Theorie
II. Ordnung ergibt sich zu |
|
|
| Eurocode (5.8.3) |
|
| Einflüsse nach Th. II.
Ord. müssen erst berücksichtigt
werden, wenn gilt |
|
|
| Das Berechnungsverfahren ist
ein Näherungsverfahren auf Grundlage
einer Nennkrümmung (5.8.8), wobei ein
Nennmoment mit einer geschätzten Verformung
n. Th. II. Ord. ermittelt und bemessen wird. |
| Es entspricht dem Modellstützenverfahren
n. DIN 1045-1, 8.6.5. |
|
| Die Stütze wird bemessen
für |
|
|
 |
Rissnachweis |
|
 |
|
| s. Bemessung der Wände |
|
|
|
|
|
|
|
|
|
 |
|
 |
|
 |
| Wird im zweiten Register Wandscheiben
+ Deckenplatte auf der Seite Deckenplatte der nebenstehend dargestellte Button angeklickt,
so erscheint das Eigenschaftsblatt zur Definition
von Aussparungen auf dem Sichtgerät. |
| Die Aussparungen sind dem jeweils
aktuell ausgewählten Lastschema zugeordnet. |
| Das Layout dieses Eigenschaftsblatts
ist nachfolgend dargestellt: |
|
|
|
 |
|
| Im oberen Bereich des Eigenschaftsblatts befinden
sich die Steuerbuttons. Sie haben folgende Bedeutungen |
|
 |
ein Mausklick auf dem nebenstehend dargestellten
Button leitet die Erzeugung einer neuen Fehlfläche
ein |
|
 |
ein Mausklick auf dem nebenstehend dargestellten Button
löscht die aktuell ausgewählte Fehlfläche |
|
 |
dieser Button ruft den DTE®-eigenen Taschenrechner
auf. Dies kann nützlich sein, wenn einzugebende
Werte zunächst durch Summierung von Maßkettenelementen
berechnet werden müssen. |
 |
dieser Button führt direkt zum Hilfetext |
|
 |
dieser Button beendet die Definition der Fehlflächen
und schließt das Eigenschaftsblatt |
|
|
| Im linken Fenster sind die aktuell definierten
Fehlflächen aufgelistet. Eine dieser Fehlflächen ist
stets ausgewählt (gelb hinterlegt). Die Geometrie der ausgewählten
Fehlfläche wird im rechten Fenster angezeigt. Mit Hilfe
des Optionsschalters vor der Fehlfläche kann eine Fehlfläche
deaktiviert werden. |
| Im rechten Fenster sind die Ausmaße der
aktuell ausgewählten Aussparung festzulegen. |
Aussparungen sind von einem bestimmten Typ, der
bei Erzeugung einer Aussparung festgelegt werden muss.
Mit dem Typ werden Art und Ort der Fehlfläche festgelegt. |
| Nachfolgend ist die Liste der verfügbaren
Typen dargestellt, die keiner weiteren Erläuterung bedarf. |
|
 |
|
|
|
 |
|
Im zweiten Register Wandscheiben + Deckenplatte auf der Seite Deckenplatte werden einem Lastschema
zugeordnete Einflussflächen generiert, die letztlich die
Lastordinaten der Wandscheiben und Stützen für das
Modell biegeweiche Platte zur Verfügung stellen.
An dieser Stelle wird der zugrunde liegende Algorithmus erläutert. |
|
Über die per Randabstände und Aussparungen
(Fehlflächen) gegebene Platte wird ein hinreichend
engmaschiges Raster gelegt. |
Jeder materielle Rasterpunkt sucht sich nun das
naheliegendste Unterstützungsobjekt (Wandscheibe bzw. Stütze)
und ordnet diesem Objekt seinen Flächenanteil zu. |
Rasterbereiche, die nicht eindeutig zugeordnet
werden können, werden weiter unterteilt bis eine hinreichend
genaue Einteilung besteht. |
|
| Je nach Geometrie der Platte und Anordnung
der Wände und Stützen können die
einer Wand zugeordneten Flächenanteile recht
komplexe Strukturen annehmen. |
| Nebenstehend ist beispielhaft eine
derartige Fläche über einer Scheibe dargestellt. |
| Während die Lasten im Bereich
M sich direkt rechtwinklig auf die Scheibe projizieren
lassen, beziehen sich die Lasten im Bereich A und
E auf den Anfangspunkt bzw. Endpunkt der Wand. |
|
 |
|
| Die Wandscheibe empfängt
die Lasten zunächst als ein Konglomerat unterschiedlich
großer Einzellasten, die die Wandscheibe an
unterschiedlichen Stellen belasten. |
In vielen Situationen
ergibt sich eine Konzentration an den Wandendpunkten
(s. nebenstehende Skizze). |
Da vereinbarungsgemäß
vertikale Lasten von der Scheibe nur in Form einer
veränderlichen Streckenlast aufgenommen werden
können, findet programmintern
eine momentenkonforme Umrechnung statt |
 |
 |
|
 |
|
Hierin ist ξi (0
≤ ξi ≤ 1 ) die genormte Laufkoordinate,
die den Ort der i-ten
Einzellast vom Anfangspunkt aus vermisst, und fi die Lastordinate der i-ten Einzellast
(l = Scheibenlänge). |
Durch die starken Randlasten kann
es in bestimmten Fällen dazu führen, dass
die
vordere oder hintere Lastordinate ihr Vorzeichen
wechselt: Es entsteht dann am weniger belasteten
Ende der Wandscheibe eine Zugspannung. |
|
 |
|
|
|
|
 |
|
 |
Wird der nebenstehend dargestellte Button
im 4H-HORA-Hauptfenster angeklickt, so erscheint
ein kleines symbolisches Untermenü, das die nachfolgend
beschriebenen Funktionen anbietet. |
|
 |
dieser Button ruft ein Eigenschaftsblatt auf, in dem
die Druckoptionen für die auszugebende Druckliste
bearbeitet werden können (Erläuterungen s. unten) |
|
 |
dieser Button ruft den DTE®-eigenen Drucklisten-Viewer
auf, der die Druckliste auf der Grundlage der aktuell
festgelegten Optionen auf dem Sichtgerät einblendet |
|
 |
dieser Button ruft den DTE®-Druckmanager
auf. Dieser ermöglicht die Ausgabe auf einem Drucker |
|
|
| Im Eigenschaftsblatt Optionen zur Druckliste ist jedem Element (Grafik oder Tabelle) des Ausgabedokuments
ein Optionsschalter zugeordnet, mit dem festgelegt wird, ob
das Element gedruckt werden soll oder nicht. |
|
 |
|
| Wird ein übergeordneter Optionsschalter abgewählt
(z.B. Windlasten),
so wird keines der zugeordneten Elemente (Basisdaten, Wind von links usw.) ausgegeben. |
|
| Die Schaltflächen oberhalb der Liste bewirken |
|
 |
dass ein Verwaltungseigenschaftsblatt aufgerufen
wird, in dem die aktuellen Schalterstellungen unter einem
bestimmten Namen gespeichert - oder ein bereits namentlich
gespeicherter Satz von Optionsschalterstellungen geladen
werden kann. Auf derart gespeicherte Zustände kann
auch in anderen 4H-HORA-Projekten zugegriffen werden. |
 |
die unter DTE® als Voreinstellung definierten
Schalterstellungen werden geladen |
 |
die DTE®-Voreinstellung wird mit dem
aktuellen Zustand der Schalterstellungen überschrieben.
Dies sorgt dafür, dass ein unter DTE® neu einzurichtendes 4H-HORA-Projekt genau diese
Schalterstellungen übernimmt. |
 |
alle Schalter werden gesetzt. Dies definiert den maximalen
Umfang der Druckliste. |
 |
alle Drucklistenelemente werden abgewählt. Diese
Aktion bewirkt zunächst, dass die Druckliste aus
einer leeren Seite besteht. Der Einsatz dieses Schalters
ist trotzdem sinnvoll, wenn nur eine bestimmte Tabelle
ausgegeben werden soll, die dann natürlich wieder
angewählt werden muss. |
 |
diese Schaltfläche ruft diesen Hilfetext hervor |
 |
mit dieser Schaltfläche wird der Inhalt des Eigenschaftsblatts
bestätigt und das Eigenschaftsblatt geschlossen |
|
|
| benutzerdefinierte Anmerkungen |
|
Den Hauptkapiteln des Ausgabedokuments können benutzerdefinierte Anmerkungen zugeordnet werden,
um z.B. Hintergrundinformationen und Erläuterungen anzubieten. |
| Wie alle Drucklistenelemente können auch die benutzerdefinierten Anmerkungen an- bzw. abgewählt werden. Die hierzu gehörenden Zeilen sind den einzelnen Ausgabeblöcken zugeordnet und werden wie folgt angeboten |
|
Ein Klick auf das Buntstiftsymbol öffnet ein Fenster, in dem der Text eingegeben, geändert oder ergänzt
werden kann. Ist einem Block noch kein Text zugeordnet, erscheint die entsprechende Zeile wie folgt |
|
|
|
|
 |
|
| Auf dieser Seite werden die Einstellmöglichkeiten
auf der Seite Steifigkeiten im Register System
+ Grundeinstellungen erläutert. Sie haben unmittelbaren
Einfluss auf das Ergebnis der Kraftaufteilung und somit auch
auf die Ergebnisse der Extremalbildung und der materialabhängigen
Nachweise. |
|
 |
|
|
| Steifigkeitskennwerte für eine Horizontalkraft |
|
 |
| Im oberen Bereich der Seite werden Optionsschalter
zur Berechnung der Steifigkeitskennwerte für eine Horizontalkraft
zur Bearbeitung angeboten. |
Die Horizontallast am Kopf der Wandscheibe in
Scheibenrichtung bewirkt eine Verformung der Wandscheibe, aus
deren Kehrwert die Steifigkeit der Scheibe gegenüber einer
Horizontallast berechnet wird. |
Das Verformungsverhalten ist naturgegeben materialabhängig,
sodass die Einstellungen materialbezogen
vorgenommen werden können. |
Voreingestellt sind alle Verformungseinflüsse
angewählt. Eine Abwahl sollte nur in begründeten Fällen
vorgenommen werden. Durch Abwahl eines Optionsschalters wird
die Scheibe möglicherweise steifer
angenommen als sie tatsächlich ist.. |
Im unteren Bereich der Seite werden Einflüsse
der Plattensteifigkeit (sowie der Steifigkeit des gesamten Überbaus)
zur prozentualen Abschätzung angeboten, die im Folgenden
diskutiert werden. |
|
|
|
|
|
| Plattensteifigkeit zur Aufnahme der Biegemomente |
|
 |
Erfährt die Kopfplatte ein Moment Mx oder My (etwa als Ergebnis
einer Windlast,
deren Resultierende im oberen Bereich des
Überbaus
wirkt), wird sich die Platte wie nebenstehend dargestellt
verdrehen. |
| Wird die Kopfplatte gemeinsam mit dem Überbau
als ideal starr angesehen, stellt sich eine reine Festkörperverformung
ein: Die Platte bleibt auch im verformten Zustand eben. |
| Dies bewirkt, dass exzentrisch zum elastischen
Schwerpunkt der Scheiben liegende Wände (und Stützen)
gedrückt oder gezogen werden und entsprechend mit
Normalkräften reagieren. |
| Diese Normalkräfte, wie auch die verteilten
Streckenlasten in der mittleren Scheibe (s. Skizze oben)
stehen im Gleichgewicht mit dem äußeren Moment.
Die Kräfte in den äußeren Wänden
und Stützen haben hierbei i.d.R. einen nicht unmaßgeblichen
Anteil. |
| Wird die Kopfplatte mitsamt dem Überbau
als ideal biegeschlaff angesehen, wird sich die Platte
entsprechend nachgiebig verformen. Ein Zusammenpressen
bzw. Strecken der exzentrisch liegenden Wände und
Stützen bleibt aus. |
| Es werden keine maßgeblichen Kräfte
eingetragen. Da trotzdem Gleichgewicht mit dem äußeren
Moment gewährleistet sein muss, erhöhen sich
die Ordinaten der verteilten Streckenlasten in den senkrecht
zur Momentenachse ausgerichteten Scheiben. |
|
 |
|
|
| Betrachtet man die offensichtliche
Analogie zwischen den hier diskutierten Scheiben und Stützen
mit der Theorie zur Berechnung von Trägheitsmomenten gegebener
Querschnitte, so ergibt sich durch Aufgabe der Annahme vom Ebenbleiben
des Querschnitts eine Reduzierung des Steineranteils: Die Einzelteile
des Querschnitts tragen unabhängig voneinander nur noch
über ihr Eigenträgheitsmoment. |
| Die Voreinstellung für die Plattensteifigkeit
zur Aufnahme der Biegemomente ist programmintern mit 50% festgelegt. |
Im reinen Holztafelbau sollte der
Wert sicherheitshalber auf etwa 20-30% abgemindert werden. Da
bei der hier
üblichen
2- bis 3-geschossigen Bauweise keine großen Momente zu
erwarten sind, wird dies selten zu nachweistechnischen Problemen
führen. |
Im Massivbau mit hohen wuchtigen Überbauten
und durch durchgehende Bewehrungsführung in monolitisch
miteinander verbundenen Traggliedern kann der Wert realistischer
Weise auf 75% erhöht werden, wie Vergleichs-
rechnungen mit 4H-ALFA3D gezeigt haben. |
Im Zweifelsfalle sollte der Wert nach
vollständiger Eingabe unter Beobachtung der Bemessungsergebnisse
variiert werden. |
|
|
|
|
|
|
| Plattensteifigketi zur Aufnahme der Vertikallasten |
|
 |
| Vertikale Lasten bestehen zum einen aus
den Eigengewichtslasten übereinander stehender Wände
und Stützen. Diese bereiten i.d.R. keine Probleme,
da sie unmittelbar in die Wände (bzw. Stützen)
des nachfolgenden Geschosses weitergeleitet werden. |
| Anders ist dies bei den Eigengewichts- und
Nutzlasten von Decken insbesondere dann, wenn keine elastische
Berechnung der Platten zugrunde liegt. Auch hier unterscheidet 4H-HORA zwischen zwei extremen Modellen, die gewichtet
zum Einsatz kommen. |
Zunächst wird wieder von der biegestarren
Kopfplatte ausgegangen. Diese drückt die tragenden
Wände und Stützen relativ gleichmäßig
zusammen, sodass diese mit einer Druckspannung reagieren,
die im Gleichgewicht mit den äußeren Lasten
steht. Ist der Schwer-punkt der Belastung nicht identisch
mit dem elastischen Schwerpunkt der Scheiben und Stützen,
so stellt sich gleichzeitig eine Schiefstellung ein.
Aber - die Kopfplatte bleibt eben! |
| Das andere Extrem ist die biegeschlaffe
Kopfplatte, die man sich als "nasses Handtuch" vorstellen
mag, das über die Wände und Stützen gespannt
wird. Die Lasten "flüchten" hierbei zum jeweils nächstliegenden
Lager, was mit Hilfe von Einflussflächen - wie nebenstehend
beispielhaft dargestellt - programmintern realisiert wird. |
| Es handelt sich hierbei um eine früher
häufig gebräuchliche Methode der Lastverteilung,
die auch unter dem Begriff Walmdach-Analogie bekannt ist. |
|
 |
|
|
| Einflussflächen
werden im Register Wandscheiben + Deckenplatten auf
der Seite Deckenplatte definiert. Hier kann die Deckenplatte
über die Definition von Randabständen und Aussparungen
modelliert werden. |
| Die Berechnung der Flächenanteile
erfolgt automatisch. Das Ganze ergibt ein Lastschema, auf das
bei der Vorgabe benutzerdefinierter Lasten im Register Belastung auf der Seite Lasten durch Aktivierung des Automatikschalters
Bezug genommen werden kann. |
| Um etwa Verstärkungen
oder erhöhten Lasten in Teilbereichen gerecht zu werden,
können mehrere Lastschemata definiert werden. |
| Die Voreinstellung für
die Plattensteifigkeit zur Aufnahme der vertikalen Lasten ist
programmintern mit 0% festgelegt. |
| Vergleichsrechnungen
haben gezeigt, dass die hier beschriebene Methode der Einflussflächen
stets bessere Ergebnisse liefert als das Modell der starren
Kopfplatte. |
| Letztendlich ist noch
die Möglichkeit gegeben, durch direkte Eingabe Einheitsordinaten
vorzugeben, die etwa aus den Auflagerreaktionen einer vorab
durchgeführten Plattenberechnung resultieren. |
|
|
|
|
|
|
| Berücksichtigung der Wölbkräfte |
|
 |
| Eine im Kopfbereich horizontal belastete
Scheibe reagiert mit zwei Verformungsanteilen: |
Eine horizontale Verschiebung in Kraftrichtung
infolge der Schubbean-
spruchung sowie ein Biegeanteil wie
nebenstehend dargestellt. |
| Beim Biegeanteil wird die äußere
senkrechte Faser am Scheibenanfang gedehnt und am Scheibenende
gestaucht, was zum hier dargestellten Verformungsbild
führt: Der Eckpunkt am Scheibenanfang bewegt sich
nach oben und der Eckpunkt am Scheibenende bewegt sich
nach unten. |
|
 |
|
|
|
| dieser isses |
|
| Bei den bisherigen Betrachtungen konnte eine Horizontalkraft
Hx bzw. Hy wie auch ein Moment Mz nur Horizontalkräfte in den Scheiben wecken. Bei diesen
Belastungsarten galt stets: qai = qei = 0 für alle betrachteten Scheiben i. |
|
|
Betrachtet sei nun eine Gruppe von Scheiben
wie nebenstehend dargestellt.
Sie bilden gemeinsam die Figur eines Doppel-T-Trägers,
sind jedoch nicht kraftschlüssig miteinander verbunden
(Abb. A). |
| Die auf der (starren) Kopfplatte wirkende
Horizontalkraft Hx bewirkt, dass die Scheiben
(1) und (3) keine Kräfte aufnehmen, da sie senkrecht
zur Kraftrichtung angeordnet sind. Sie kippen widerstandslos
um ihren Fußpunkt. Die Wandscheibe (2) wird allein
die volle Kraft in der Größe Hx aufnehmen müssen und reagiert durch eine entsprechende
Verformung (vgl. Abb. B). |
| Besteht nun ein monolithischer Kraftschluss
zwischen den Wandscheiben und dem als relativ starr angesehenen
Überbau, so wird sich die Kopfplatte insbesondere
gegen eine vertikale Verformung wehren. Sie wird die Scheiben
entsprechend drücken bzw. ziehen, um die Oberkanten
der Scheiben auf ein (leicht gekipptes) ebenes Niveau
zu bringen. Hierdurch werden senkrecht wirkende Kräfte
in die Scheiben eingetragen (vgl. Abb. C - blau=Zug, rot=Druck). |
| Diese Kräfte bilden stets eine Gleichgewichtsgruppe
deren Größenordung jedoch nicht unterschätzt
werden darf. Sie resultieren aus der Verwölbung der
Scheibenoberkanten zueinander und werden deshalb "Wölbkräfte"
genannt. |
| Entsprechendes gilt für eine Belastung
der Kopfplatte durch ein Moment Mz. Hierbei
werden die "Flansche" (1) und (3) durch gegensätzlich
gerichtete Horizontalkräfte belastet, die über
ihren Hebelarm mit dem äußeren Moment im Gleichgewicht
stehen. Eine entsprechende Verformung (Abb. D) wird von
der starren Kopfplatte unterbunden, was zu den vertikal
eingetragenen Kräften führt (Abb. E). |
|
 |
|
| Die bereits bemühte Analogie zur Theorie
der Querschnitte zeigt ein ähnliches Verhalten der
Scheibensysteme mit den Wölbtorsionsspannungen dünnwandiger
Querschnitte an. |
| Die Voreinstellung für die Berücksichtigung
der Wölbkräfte ist programmintern mit 0% festgelegt. |
| Bei Systemen, bei denen die hinreichende
Steifigkeit des Überbaus und der kraftschlüssige
Verbund zwischen den Wandscheiben und dem Überbau
nicht gewährleistet ist, sollte man es bei dem Wert
belassen. |
|
 |
|
|
|
| Zusammenfassung |
|
| Das vorliegende Problem kann als reines
Verteilungsproblem angesehen werden. |
| Die Frage ist: Wie verteilen sich die äußeren,
auf der Kopfplatte angesetzten Kräfte auf die definierten
Scheiben und Stützen? |
| Festzustellen ist: Alle hier vorgestellten
Modelle stehen mit den äußeren Kräften
im Gleichgewicht. |
| Hierdurch ist gewährleistet, dass auch
prozentual gewichtete Einflüsse unterschiedlicher
Modelle stets einen Gleichgewichtszustand bilden. |
| Die Möglichkeit, prozentuale Wichtungsfaktoren
vorgeben zu können, soll den Benutzer in die Lage
versetzen, ein möglichst dem gegebenen System angepasstes,
realistisches Modell auszuwählen. |
|
 |
|
| Im Zweifelsfalle bietet 4H-HORA die hervorragende Möglichkeit, für
unsicher empfundene Angaben im Register System + Grundeinstellungen zu variieren und die Reaktion des Systems unmittelbar im Register Ergebnisse zu studieren. |
|
|
|
 |
|
| Der Bemessungsprozess für Stahlbetonscheiben
sowie das Nachweisprogramm für Mauerwerkswände erwarten
Scheibenspannungszustände in diskreten Punkten der Scheibe. |
| Auf dieser Seite wird erläutert,
wie diese aus den gegebenen Belastungen qa, qe und H ermittelt
werden. |
In der nachfolgenden Abbildung ist
die Scheibe mit der Höhe h, der Länge l und der Dicke
t sowie ihrer
Belastung dargestellt. |
Die Scheibe wird vermessen vom ξ-η-Koordinatensystem,
dessen Nullpunkt sich in der oberen linken
Scheibenecke befindet. |
Daneben sind die Anteile des klassischen
Scheibenspannungszustandes (auch ebener Spannungszustand
genannt) dargestellt. |
| Da die Scheibendicke stets konstant
ist, wird vereinfachend mit den Größen nxx,
nyy und nxy gerechnet. |
|
 |
|
| Die vertikalen Lasten können
von der Scheibe über nyy direkt aufgenommen
und in die Lagerebene weitergeleitet werden. Die Lagerung wird
hierbei als zwängungsfrei angenommen. |
| Es ergibt sich |
|
 |
|
| Das Vorzeichen resultiert hierbei
aus der Konvention, Druckspannungen mit negativen Vorzeichen
zu versehen. |
| Die Horizontallast wird über
die Schubspannung von der Scheibe aufgenommen. Horizontale Druck-
bzw. Zugspannungen treten nicht auf. |
| Für die Schubspannung gilt, dass
das Integral der Schubspannungen horizontal über die Länge
l aufgespannt im Gleichgewicht mit der eingetragenen Horizontalkraft
sein muss. |
| Des Weiteren gilt nxy(ξ=0)
= nxy(ξ=l) = 0. |
| Mit Hilfe eines parabelförmigen
Ansatzes ergibt sich in Anlehnung an die bekannte Dübelformel |
|
 |
|
| Mit zunehmendem η wird von der
Horizontalkraft ein Moment aufgebaut. Ein linearisierter Spannungsverlauf
nyy reagiert darauf in horizontalen Schnitten aus
Gleichgewichtsgründen wie folgt: |
|
 |
|
| Die Spannungsanteile aus vertikaler
Belastung und Horizontalkraft können addiert und in diskreten
Punkten (ξ,η) ausgewertet werden. 4H-HORA legt
hierzu ein regelmäßiges Raster mit fünf vertikalen
und drei horizontalen Schnitten über die Scheibe. |
| Es ergeben sich 15 Nachweis- bzw.
Bemessungspunkte, in denen die Spannungen für jede Kombination
des Tragfähigkeitsnachweises ermittelt und nachgewiesen
bzw. bemessen werden. |
|
 |
|
|
|
 |
|
Ermittlung des Bemessungsspektrums nach Eurocode
unter Anwendung des nationalen Anhangs DIN EN 1998-1/NA:2021-07 |
 |
|
Wird im ersten Register System + Grundeinstellungen auf der Seite Erdbebenlasten der alternative
Schalter automatisch aktiviert, wird 4H-HORA damit beauftragt, die Erdbebenlasten
mit Hilfe weniger Vorgaben
automatisch zu ermitteln. |
|
Hierbei wird das vereinfachte Antwortspektrenverfahren
nach DIN EN 1998-1/NA:2021-07 Anhang NA.D zugrunde gelegt. |
|
| Zunächst muss das Bemessungsspektrum nach DIN EN 1998-1/NA:2021-07, Bild NA.2, ermittelt werden. Hierzu dienen die nebenstehend dargestellten Angaben. |
|
| Die geologische
Untergrundklasse kann beim Programm 4H-WUSL abgefragt werden. |
| Bei den Baugrundklassen wird zwischen
A, B und C unterschieden. |
| Die Wichtigkeit des Bauwerks zum Schutz
der Allgemeinheit unterscheidet vier Bedeutungskategorien. |
|
 |
|
|
| Baugrundklassen |
Bedeutungskategorien |
|
| A |
| unverwitterte (bergfrische)
Festgesteine mit hoher Festigkeit |
|
| B |
| mäßig
verwitterte Festgesteine bzw. Festgesteine
mit geringerer Festigkeit oder grobkörnige
(rollige) bzw. gemischtkörnige Lockergesteine
mit hohen Reibungs-eigenschaften in dichter
Lagerung bzw. in fester Konsistenz (z.B. glazial
vorbelastete Lockergesteine). |
|
| C |
| stark bis völlig
verwitterte Festgesteine oder grobkörnige
(rollige) bzw. gemischtkörnige Lockergesteine
in mitteldichter Lagerung bzw. in mindestens
steifer Konsistenz oder feinkörnige (bindige)
Lockergesteine in mindestens steifer Konsistenz. |
|
|
| I |
| Bauwerke von geringer
Bedeutung für die öffentliche Sicherheit,
z.B. landwirtschaftliche Bauten |
|
| II |
| gewöhnliche
Bauten, die nicht zu den anderen Kategorien
gehören, z. B. Wohngebäude |
|
| III |
| Bauwerke, deren
Widerstandsfähigkeit gegen Erdbeben im
Hinblick auf die mit einem Einsturz verbundenen
Folgen wichtig ist, z.B. große Wohnanlagen,
Verwaltungsgebäude, Schulen, Versammlungshallen,
kulturelle Einrichtungen, Kaufhäuser
usw. |
|
| IV |
| Bauwerke, deren
Unversehrtheit im Erdbebenfall von Bedeutung
für den Schutz der Allgemeinheit ist,
z.B. Krankenhäuser, wichtige Einrichtungen
des Katastrophenschutzes und der Sicherheitskräfte,
Feuerwehrhäuser usw. |
|
|
|
| Der maßgebliche anzugebende Wert lautet SaP,R. |
Er stellt den Plateau-Wert des Bemessungsspektrums
für die geologische Untergrundklasse R,
die Baugrundklasse A und die Bedeutungskategorie II dar. |
| In DIN EN 1998-1/NA:2021-07,
Anhang NA.I, wird auf eine zur Norm gehörende Datei SapR.csv mit normativem Charakter verwiesen, die Stützstellen für den
SaP.R-Wert innerhalb Deutschlands enthält. |
| Zwischen diesen Stützstellen darf der SaP,R-Wert linear interpoliert werden. |
|
| 4H-HORA bietet nach Klicken der Schaltfläche ermitteln ein Werkzeug an, mit dem der Wert nach Vorgabe des Bauwerksstandorts automatisch ermittelt werden kann. |
|
| Mit Eingabe der bis hierhin erläuterten Werte
liegt das Bemessungsspektrum fest. |
| Klicken Sie auf das Lupensymbol um das Bemessungsspektrum einzusehen. |
|
 |
|
|
| Ermittlung des Bemessungsspektrums nach DIN 4149:2005-04 |
 |
|
Wird im ersten Register System + Grundeinstellungen auf der Seite Erdbebenlasten der alternative
Schalter automatisch aktiviert, wird 4H-HORA damit beauftragt, die Erdbebenlasten
mit Hilfe weniger Vorgaben
automatisch zu ermitteln. |
|
Hierbei wird das vereinfachte Antwortspektrenverfahren
nach
DIN 4149:2005-04 zugrunde gelegt. |
| Zunächst muss das Bemessungsspektrum
nach DIN 4149:2005-04, 5.4.3, ermittelt werden.
Hierzu dienen die nebenstehend dargestellten Angaben. |
|
Die Erdbebenzone und die geologische
Untergrundklasse können
beim Programm 4H-WUSL abgefragt werden. |
Bei den Baugrundklassen wird zwischen
A, B und C
unterschieden (s.oben). |
| Die Wichtigkeit des Bauwerks zum Schutz
der Allgemeinheit unterscheidet vier Bedeutungskategorien (s.oben). |
|
 |
|
|
"Der Verhaltensbeiwert q wird bei der Bemessung
zur Reduzierung der vereinfachend durch lineare Berechnung ermittelten
Erdbebeneinwirkungen verwendet, um günstig wirkende dissipative
Effekte abhängig von dem verwen-
deten Baustoff, dem Tragsystem
und der konstruktiven Ausbildung zu berücksichtigen."
(DIN 4149:2005-04 3.1) |
| Die maßgebenden Verhaltensbeiwerte sind
material-, bauwerks- und konstruktionsabhängig und können
den Abschnitten 8 bis 12 der DIN 4149:2005-04 entnommen werden. |
| "Bauartunabhängig darf der Tragfähigkeitsnachweis
für die seismische Lastkombination (...) mit dem Verhaltensbeiwert
q = 1.0 (...) geführt werden." (DIN 4149:2005-04 7.1
(2)) |
| I.d.R. ist jedoch auch ein Wert von 1.5 vertretbar. |
| Der Verhaltensbeiwert kann unabhängig von
einander für die x- und y-Richtung vorgegeben werden. |
|
| Mit Eingabe der bis hierhin erläuterten Werte
liegt das Bemessungsspektrum fest. |
| Klicken Sie auf das Lupensymbol um das Bemessungsspektrum einzusehen. |
| Die Spektren können für die x-Richtung
und für die y-Richtung eingesehen werden. |
| Sie sind jedoch nur im Falle qx ≠ qy zueinander
unterschiedlich. |
|
 |
|
|
| Ermittlung der aufzunehmenden Erdbebenlast |
|
 |
| Da beim vereinfachten Antwortspektrenverfahren
nur die erste Eigenschwingung von Interesse ist,
kann das Gesamtsystem durch einen Einmassenschwinger
idealisiert werden. |
| Dieser besteht aus einer konzentrierten
Kopfmasse M, der Biegesteifigkeit des Ersatzstabes
EI und der Höhe der konzentrierten Kopfmasse
über der Einspannstelle. |
| Da das Verhalten des Gebäudes
in x- und y-Richtung untersucht werden muss, wird
bei den Steifigkeiten zwischen EIx und
EIy unterschieden. |
Die vier Werte können vom Benutzer
vorgegeben oder automatisch von 4H-HORA
berechnet werden. |
|
 |
|
|
| Nachfolgend wird beschrieben, wie 4H-HORA
die hier vorgestellten Werte automatisch ermittelt. |
Das Verfahren ist dann hinreichend genau, wenn
eine halbwegs konstante Massen- und Steifigkeitsverteilung
über die Höhe des Bauwerks gegeben ist. |
|
| M |
| Das Programm ermittelt
während des Rechenlaufes die Summe der lotrechten
Lasten aus allen Einwirkungen außer Zwang,
Vorspannung, Sonderlasten und Erdbeben. |
| Darüber hinaus werden bei den
veränderlichen Lasten die Kategorien Windlasten, Temperaturlasten und Baugrundsetzungen ignoriert. |
| Es verbleiben folglich nur die Eigengewichtslasten
und die diversen Verkehrslasten, die entsprechend
der gewünschten Kombination mit ihrem Kombinationsbeiwert
abgemindert werden. |
Das Ergebnis dieser Ermittlung kann
im Register Ergebnisse auf der Seite Summe
der V-Lasten
eingesehen werden. |
| 4H-HORA wählt als Masse
den charakteristischen Wert der quasiständigen
Kombination. |
| Da dieser Wert die Masse von oben
bis zum betrachteten Geschoss darstellt, wird diese
Zahl (eine konstante Massenbelegung zugrunde gelegt)
bis OK Fundament runtergerechnet. |
| Dies entspricht den Regeln nach DIN
4149:2005-04, 5.5, jedoch ohne Berücksichtigung
des Abminderungsbeiwertes φ gemäß
Tab. 6. |
|
|
|
| EI |
| Das Programm ermittelt
die Einheitsverformungen der starren Kopfplatte. |
| Die Ergebnisse können im Register Kraftaufteilung auf der Seite allg. Informationen eingesehen werden. |
| Von besonderem Interesse sind die
Verdrehungen θSy infolge My = 1
kNm und θSx infolge Mx = 1 kNm. |
| Sie stellen ein Maß für
die Biegesteifigkeit der Geschosswände dar. |
| Ein Ersatzstab, der auf eine Einheitslast
mit denselben Verdrehungen reagieren soll, muss
die Steifigkeiten |
|
|
| haben. hG ist hierbei die
Geschosshöhe. |
|
|
|
| hi |
| Die Höhe der Einzelmasse
über der Einspannstelle wird zu hi = 0.6·hges angenommen. |
| hges ist hierbei die gesamte
Bauwerkshöhe gemessen ab OK Fundament. |
| Dieser Wert liefert sehr gute Übereinstimmung
mit dem Schwingungsverhalten eines Bernoullibalkens
mit konstanter Massenbelegung und Steifigkeit in
der ersten Eigenfrequenz und berücksichtigt
die Tatsache, dass die Massen im oberen Bauwerksbereich
sehr viel höhere Amplituden aufweisen als im
unteren Bereich. |
|
|
|
| Der weitere Rechenweg folgt den Gesetzen der Mechanik
bzw. den Forderungen der DIN 4149:2005-04 |
|
|
x-Richtung |
y-Richtung |
|
| Federsteifigkeit des Einmassenschwingers |
 |
 |
|
| Eigenkreisfrequenz des Einmassenschwingers |
 |
 |
|
| Schwingungsperiode |
 |
 |
|
| Spektralbeschleunigung aus Bemessungsspektrum |
 |
 |
|
| Gesamterdbebenkraft gemäß DIN
4149:2005-04, 6.2.2.2 (14) |
 |
 |
|
|
 |
|
In Anlehnung an DIN 4149:2005-04, 6.2.2.3(15),
ergibt sich die resultierende, vom Bemessungsgeschoss aufzunehmende
Kraft unter der Voraussetzung konstanter Massenverteilung und
linearisierter
Grundschwingungsform zu |
|
| und das Moment in Höhe des Fundamentes zu |
|
| woraus sich der Hebelarm |
|
und hieraus wiederum der in die Tabelle der globalen
Erdbebenlasten einzutragende Wert hTab unmittelbar
ergibt
(vgl. o.a. Skizze). |
|
|
|
|
|
| Berücksichtigung der Torsionswirkung |
|
 |
| Die Berücksichtigung der Torsionswirkung
erfolgt in 4H-HORA nach Regeln der DIN 4149:2005-04,
6.2.2.4.2 (11). |
| Hiernach sind für die horizontal angreifenden
Erdbebenkräfte jeweils zwei Ausmitten für die x- und
y-Richtungen vorzusehen. Diese setzen sich zusammen aus der
tatsächlichen Exzentrizität, der zufälligen Exzentrizität
und der zusätzlichen Exzentrizität. Diese sind gemäß
Bild 5 (DIN 4149:2005-04) anzusetzen. |
| Das Ergebnis kann in 4H-HORA im Register Ergebnisse unter der Überschrift Nachtrag auf der Seite Erdbeben eingesehen werden. |
Es ergeben sich für die Erdbebenlast in y-Richtung
die Lastangriffspunke x1 und x2 und für
die Erdbebenlast in
x-Richtung die Lastangriffspunkte y1 und y2. |
|
|
|
|
|
|
 |
| Die Kombination der Horizontalkomponenten der
Erdbebeneinwirkung erfolgt nach DIN 4149:2005-04, 6.2.4.1 (3). |
| Unter Berücksichtigung der unterschiedlichen
Lastangriffspunkte zur Berücksichtigung der Torsionswirkung
ergeben sich folgende zu untersuchende Kombinationen. |
|
|
| Übereinander stehende Angaben in eckigen
Klammern verstehen sich als Alternativen. |
Das Zeichen bedeutet zu kombinieren mit. |
| Die sich ergebenden 32 Lastfälle werden vom
Überlagerungsprozess als Alternativen betrachtet, so dass
nur der für eine Wand ungünstigste Fall bei der Bemessung
berücksichtigt wird. |
| Hierbei gilt die Erdbeben-Bemessungssituation
nach DIN 1055-100. |
|
|
|
|
|
| automatische Ermittlung der spektralen Antwortbeschleunigung SaP,R |
 |
|
| Der maßgebliche anzugebende Wert zur Festlegung des Erdbeben-Bemessungsspektrums lautet SaP,R. |
Er stellt den Plateau-Wert des Bemessungsspektrums
für die geologische Untergrundklasse R,
die Baugrundklasse A und die Bedeutungskategorie II dar. |
| In DIN EN 1998-1/NA:2021-07,
Anhang NA.I, wird auf eine zur Norm gehörende Datei SapR.csv mit normativem Charakter verwiesen, die Stützstellen für den
SaP,R-Wert innerhalb Deutschlands enthält. |
| Zwischen diesen Stützstellen darf der SaP,R-Wert
linear interpoliert werden. |
| Mit dem vorliegenden Eigenschaftsblatt bietet 4H-HORA ein Werkzeug an,
mit dem der Wert nach Vorgabe des Bauwerksstandorts automatisch ermittelt werden kann. |
|
| Im Register System + Grundeinstellungen auf der Seite Erdbebenlasten wird nach Wahl der Alternative automatisch durch Klicken der Schaltfläche ermitteln das zum Werkzeug gehörende Eigenschaftsblatt aufgerufen. |
|
 |
|
| Hierin werden vier Methoden zur Ermittlung des normengerechten SaP,R-Werts angeboten. |
|
|
|
| Methode 1: Ortsname in 4H-WUSL suchen |
|
 |
| Diese Methode funktioniert relativ schnell, setzt aber voraus, das 4H-WUSL korrekt installiert ist. |
| Geben Sie den Ort des Baugebiets im Eingabefeld ein und klicken auf die suchen-Schaltfläche. |
| Das Programm sucht nun den Ort in der 4H-WUSL-Datenbasis, ermittelt die Koordinaten des Orts,
rechnet diese in Dezimaldarstellung um und ermittelt mit diesen Koordinaten durch lineare Interpolation
der in der Datei SapR.csv zur Verfügung gestellten Stützstellen den korrekten SaP,R-Wert. |
| Das Eigenschaftsblatt zeigt nun die gefundenen Koordinaten, den ermittelten SaP,R-Wert und
in der dargestellten Deutschlandkarte die Lage des gefundenen Orts mit Hilfe eines Fadenkreuzes an. |
|
 |
|
|
|
|
|
| Methode 2: Google-Earth-Koordinaten |
|
 |
Diese Methode ist die genaueste Methode, da hiermit die Koordinaten des Baugrundstücks sehr präzise
erfasst werden
können. |
Starten Sie Google-Earth, zoomen Sie sich direkt in das Baugrundstück hinein und platzieren den Mauszeiger
über dem Grundstück. |
|
 |
|
Lesen Sie nun in der Fußzeile (siehe Markierung im o. a. Snapshot) die Koordinaten ab und übertragen
Sie sie in die
Eingabefelder des 4H-HORA-Eigenschaftsblatts. |
|
 |
|
Obwohl das angezoomte Baugrundstück ebenfalls in Tübingen liegt, wird ein deutlich höherer SaP,R-Wert
ausgewiesen als bei der vorangegangenen Methode. Dies liegt daran, dass sich das Grundstück ca. 2 km
südlich vom Tübinger Zentrum
befindet und in Tübingen der Gradient der SaP,R-Funktion relativ groß ist. |
|
|
|
|
|
| Methode 3: Direkteingabe (Koordinaten) |
|
 |
| Diese Methode bietet sich an, wenn die Koordinaten des Baugrundstücks im Dezimalsystem bereits bekannt sind.
Nach Eingabe der Koordinaten wird ihnen unmittelbar der zugehörige SaP,R-Wert angezeigt. |
|
|
|
|
|
| Methode 4: Direkteingabe (Ergebnis) |
|
 |
| Diese Methode bietet sich an, wenn von baubehördlicher Stelle ein SaP,R-Wert verbindlich vorgegeben wurde. |
|
|
|
|
|
 |
| Aufruf des zugehörigen Hilfetexts |
|
|
|
 |
| Schließen des Eigenschaftsblatts und Übergabe des SaP,R-Wert
an die aufrufende Seite |
|
|
|
|
|
|
 |
|
| Durch Aktivierung des alternativen Schalters automatisch im ersten Register System + Grundeinstellungen auf
der Seite Imperfektionen wird 4H-HORA beauftragt,
die Imperfektionslasten mit Hilfe einiger Vorgaben automatisch
zu ermitteln. |
| Zunächst müssen die Schiefstellungswinkel
αx und αy angegeben
werden. |
| Mit deren Hilfe berechnen sich die
Ersatzlasten zu Px = G·αx und Py = G·αy. |
| Die Kombination, aus der der Wert
für G vom Programm automatisch ermittelt wird,
kann vom Anwender gewählt werden. |
| S. hierzu auch im Register Ergebnisse die Seite Summe der V-Lasten. Voreingestellt
ist maximal. |
| Da die Werte sowohl positiv als auch
negativ anzusetzen sind, ergeben sich insgesamt
vier Imperfektionslastfälle. |
| Der Anwender kann entscheiden, ob
sich die Imperfektionslasten in x-Richtung und y-Richtung
gegenseitig ausschließen. Die Voreinstellung
hierfür lautet nicht
ausgeschlossen. |
|
| Die Berechnung der Ersatzlasten aus
Imperfektion erfolgt im Rechenlauf, nachdem der
korrekte Wert für G ermittelt wurde. |
| Die Ergebnisse können im Register Ergebnisse unter der Überschrift Nachtrag auf der Seite Imperfektionen eingesehen werden. |
|
 |
|
|
|
|
 |
|
| Auf dieser Seite sind die Neuerungen der vorliegenden
Version, die sich i.W. auf die Berechnung und Bemessung nach
den Eurocode-Normen konzentrieren, zusammengestellt. |
|
|
| Nationale Anwendungsdokumente |
|
 |
| Eurocode ist eine europäische Norm, die in
den CEN-Mitgliedsländern (CEN = Comité Européen
de Normalisation) der EU durch einen sogenannten nationalen
Anhang verbindlich eingeführt wird. |
| Eurocode erlaubt den Mitgliedsländern in
den nationalen Anhängen bestimmte Parameter, die in den
Eurocodes als Empfehlungen ausgewiesen sind, verbindlich zu
überschreiben (NDP: national determined parameters, national
festzulegende Parameter). |
| Darüber hinaus kann ein nationaler Anhang
ergänzende, nicht widersprechende Angaben zur Anwendung
der Eurocodes enthalten (NCI: noncontradictory complementary
information). |
| pcae möchte ihren Kunden ermöglichen, statische Berechnungen
für Bauwerke in allen CEN-Mitgliedsländern Europas
zu erstellen. Die vollständige Einführung von Eurocode
bietet hierzu eine hervorragende Chance. |
| Allein die Parameter der nationalen Anhänge
der teilnehmenden Staaten müssen in die Software eingepflegt
werden. pcae bietet
hierzu ein Werkzeug an, mit dem sogenannte nationale Anwendungsdokumente
(NADs) verwaltet werden. |
| Ein NAD enthält hierbei die für die 4H-Rechenprogramme erforderliche Untermenge an Parametern
aller nationalen Anhänge eines Landes. Das o.g. Werkzeug
kann aus der DTE®-Schublade heraus aufgerufen
werden, wie auch von allen Programmen, die Eurocodenachweise
anbieten. |
|
| Um das Modul aus der Schublade heraus
zu starten, doppelklicken Sie auf das nebenstehend
dargestellte Symbol, das sich in der Schublade des
DTE®-Schreibtisches befindet. |
| Es erscheint ein Fenster, in dem die
Parameter der nationalen Anwendungsdokumente eingesehen
und ggf. bearbeitet werden können. |
| Die beiden Dokumente EC-Standardparameter und Deutschland werden von pcae mitgeliefert und haben einen geschützten, nicht
editierbaren Status. |
| Das Programm verfügt über
ein eigenes Hilfedokument, so dass auf weitere Erläuterungen
an dieser Stelle verzichtet wird. |
|
 |
|
|
| In den 4H-Programmen, die die Eurocode-Nachweise
führen, muss - wenn nach Eurocode gerechnet werden soll
- stets auf ein existierendes NAD verwiesen werden, um somit
auch die nationalen Feinheiten der in dem entsprechenden Land
geltenden Eurocode-Normen berücksichtigen zu können. |
| Da die in dem o.a. Modul festgelegten Parameter
der nationalen Anhänge den Rechenlauf, insbesondere auch
die Nachweisführung, maßgeblich steuern, werden die
Parameter in der Druckliste ausgegeben. |
| Liegt das NAD Deutschland zugrunde, kann
evtl. auf ein Protokoll verzichtet werden. |
Wird bei einem benutzerdefinierten NAD auf die
Ausgabe verzichtet, wird die statische Berechnung nicht
mehr prüfbar sein. |
|
| Die weiteren Ausführungen beschreiben Unterschiede
zwischen Eurocode und den bisher geltenden DIN-Normen. Hierbei
wird i.W. auf das deutsche NAD Bezug genommen. |
|
|
|
|
|
| EC 0 (EN 1990 in Verbindung mit DIN EN 1990/NA) |
|
 |
|
| Überlagerungsverfahren, Teilsicherheits-
und Kombinationsbeiwerte |
|
| Die Überlagerungsvorschriften gemäß
EC 0 entsprechen im Großen und Ganzen denen der DIN 1055-100. |
| Die Teilsicherheits- und Kombinationsbeiwerte
stimmen mit einer Ausnahme überein: Der ψ1-Wert
für Windlasten beträgt nach Eurocode 0.2, nach DIN
1055-100 jedoch 0.5. |
| Dies hat innerhalb von 4H-HORA vor allen
Dingen Auswirkungen auf die außergewöhnliche Bemessungssituation. |
| Hierbei wird bei Berechnungen nach Eurocode eine
sehr viel kleinere Horizontalkraft aus Wind auf die Wandscheiben
anzusetzen sein, als nach DIN 1055-100, was, wenn die außergewöhnliche
Bemessungssituation den maßgeblichen Bemessungswert liefert,
zu einem wirtschaftlicheren Resultat führen kann. |
Aus demselben Grund werden bei der Verformung
der Kopfplatte in der Plattenebene in der häufigen Kombination
sehr viel kleinere Verschiebungen ausgewiesen, wenn der Wind
die einzige Einwirkung ist, die horizontale Verschiebungen bewirkt. |
Die Teilsicherheits- und Kombinationsbeiwerte
werden in EN 1990 empfohlen und im deutschen nationalen Anhang
DIN EN 1990/NA ausdrücklich bestätigt. Sie können
als Teil der Parameter der NADs mit dem o.a. Werkzeug für
andere Länder modifiziert werden. |
| Daraus resultierende Effekte können hier
nicht diskutiert werden. |
|
|
|
|
|
| EC 1 (EN 1991-1-4 in Verbindung mit DIN EN 1991-1-4/NA) |
|
 |
|
| hier: nur Windlastannahmen |
|
Die in 4H-HORA verwendeten Druckbeiwerte
gemäß EC 1 entsprechen im Großen und Ganzen
denen
der DIN 1055-4. |
| Im Detail können die Ergebnisse jedoch in
Abhängigkeit bestimmter Eingangsparameter (h/d-Verhältnis,
Dachneigung etc.) geringfügig unterschiedlich sein. |
Größere Probleme bereitet die Festlegung
des höhenabhängigen Böengeschwindigkeitsdrucks,
der in Deutschland
ganz andere Formeln zugrunde liegen als in EN 1991-1-4 vorgesehen. |
| Aus diesem Grunde bietet 4H-HORA neben
der automatischen Berechnung des Normalfalls (in Deutschland)
die Definition einer benutzerdefinierten Kennlinie für
den Böengeschwindigkeitsdruck an. |
| Diese Definition kann dazu benutzt werden, um
etwa Besonderheiten (z.B. topografische Einflüsse) in Deutschland
aber auch unterschiedliche Formelwerke im europäischen
Ausland zu berücksichtigen. |
| Die Festlegung erfolgt mit Hilfe einer Splinefunktion,
deren Graph optisch kontrolliert werden kann. |
|
Während lt. DIN 1055-4 9.1(4)
die Gesamtwindkraft mit einer Ausmitte
von b/10 anzusetzen war, dürfen nach Eurocode
(EN 1991-1-4 7.1.2)
die ausmittig anzusetzenden Windkräfte entsprechend
nebenstehender Skizze abgemindert werden. |
| Es ergibt sich der nebenstehend dargestellte
Reduktionsfaktor RF, der bei Anwendung
realistischer cpe-Werte in etwa bei 2/3
liegt. |
|
| Da zusätzlich die Maximalkraft
zentrisch angesetzt werden muss (vgl. DIN EN 1991-1-4/NA
NDP zu 7.1.2 (2)), werden bei einem Eurocode-Nachweis
12 Windlastfälle generiert. |
| Die Lage der Ausmitten ergibt sich
(wiederum realistische cpe-Werte vorausgesetzt)
wie in DIN 1055-4 vorgegeben bei b/10. |
|
 |
|
|
|
|
|
|
| EC 2 (EN 1992-1-1 in Verbindung mit DIN EN 1992-1-1/NA) |
|
 |
|
| Beton und Stahlbeton im Hochbau |
|
Der Elastizitätsmodul der gängigen Betone
wird unter Eurocode gegenüber DIN 1045-1 um etwa das 1.2-fache
hoch gesetzt. |
| Dies hat zur Folge, dass die Steifigkeit gegenüber
einer horizontalen Kopfverschiebung der Stahlbetonwände
ebenfalls um denselben Faktor erhöht wird. |
| Bei gemischten Systemen (z.B. Stahlbeton- und
Mauerwerkswände) sorgt dies für eine Verschiebung
der Wandlasten zugunsten der Mauerwerkswände und zulasten
der Stahlbetonwände. |
| Bei alleiniger Betrachtung dieses Effekts wird
der Ausnutzungsgrad der Mauerwerkswände bei solchen Systemen
i.d.R. sinken, während die erforderliche Bewehrung der
Stahlbetonwände zunimmt. |
|
|
|
|
|
| EC 3 (EN 1993-1-1 in Verbindung mit DIN EN 1993-1-1/NA) |
|
 |
|
| Stahlbauten im Hochbau |
|
| Die Festigkeitswerte bestimmter Stähle sowie
die Formeln zum Nachweis der b/t-Verhältnisse (n. EC3:
c/t-Verhältnisse) haben sich gegenüber DIN 18800 geringfügig
geändert. |
| Der Materialsicherheitsbeiwert γM darf bei Berechnungen nach Th. I. Ord. mit 1.0 angenommen werden. |
Allein die Stützen, bei denen der Knicknachweis
am Einzelstab (Ersatzstabverfahren) gefordert ist, werden
mit γM = 1.1 nachgewiesen. |
| Da die Materialsicherheitsbeiwerte den Parametern
des eingestellten NAD entnommen werden, können sich diese
Festlegungen im europäischen Ausland anders darstellen. |
| Der Nachweis wird i.d.R. nach dem Teilschnittgrößenverfahren
nach Kindmann geführt, da hier die plastischen Reserven
des Querschnitts am besten ausgenutzt werden. |
Wenn dies aufgrund der Querschnittsform nicht
möglich ist, schaltet das Programm automatisch in den elastischen
Nachweis um, bei dem dann der Vergleichsspannungsnachweis in
den signifikanten Punkten des Querschnitts
geführt wird. |
|
|
|
|
|
| EC 5 (EN 1995-1-1 in Verbindung mit DIN EN 1995-1-1/NA) |
|
 |
|
| Holzbau |
|
In EN 1995-1-1/NA (deutscher Anhang zu Eurocode
5) findet sich in einer Fußnote zur Tab. NA.1 der Satz:
"Bei Wind darf für kmod das Mittel aus
kurz und sehr kurz verwendet werden". |
| Dies hat zur Folge, dass bei den Holzbaunachweisen
Spannungen aus Lastkombinationen, bei denen Windlasten beteiligt
sind, ungefähr 10% höheren zulässigen Spannungen
gegenübergestellt werden dürfen als nach DIN 1052. |
| Dies macht sich 4H-HORA zunutze, es gilt
jedoch nur bei Anwendung des NAD Deutschland. Hierzu
wird eine zusätzliche Klasse der Einwirkungsdauer definiert. |
|
Die Berechnung der Schertragfähigkeit von
Verbindungsmitteln beruht, wie in der DIN 1052:2008, auf der
Theorie
von Johannsen. |
| Um mit einem einheitlichen Sicherheitsbeiwert
für Holz (1.3) rechnen zu können, wurden jedoch die
einzelnen Gleichungen zur Berechnung der charakteristischen
Tragfähigkeiten mit "Korrekturfaktoren" versehen. |
| Dies führt nicht nur dazu, dass die errechneten
charakteristischen Werte streng genommen falsch sind, sondern
leider auch zu Unterschieden zur Bemessung nach DIN 1052:2008. |
| Es kann sogar dazu führen, dass andere Versagensfälle
maßgebend werden. |
| Das in DIN 1052:2008 eingeführte vereinfachte
Verfahren findet sich im NA-Deutschland wieder. |
|
| Die Berechnung der Wandtafeln ist sehr ähnlich
wie in DIN 1052:2008. |
Die Schubfeldtheorie wird zwar nicht erwähnt,
es ist aber davon auszugehen, dass diese den Bestimmungen
zugrunde liegt. |
| Für die Bemessung von Wandscheiben sind zwei
Verfahren (A und B) vorgesehen. |
| Das Programm rechnet mit Verfahren A; gemäß
NA-Deutschland ist ohnehin nur Verfahren A zulässig. |
| Im EC 5 ist im Gegensatz zur DIN 1052:2008 keine
Übertragung von Vertikallasten über den Verbund zwischen
Beplankung und Schwelle vorgesehen; daher werden alle Vertikallasten
über die Rippen abgetragen. |
Die Berechnung der Verformungen erfolgt analog
zu DIN 1052:2008, da im EC 5 hierzu keine Angaben
gemacht werden. |
Insgesamt ist zu bemerken, dass DIN 1052:2008
und EC 5 i.W. übereinstimmen, aber in vielen Bereichen
gibt
es kleine oder größere Differenzen, die in Extremfällen
zu recht unterschiedlichen Bemessungsergebnissen
führen
können. |
|
|
|
|
|
| EC 6 (EN 1996-1-1 in Verbindung mit DIN EN 1996-1-1/NA) |
|
 |
|
| Mauerwerk |
|
| Einige Materialparameter haben sich gegenüber
DIN 1053-100 geringfügig geändert, so dass sich dadurch
leichte Änderungen in den Ausnutzungen ergeben. |
Der Gebrauchstauglichkeitsnachweis zur Begrenzung
der planmäßigen Exzentrizitäten muss nur nach
deutschen Normen geführt werden, wobei EC 6, NA-DE, die
Bemessungsgrößen in der häufigen Bemessungssituation,
DIN 1053-100 dagegen die Bemessungsgrößen in der
seltenen (charakteristischen) Bemessungssituation verwendet. |
|
|
|
|
|
| EC 8 (EN 1998-1 in Verbindung mit DIN EN 1998-1/NA) |
|
 |
|
| Erdbeben |
|
| An der automatischen Berechnung der Erdbebenlasten
n. DIN 4149-1 hat sich innerhalb 4H-HORA nichts geändert. |
pcae hat sich jedoch vergewissert, dass die Vorgehensweise sowie
die zugrunde liegenden Formeln vollumfänglich
vom deutschen nationalen Anhang zu Eurocode 8 (DIN EN 1998-1/NA)
gedeckt sind. |
Entsprechende Normenverweise in der Druckliste
werden dementsprechend im Falle einer Berechnung nach
Eurocode ersetzt. |
| Für eine statische Berechnung im europäischen
Ausland ist dies jedoch nicht unbedingt brauchbar. |
| Dies beginnt bereits damit, dass der Begriff "geologische
Untergrundklasse" in der EC 8-Hauptnorm (EN 1998-1) nicht bekannt,
für die Ermittlung des Bemessungsspektrums in Deutschland
aber unbedingt erforderlich ist. |
| Im Zweifelsfalle muss hier auf die manuelle Vorgabe
der Erdbebenersatzlasten zurückgegriffen werden. |
|
|
|
|
|
|
 |
|
|
| Über den dargestellten Button besteht Zugang zur Holzdeckentafelbemessung mit dem eigenständigen Programm 4H-HDTF. |
|
|
|
| Der Zugang kann genutzt werden, wenn die Kopfplatte über dem Bemessungsgeschoss aus Holztafeln
hergestellt werden soll und das Programm 4H-HDTF auf dem Rechner installiert ist. |
|
| Zunächst werden alle erforderlichen Arbeitsschritte für eine erfolgreiche 4H-HORA-Berechnung durchgeführt. |
| Durch Anklicken des o.a. Buttons erscheint das Eigenschaftsblatt zur Verwaltung der Deckentafelpositionen. |
| Eine Deckentafelposition ist hierbei ein rechteckförmiger Teilbereich des in 4H-HORA definierten Grundrisses. |
|
 |
|
| Die Buttons in der oberen Zeile besitzen folgende Funktionen |
|
 |
| Mit dem nebenstehend dargestellten Button wird eine neue Position erstellt. |
Der Benutzer wird (nach Eingabe von
Positionsnummer und Bezeichnung) aufgefordert, einen
rechteck-
förmigen Teilbereich in dem im Darstellungsfenster dargestellten Grundriss zu markieren. |
Hierzu muss der
Mauszeiger in einer Ecke des Bereichs positioniert und mit gedrückt gehaltener Maustaste
die gegenüber
liegende Positionsecke angefahren werden. |
| Nach Lösen der Maustaste erscheint die Position im Positions-
und Darstellungsfenster. |
Der ausgewählte Bereich wird (über die Minimalkoordinaten (xa und ya) sowie die Maximalkoordinaten
(xe und ye) im Positionsfenster numerisch angezeigt und kann dort jederzeit geändert werden. |
|
|
|
 |
| Die aktuell ausgewählte Position wird gelöscht. |
|
|
|
 |
| Positionsnummer und -bezeichnung der ausgewählten Position können eingegeben bzw. geändert werden. |
|
|
|
|
| Mit dem nebenstehend dargestellten Button wird die manuelle Definition der Positionsgrenzen (wie bei der Erzeugung
der Position) eingeleitet. |
|
|
|
|
| Über diesen Button werden die der ausgewählten Position zugeordneten Wände in einem eigens hierfür
erscheinenden Eigenschaftsblatt festgelegt. |
|
|
|
 |
| Festlegung, welche Lastarten nach 4H-HDTF
exportiert werden sollen |
|
|
|
|
Mit dem nebenstehend dargestellten Button werden alle Informationen bzgl. Positionsgröße, stützende
Wände
und Belastung der ausgewählten Position an 4H-HDTF übergeben und 4H-HDTF aufgerufen. |
|
|
|
 |
| Anzeige des Hilfedokuments |
|
|
|
 |
| Schließen des Eigenschaftsblatts |
|
|
|
|
| Die erzeugten Positionen werden sowohl im Positionsfenster als auch grafisch im Darstellungsfenster angezeigt und können in beiden Fenstern
durch Anklicken ausgewählt werden. |
| Wie bereits in der o.a. Buttonbeschreibung zu erkennen war, können bestimmte Aktionen
nur mit der aktuell ausgewählten Position durchgeführt werden. |
| Nachfolgend ist beispielhaft der Inhalt der Fenster dargestellt, wobei Position 1 ausgewählt ist. |
|
 |
|
| Holzdeckentafeln im Ergebnisregister |
 |
Ist mindestens eine Holzdeckentafelposition definiert, wird im Register Ergebnisse unter der Überschrift Nachtrag
eine Seite angeboten, in der die Ergebnisse der einzelnen 4H-HDTF-Berechnungen eingesehen werden können. |
|
 |
|
| Der 4H-HORA-Anwender ist es gewohnt, dass automatisch bei Änderungen an den Systemdaten eine komplette Neuberechnung
erfolgt, wenn in das Ergebnisregister gewechselt wird. |
| Dies gilt nicht für die Bemessung der Holzdeckentafeln mit 4H-HDTF.
Aus diesem Grunde werden hier zwei Schalttafeln angeboten. |
|
 |
Über diese Schalttafel wird eine komplette Neuberechnung sämtlicher aktuell definierter
Deckentafel-
positionen mit 4H-HDTF gestartet. |
|
|
|
 |
| Das Eigenschaftsblatt zur Bearbeitung der Deckentafelpositionen
wird aufgerufen. |
|
|
|
|
|
|
 |
|
 |
| Über die dargestellte Buttonkombination werden Daten aus einem Bauteil der Problemklasse 4H-ALFA, Platte, importiert. |
|
|
|
| 4H-HORA nutzt dazu denselben Mechanismus, den 4H-ALFA selbst zur Übernahme der Lagerreaktionskräfte aus einem fremden Bauteil nutzt. |
Das exportierende Bauteil sollte komplett bearbeitet vorliegen, sodass keine Änderungen hinsichtlich
System
und Belastung mehr anstehen. Die Vorgehensweise wird im Folgenden am Beispiel von Projekt 2 erläutert. |
|
| Vorbereitende Arbeiten im 4H-ALFA-Bauteil |
 |
|
Es ist zu überlegen, eventuell eine Kopie des Plattenbauteils zu erstellen und die nachfolgenden Arbeiten
in der Kopie vorzunehmen. |
|
 |
Erzeugen Sie in dem Platten-Bauteil einen neuen Lastfall. Wechseln Sie in die zugehörige Lastfallfolie und
definieren Sie eine Einheitslast von 1 kN/m2 über alle Positionen der definierten Platte. |
|
|
|
 |
| Erzeugen Sie einen Nachweis vom Typ Export der Lagerreaktionen. |
Ordnen Sie diesem Nachweis ein Lastkollektiv zu, in
dem der neue Lastfall als einziger Lastfall
(mit Faktor = 1.0) aufgeführt wird. |
|
|
|
 |
Führen Sie die Berechnung durch. Nach fehlerfreiem Durchlauf schließen Sie das grafische
Eingabemodul von 4H-ALFA. |
|
|
|
|
| Einschub: Wenn Sie das Beispiel gerne am Rechner nachvollziehen, sich jedoch die bisher beschriebenen Arbeiten schenken
wollen, erzeugen Sie ein neues Plattenbauteil und laden Sie das Bauteil als Vorlage von unserem Internetserver. Sie müssen
sodann nur den Rechenlauf einmal durchführen.Einschub Ende |
|
| Im Ergebnismodul von 4H-ALFA können nun die Auflagerreaktionen betrachtet werden. |
|
 |
|
| Datenimport im 4H-HORA-Bauteil |
 |
|
Erzeugen Sie ein 4H-HORA-Bauteil. Die nachfolgend beschriebenen
Aktionen sollten in einem unbearbeiteten
Bauteil durchgeführt werden. |
| Starten Sie die Bearbeitung
des Bauteils und klicken Sie auf die oben dargestellten Buttons. |
| Es erscheint das Eigenschaftsblatt, das Sie durch
den Datenimport leitet. |
|
 |
| Klicken Sie die nebenstehend dargestellte Schaltfläche an, um das exportierende Plattenbauteil auszuwählen. Es erscheint das Fenster DTE®-Bauteilauswahl, in dem Sie das Bauteil anklicken und übernehmen können. |
|
| Im Eigenschaftsblatt erscheinen die ersten
Informationen. |
|
Darunter wird die Möglichkeit angeboten zu entscheiden,
ob die Lasten als Trapez- oder Blocklasten übernommen werden sollen. |
|
 |
|
|
|
|
 |
| Klicken Sie die nebenstehend dargestellte Schaltfläche an, um den zu importierenden Wänden voreingestellte Materialeigenschaften
zuzuordnen. |
Um bei dem Beispiel aus Projekt 2 (Tutorium) zu bleiben, wählen Sie Stahlbeton mit einer Dicke
von 24 cm aus. |
|
|
|
 |
Klicken Sie die nebenstehend dargestellte Schaltfläche an, um den zu importierenden Stützen
voreingestellte Materialeigenschaften
zuzuordnen. Im Beispiel Projekt 2 wurden Stahlbetonstützen
40/40 cm gewählt. |
|
|
|
 |
| Klicken Sie die nebenstehend dargestellte Schaltfläche an, um die Importaktion abzuschließen. |
|
|
|
|
| Es geschieht nun Folgendes |
|
 |
| Alle evtl. existierenden Wände werden gelöscht. |
Die eingelesenen Linienlager des Plattenbauteils werden in neue Wände
mit den festgelegten
Materialeigenschaften umgewandelt. |
|
|
|
 |
| Alle evtl. existierenden Pendelstützen werden gelöscht. |
| Die eingelesenen Punktlager des Plattenbauteils werden in neue Stützen
mit den hierfür festgelegten Materialeigenschaften umgewandelt. |
|
|
|
 |
| Alle evtl. existierenden Lastschemata der Deckenplatte werden gelöscht. |
Die eingelesenen Lagerreaktionskräfte
des Plattenbauteils werden in ein neues Lastschema vom Typ
direkte Eingabe umgewandelt. |
|
|
|
 |
Lage und Größe des Grundrisses im Register System + Grundeinstellungen werden den neu definierten
Wänden optimal angepasst. |
|
|
|
 |
| Ein automatisch initiierter Sprung ins 2. Register zeigt das Ergebnis auf den Seiten Wandscheiben und Deckenplatte an. |
|
|
|
|
| Wandscheiben |
|
 |
|
| Deckenplatte |
|
 |
|
| Tipp |
 |
|
| Bei den Lastschemata geht 4H-HORA normalerweise davon aus, dass sich die dort eingetragenen Wand- und Stützenlasten aus einer Einheitslast von 1 kN/m² ergeben. |
| Die Faktorisierung auf das tatsächliche Lastniveau findet im Register Belastung auf der
Seite Lasten bei Auswahl der automatischen Lasterzeugung in den Eigenschaftsblättern für die Zusammenstellung der lotrechten
Lasten statt. |
In vielen Fällen wird diese Möglichkeit ausreichen, um die Lastordinaten für die Lastfälle Eigengewicht und
Verkehr hinreichend genau zu beschreiben. Wenn aber die Platte in Teilbereichen unterschiedliche Dicken hat oder Teile der
Platte unterschiedliche Verkehrslasten zu tragen haben, ist dies nicht mehr ganz so einfach. |
| In solchen Fällen kann es durchaus sinnvoll sein, den kompletten Lastfall Eigengewicht aus 4H-ALFA in einem Lastkollektiv
an 4H-HORA zu übergeben. |
Hierauf muss nur bei der Faktorisierung im Register Belastung geachtet werden, indem
hier als Lastordinate
1.00 kN/m2 eingetragen wird. Frei nach dem Motto: 1.0 · 3.5 = 3.5 · 1.0. Dasselbe gilt für die Verkehrslasten. |
| Grundsätzlich gilt: Für jedes Lastkollektiv, das in 4H-ALFA dem Nachweis vom Typ Export der Lagerreaktionen zugeordnet wird, wird auch ein gleichnamiges Lastschema in 4H-HORA erzeugt. |
Zwar kann in einem Lastfall nur auf ein Lastschema
zurückgegriffen werden, aber eine Einwirkung kann
beliebig viele Lastfälle enthalten. Wenn man diese Möglichkeiten bedenkt,
lassen sich sehr komplexe
Konstruktionen abbilden. |
|
|
|
|
 |
|
 |
Über die dargestellte Buttonkombination wird ein Bauteil der Problemklasse
4H-ALFA (Platte oder Faltwerk) erzeugt und
mit 4H-HORA-Daten bestückt. |
|
|
|
| Das 4H-HORA-Bauteil sollte komplett bearbeitet vorliegen, sodass möglichst keine Änderungen hinsichtlich
System und Belastung mehr anstehen. Nach Start des Vorgangs werden folgende Aktionen automatisch durchgeführt |
|
 |
| In der DTE®-Verwaltungsschale wird ein neues Bauteil erzeugt. |
| Je nach Wahl ist es von der Problemklasse Platte oder Faltwerk. |
Das Bauteilsymbol legt sich leicht versetzt über das 4H-HORA-Bauteilsymbol wie neben-
stehend dargestellt. |
| Das Layout und die Bezeichnung des Symbols weisen auf seine Herkunft hin. |
|
 |
|
|
|
 |
Der im ersten 4H-HORA-Register auf der Seite Gebäudemodell angegebene Grundriss wird im 4H-ALFA-Bauteil
als rechteckförmige Flächenposition erzeugt. |
| Die in 4H-HORA definierten Wände werden als Linienelemente in
die Systemfolie exportiert. |
|
|
|
 |
| Die komplette Laststruktur bestehend aus Einwirkungen und Lastfällen wird an das 4H-ALFA-Bauteil übertragen. |
|
|
|
 |
| In den Lastfallfolien werden Lastbilder erzeugt, die den Auflagerreaktionen an den Unterkanten der
in 4H-HORA definierten Wände und Stützen entsprechen. |
Da die oben angesetzte Horizontalkraft an der Wandunterkante
ein Zusatzmoment erzeugt, berechnen sie
sich wie folgt |
|
|
|
|
 |
| Man beachte, dass die Horizontalkraft H nur an das Faltwerk, nicht aber an die Platte übergeben werden kann, da die
Platte über keinen Scheibenanteil verfügt. |
|
|
|
| Sobald das Eigenschaftsblatt geschlossen ist, kann das 4H-ALFA-Bauteil nach Doppelklicken des Bauteilsymbols bearbeitet werden. |
|
|
|
|
 |
| zur Hauptseite 4H-HORA, Horizontale
Aussteifungen |
 |
|
 |