 |
|
| Seite überarbeitet Januar 2024 |
 |
Kontakt |
 |
|
 |
Programmübersicht |
 |
|
 |
Bestelltext |
 |
|
|
|
| Infos auf dieser Seite |
... als pdf |
 |
|
 |
 |
Eingabeoberfläche ................ |
 |
|
 |
Schnittgrößen ........................ |
 |
|
 |
Spannungsnachweis Scheibe |
 |
|
 |
Allgemeines .......................... |
 |
|
 |
Schnittgrößenimport .............. |
 |
|
 |
Beschreibung Ergebnisse |
 |
|
 |
Ber.-Einstellg. / Knotenblech |
 |
|
 |
Ergebnisübersicht .................. |
 |
|
 |
Stahlsorten ............................ |
 |
|
 |
Schweißnahtanschlüsse ....... |
 |
|
 |
FEM-Ergebnisse ................... |
 |
|
 |
Ausdrucksteuerung ................ |
 |
|
 |
Schraubanschlüsse ............... |
 |
|
 |
Lastverteilung / Nachweise |
 |
|
 |
nationale EC-Anhänge ........... |
 |
|
|
|
|
 |
|
 |
| EC 3, Knotenblech mit freier Anschlusskonfiguration |
| Mit dem Programm 4H-EC3FK,
wird ein Knoten- bzw. Verbindungsblechanschluss
mit freier Anschlusskonfiguration unter
ebener Belastung nach EC 3 nachgewiesen. |
|
|
|
Die zugehörigen Eingabeparameter werden
in separaten Registerblättern verwaltet, die über folgende
Symbole
die dahinter liegende Parameterauswahl kenntlich machen. |
|
 |
|
| Bild vergrößern |
 |
|
|
|
|
 |
|
 |
Im ersten Registerblatt werden allgemeine
Einstellungen zur Berechnung festgelegt und das
Knotenblech beschrieben. |
| Außerdem werden die Materialsicherheitsbeiwerte,
eine einheitliche Stahlsorte und einheitliche Schweißnaht-
und Schraubenparameter vorgegeben. |
| Weiterhin werden die zu führenden
Nachweise ausgewählt. |
| Zudem können
spezielle FEM-Parameter angepasst und Ausgabeoptionen
zu den Berechnungsergebnissen der FEM definiert
werden. |
| Der Querschnitt wird zur Info maßstäblich am Bildschirm
dargestellt. |
|
|
|
 |
|
 |
| Im zweiten Registerblatt werden die
Anordnung und Parameter der Schweißnahtgruppen
festgelegt. |
| Der Querschnitt wird zur visuellen
Kontrolle maßstäblich am Bildschirm
dargestellt. |
|
|
|
 |
|
 |
| Im dritten Registerblatt werden die
Anordnung und Parameter der Schraubengruppen festgelegt. |
| Der Querschnitt wird zur visuellen
Kontrolle maßstäblich am Bildschirm dargestellt. |
|
|
|
 |
|
 |
Die Schnittgrößen werden
im vierten Registerblatt festgelegt und können
entweder 'per Hand'
eingegeben oder aus einem 4H-Stabwerksprogramm importiert werden. |
| Der Querschnitt wird zur Info maßstäblich am Bildschirm dargestellt. |
|
|
|
 |
|
 |
| Im fünften Registerblatt werden
die Ergebnisse (Ausnutzungen) lastfallweise und detailliert
im Überblick
dargestellt. |
|
|
|
 |
|
 |
| Im sechsten Registerblatt werden
die FEM-Ergebnisse (Scheibe, Linien) grafisch aufbereitet
und dargestellt. |
|
|
|
 |
|
 |
| Weiterhin ist zur vollständigen
Beschreibung der Berechnungsparameter der dem Eurocode
zuzuordnende nationale Anhang zu wählen. |
| Über den NA-Button wird das entsprechende Eigenschaftsblatt aufgerufen. |
|
|
|
 |
|
 |
| Im Eigenschaftsblatt, das nach Betätigen
des Druckeinstellungs-Buttons
erscheint, wird der Ausgabeumfang der Druckliste
festgelegt. |
|
|
|
 |
|
 |
Das Statikdokument kann durch Betätigen
des Visualisierungs-Buttons
am Bildschirm
eingesehen werden. |
|
|
|
 |
|
 |
| Über den Drucker-Button
wird in das Druckmenü gewechselt,
um das Dokument auszudrucken. |
| Hier werden auch die Einstellungen
für die Visualisierung vorgenommen. |
|
|
|
 |
|
 |
| Über den Pläne-Button
wird das pcae-Programm zur Planbearbeitung aufgerufen. |
Der aktuelle Querschnitt wird im pcae-Planerstellungsmodul
dargestellt, kann dort
weiterbearbeitet, geplottet
oder im DXF-Format exportiert werden. |
|
|
|
 |
|
 |
| Über den Hilfe-Button
wird die kontextsensitive Hilfe zu den einzelnen
Registerblättern aufgerufen. |
|
|
|
 |
|
 |
| Das Programm kann mit oder ohne Datensicherung
verlassen werden. |
| Bei Speichern der Daten wird die
Druckliste aktualisiert und in das globale Druckdokument
eingefügt. |
|
|
|
|
|
|
 |
|
Die statische Berechnung von Rahmentragwerken wird
i.A. mit Hilfe diskretisierter Systeme in Stabwerks-
programmen durchgeführt.
Dabei werden i.d.R.
konstruktive Einschränkungen ignoriert, d.h. die Knotenausbildung erfolgt
ohne Berücksichtigung der geometrisch bedingten Exzentrizitäten. |
| Die Bemessung der Stäbe erfolgt mit hoher Genauigkeit und liefert
die notwendigen Profilgrößen. Jedoch fehlt i.A. die Bemessung
der Eck- bzw. Anschlussbereiche der Stäbe. |
Der Konstrukteur hat nun
die Aufgabe, die aus der Stabwerksberechnung resultierenden Ergebnisse
in
konstruierbare Bauteile umzusetzen. Dabei muss der Knotenausbildung
besondere Aufmerksamkeit
zukommen, da meist verschiedene Materialien
(Schweißnähte, Schrauben, Stahlblech) bei einer hohen
Auslastung
zu kombinieren sind. |
Die biegesteifen Verbindungen von Trägern mit Stützen über Stirnplatten,
Laschen oder Schweißnähte sind
hinreichend dokumentiert und können
sehr genau bemessen werden. Jedoch werden gelenkige Anschlüsse
z.B. von Diagonalstreben an biegesteife Ecken oder Verbindungen unterschiedlicher
Profilformen und -größen
bisher wenig betrachtet und können detailliert
nur mit hohem Modellierungsaufwand, z.B. mit der FE-Methode, nachgewiesen
werden. |
| Will man den Aufwand einer FE-Berechnung nicht investieren, ist das
Knotenblech - auf der sicheren Seite liegend - i.A. überdimensioniert. |
| Das vorliegende Programm 4H-EC3FK, Knotenblech mit
freier Anschlusskonfiguration, ist ein zur EC3-Familie von pcae passendes
Modul und berechnet unter dem Aspekt der
Wirtschaftlichkeit das beliebig konfektionierte Knotenblech mit Hilfe
der Finite-Elemente-Methode. |
Die ebene Belastung des Knotenblechs wird über angeschraubte oder angeschweißte
Stabprofile eingebracht.
Im Nachlauf wird die Tragfähigkeit
des Knotenblechs, der Schraub- und Schweißnahtanschlüsse
sowie der Querschnitte der Stabprofile
für
die eingebrachten oder
resultierenden Schnittgrößen nach DIN EN 1993-1-8
(EC
3-1-8) bzw. DIN EN 1993-1-1 (EC 3-1-1) nachgewiesen. |
|
| Bild Rahmeneckknoten |
a: Stabwerksmodell |
b: realitätsnahe Modellierung |
c: 4H-EC3FK |
|
|
|
| Modellierung des Anschlusses |
 |
|
| Das Knotenblech wird als polygonal berandete 2D-Finite-Element-Scheibe
ausgebildet, in die die Verbindungsmittel (Schrauben, Schweißnähte)
eingebettet sind. Die Verbindungsmittel dienen im FE-Modell entweder
der Lasteinleitung von Schnittgrößen oder als Auflager, deren Reaktionen
mit Hilfe der FEM berechnet werden. |
| Die Schraubenlöcher werden als runde
Aussparungen in der FE-Scheibe modelliert. |
| Die Scheibe wird linear-elastisch berechnet (s. FEM-Beschreibung
unten), wobei die mittlere Dichte des FE-Netzes entweder in Abhängigkeit
der geometrischen Bedingungen automatisch ermittelt oder vom Anwender
über einen Dichtefaktor beeinflusst werden
kann. |
| Schrauben, die einen Stab am Blech befestigen,
werden zu einer Gruppe zusammengefasst. Die Schraubengruppe
bekommt die Kennung M und hat einheitliche Parameter (Größe, Festigkeit
etc.). |
 |
| Maximal fünf Stäbe können über Schrauben befestigt werden. |
|
|
|
| Ebenso gehören Schweißnähte, die einen Stab am Blech oder das Blech
am Rahmentragwerk befestigen, zu einer Gruppe. Die Scheißnahtgruppe
wird mit L gekennzeichnet und
hat einheitliche Parameter (Nahttyp, Dicke). |
 |
| Maximal fünf Stäbe können über Schrauben befestigt werden. |
|
|
|
| Die Lagerung durch Schrauben und Schweißnähte
erfolgt elastisch, wobei die Federsteifigkeiten entweder programmintern
oder
vom Anwender gesetzt
werden. Die Größe der Federsteifigkeiten richtet sich nach
der Nachgiebigkeit des Rahmenbauteils, an welches das Knotenblech angeschlossen
ist. |
| Programmintern
wird eine nahezu starre Lagerung der Schrauben und der Linien in Längsrichtung
angenommen. Die Lagerung der Linien in Querrichtung erfolgt intern
mit 1/100 der Steifigkeit in Längsrichtung. |
|
| Belastung |
 |
|
| Die Schnittgrößen werden als punktartige
Größen im xy-Koordinatensystem des Knotenblechs (Fx,Fy,Mz) über
die belastenden Schrauben oder
Schweißnähte aufgebracht. |
|
| Schrauben: Die Schnittgrößen z.B. aus einer Rahmenberechnung wirken
im Zentrum M des Schraubenbilds und werden linear auf die Achsen
der zugehörigen Schraubenmitglieder
verteilt. |
| Da die Schrauben ihre Last über den Lochrand an das Knotenblech
übertragen, wird die Einzellast analog der Lochleibungsspannung auf
den Rand aufgebracht. |
|
|
|
| Schweißnähte: Analog zur Lasteinleitung in eine Schraubengruppe
wirken die Schnittgrößen
einer Schweißnaht im Zentrum L der Nahtgruppe. Eine Nahtlinie wird in sechs Abschnitte aufgeteilt, für die jeweils eine
mittlere (konstante) Belastung
aus den Lastschnittgrößen ermittelt wird. |
|
|
|
| Finite-Elemente-Methode |
 |
|
| Die FE-Methode ist ein anerkanntes Näherungsverfahren zur Lösung von Randwertaufgaben im Ingenieurwesen. |
| Die Lösung wird nicht geschlossen berechnet, sondern in Teilbereichen, den finiten Elementen, durch einfachere Ansatzfunktionen angenähert. |
| Im Programm 4H-EC3FK wird
ein Scheiben-Dreieckelement mit zusätzlichem Rotationsfreiheitsgrad
verwendet. Dadurch ergeben sich für das Element drei Freiheitsgrade:
Zwei Verschiebungen, eine Verdrehung, die die Genauigkeit der Ansatzfunktion
erhöhen. |
| Die Diskretisierung mit 3-Knoten-3-Freiheitsgrade-Elementen
ermöglicht eine sehr gute Adaptation an die komplexe Topologie
des gelöcherten
Blechs bei relativ hoher Approximationsgenauigkeit. |
|
| Nähere Informationen zur Funktionalität des Dreieckelements
können
folgenden Abhandlungen entnommen werden |
 |
P. G. Bergan and C. A. Felippa, A triangular membrane element with
rotational degrees of freedom,
Computer Methods in Applied Mechanics & Engineering, 50, 1985, pp. 25–69 |
|
 |
K. Alvin, H. M. de la Fuente, B. Haugen and C. A. Felippa, Membrane
triangles with corner drilling
freedoms, I. The EFF Element, CU-CSSC-91-24, 1991 |
|
|
|
| Als Berechnungsparameter sind die geometrischen und
Materialwerte des Knotenblechs (Topologie und Dicke tp, Elastizitätsmodul
Ep, Querdehnzahl μ), der
Schrauben (Lochdurchmesser d0, Federsteifigkeit cf)
und der Schweißnähte
(Federsteifigkeiten längs cfl und quer cfq zur
Naht) erforderlich. |
| Um einen realitätsnahen Schnittgrößenverlauf
besonders in lokal eng begrenzten Bereichen hoher Spannungspeaks
zu gewährleisten, werden die Flächen- und Linienergebnisse
nach dem Gauß-Algorithmus, wie er auch in der digitalen Bildverarbeitung
zur Rauschelimination verwendet wird, geglättet. |
| Siehe hierzu https://de.wikipedia.org/wiki/Gauß-Filter |
| Im Nachlauf wird für die als Auflager (Lastabtrag)
gekennzeichneten Schrauben eine resultierende Schraubenkraft Fx,
Fy aus
den FE-Linienergebnissen der Lochberandung berechnet. |
|
| Nachweise |
 |
|
| Das Knotenblech wird elastisch (Ausnutzung Up),
für die nach der Elastizitätstheorie ermittelten Schnittgrößen
(bezogene Scheibenspannungen nxx, nyy, nxy )
nachgewiesen. |
| Die Schrauben werden unter der einwirkenden und resultierenden
Schraubenkraft auf Abscheren (Ausnutzung Uv,sc) und Lochleibung
(Ausnutzung Ub,sc) untersucht (s. EC 3-1-8, 3.4.1). |
| Der Schweißnahtnachweis (Ausnutzung Uw,sa)
kann mit dem richtungsbezogenen oder dem vereinfachten Verfahren (s.
EC 3-1-8, 4.5.3)
durchgeführt werden. |
| Optional kann das Anschlussprofil elastisch oder plastisch
(Spannungsausnutzungen Uσ,sc, Uσ,sa und
c/t-Ausnutzungen Uct,sc, Uct,sa)
nachgewiesen werden (s. EC 3-1-1, 6.2). |
|
| Ergebnisse |
 |
|
| Die Ergebnisse werden je Lastkombination in Abhängigkeit ihres Typs
dargestellt. |
Die Flächenträgerergebnisse des Knotenblechs werden neben der tabellarischen
Ausgabe über farbige
Konturenplots zugänglich gemacht. Es sind Verformungen,
Schnittgrößen,
Spannungen und die resultierende Spannungsausnutzung verfügbar. |
|
| Konturenplots der Spannungsausnutzungen ermöglichen es, auf einen Blick
die über- aber auch die schwach belasteten Bereiche zu erkennen. |
|
| Schweißnähte werden als Linien modelliert, deren
Ergebnisse (bezogene Nahtkräfte in Längs- und Querrichtung
fl, fm, Ausnutzung
UL) werden daher mit Hilfe von Liniengrafiken dargestellt.
Deutlich zu erkennen ist die Treppung der approximierten Schweißnahtbelastung. |
|
| Schrauben werden punktuell erfasst und einzeln nachgewiesen. Eine
spezielle tabellarische oder grafische Ausgabe ist nicht erforderlich. |
| Zusätzlich zur Ausgabe der Ergebnisse einer einzelnen
Lastkombination wird die Möglichkeit angeboten, in einer Konturendarstellung
die Verteilung der resultierenden Spannungsausnutzung
aus allen Lastkombinationen über die Knotenblechfläche zu
sehen. |
| Tabellarisch wird die maximale Ausnutzung mit Zugehörigen
ausgegeben. |
|
|
| Voraussetzungen |
 |
|
 |
| Schrauben und Schweißnähte müssen
sich vollständig
auf dem Knotenblech befinden |
|
 |
| Anschlussprofile dürfen weder sich
noch gruppenfremde Verbindungsmittel überlappen |
|
 |
| die Schnittgrößen wirken in der Ebene des Knotenblechs |
|
|
|
|
|
 |
|
 |
im Register 1 werden
allgemeine
Einstellungen der Berechnung festgelegt und das
Knotenblech beschrieben. |
|
|
 |
|
| Bild vergrößern |
 |
|
|
|
| Allgemeines |
 |
|
| Im Programm 4H-EC3FK
können die Eingabedaten über die Copy-Paste-Funktion
von einem Bauteil in ein anderes desselben Typs exportiert werden. |
|
|
|
Dazu ist der
aktuelle Datenzustand im abgebenden Bauteil über den Button Daten exportieren in
die
Zwischenablage zu kopieren und anschließend über den Button Daten
importieren aus der Zwischenablage
in das aktuell geöffnete andere Bauteil zu übernehmen. |
|
|
| Materialsicherheitsbeiwerte |
 |
|
Im Programm 4H-EC3FK werden
für den Spannungsnachweis
n. EC 3-1-1 und den Nachweis von Anschlüssen
n. EC 3-1-8
folgende Materialsicherheitsbeiwerte herangezogen |
|
|
|
Die Werte können entweder den entsprechenden Normen
(s. Nationaler Anhang)
entnommen oder
vom Anwender vorgegeben werden. |
|
| Stahlsorte |
 |
|
| Knotenblech und Anschlussprofilen können
eigene Materialien zugeordnet werden. |
| Der Übersichtlichkeit halber kann an dieser Stelle
eine einheitliche Stahlgüte für das Knotenblech und die
Anschlussprofile gewählt
werden. |
|
|
|
Da die Beschreibung der Stahlparameter für Verbindungen
nach EC 3 programmübergreifend identisch ist,
wird auf die
allgemeine Beschreibung der Stahlsorten verwiesen. |
|
| Schrauben |
 |
|
Schrauben werden je Anschlussstab zu einer Gruppe zusammengefasst, der eine bestimmte Größe,
Festigkeit etc. zugeordnet werden. |
| Für alle Schraubengruppen
kann ein einheitliches Material vorgegeben werden oder jeder Gruppe
können eigene Parameter zugeordnet werden (s. Register 3). |
|
| An dieser Stelle können Schraubengröße
und Festigkeitsklasse einheitlich festgelegt werden. |
Schrauben der Größen M12
bis M30 und der Festigkeits-klassen 8.8 und 10.9 mit
großer
Schlüsselweite werden planmäßig
vorgespannt.
|
Schrauben mit geringerer Festigkeit und großer Schlüsselweite
werden gegen Lösen gesichert.
|
Die Vorspannung der Schrauben wird nach EC 3-1-8
bei der Berechnung nicht berücksichtigt. |
|
 |
|
| Die Abschertragfähigkeit der Schraube ist abhängig vom wirksamen Durchmesser
der Schraube, der sich danach richtet, ob das Schraubengewinde
oder der Schraubenschaft in der Scherfuge liegt. |
|
| Da die Beschreibung der weiteren Schraubenparameter
für
Verbindungen nach EC 3 programmübergreifend identisch ist,
wird auf die allgemeine Beschreibung der Schrauben verwiesen. |
|
| Schweißnähte |
 |
|
| Das Knotenblech
kann an ein Tragsystem angeschweißt sein. Die Schweißnähte
befinden sich stets am Blechrand und sollten als Auflager (Lastabtrag) definiert sein. |
Außerdem können Anschlussstäbe an das
Knotenblech geschweißt werden. Dies geschieht i.A. mit mehreren
Nähten, die je Anschlussstab
zu einer Gruppe zusammengefasst werden. Jeder Gruppe sind ein bestimmter
Nahttyp (Kehl-, Stumpfnaht) und eine Dicke zugeordnet. |
|
| Für alle Schweißnahtgruppen kann ein einheitliches
Material vorgegeben oder jeder Gruppe können eigene Parameter
zugeordnet werden (s. Register 2). |
Kehl- und nicht durchgeschweißte Stumpfnähte werden
mit einer wirksamen Nahtdicke a < min t/2 berechnet. |
| Bei Hohlprofilen wird stets eine durchgeschweißte Stumpfnaht angenommen. |
|
 |
|
|
| Anschlusstypen |
 |
|
| Das Programm kann auf verschiedene Arten genutzt
werden. |
Der Anschlusstyp beeinflusst den Berechnungsablauf
und wirkt sich kontextsensitiv auf die Eingabemöglichkeiten
der Register
2 (Schweißnähte)
und Register 3 (Schrauben)
aus. |
Da die Parameter online angepasst werden, sind die Eingabedaten bei Änderung des Anschlusstyps
zu kontrollieren. |
|
 |
|
| Es wird nur die Berechnung des Blechs mit eingestanzten
(Schrauben-) Löchern durchgeführt. |
(Schweißnaht-)
Linien dienen als Randlinien dem Lastabtrag
('rot' gekennzeichnet). |
| Anschlussprofile sind nicht vorhanden, Schraubennachweise
entfallen. |
|
 |
|
|
 |
|
| An dem Blech werden Anschlussprofile
mit Schrauben oder Schweißnähten befestigt, durch
die die Belastung in das Blech eingeleitet wird. |
| Zur Lastweitergabe können Rand-Schweißnähte ('rot'
gekennzeichnet) eingegeben werden. |
| Eine Eingabe von Bohrungen
oder Lastlinien ist unterbunden. |
|
 |
|
|
 |
|
| Die Anschlussprofile bilden ein Gleichgewichtssystem; über
sie müssen die eingetragen Lasten miteinander
im Gleichgewicht stehen. |
| Es gibt keine Lagerung. |
Ist das Gleichgewicht nicht erfüllt, kann das Blech nicht
berechnet werden. |
|
 |
|
|
 |
|
| Die allgemeine Eingabe ermöglicht eine beliebige Kombination
der verschiedenen Verbindungselemente. |
| Anschlussprofile können
vorhanden sein, müssen es aber nicht. |
| Schrauben und Schweißnähte
können entweder der Lasteingabe oder der Lastabgabe ('rot'
gekennzeichnet) dienen. |
|
 |
|
|
| Knotenblech |
 |
|
|
| Die Eingabe des Blechs kann rechteckig erfolgen. |
|
| Es sind die Blechabmessungen Dicke, Breite,
Länge einzugeben. |
|
|
|
|
|
| Die Eingabe des Blechs kann polygonal
erfolgen. |
|
| In die Tabelle sind die x-,y-Koordinaten der Umrandung bezogen auf
den oberen linken Eckpunkt der Designoberfläche einzugeben. |
| Die Eingabe der Eckpunktnummern ist optional und dient deren Identifizierung. |
|
|
|
|
| Eine einfache Änderung der Parameter ist auch über den
Pickmechanismus in der Bildschirmgrafik möglich, ein Extrafenster
zur Bearbeitung der Koordinaten wird angeboten. |
|
| Es fehlt noch die Angabe der Blechdicke. Zur Information
werden die maximalen Blechabmessungen angegeben. |
|
Die Eingabe des polygonal umrandeten Blechs kann durch das pcae-Programm 4H-QUER, Querschnittswerte,
erfolgen (nur bei vorhandener Installation). |
Dazu wird das Programm über den Aktions-Button aufgerufen. |
| In einer grafischen Oberfläche kann dort das Knotenblech konstruiert
und an das aufrufende Programm 4H-EC3FK übergeben werden. |
|
|
|
| Weitere Informationen zur Bedienung des Programms 4H-QUER
s. zugehöriges Handbuch. |
|
| Zur visuellen Kontrolle der Eingabeparameter
wird der Anschluss maßstabsgetreu am Bildschirm dargestellt. |
|
|
|
|
|
|
|
| Berechnungsablauf |
 |
|
| Das Programm 4H-EC3FK
weist die Tragfähigkeit
des Knotenblechanschlusses mittels der FE-Methode
nach. |
| Dabei wird das Knotenblech als FE-Scheibe
mit integrierten Schraubenlöchern
(s. Register
3) und Schweißnähten
(s. Register 2) modelliert.
Für die Berechnung sind folgende Parametereinstellungen möglich. |
|
| Wird die FEM-Berechnung des
Knotenblechs durchgeführt, ergeben sich Schnittgrößen des Blechs
und der angeschlossenen Verbindungsmittel, die als Auflager
(Lastabtrag) wirken. |
| Für die Schnittgrößen des Knotenblechs wird ein
elastischer Spannungsnachweis durchgeführt. |
Die Schweißnähte werden
entweder mit dem richtungsbezogenen oder vereinfachten Verfahren
nachgewiesen.
Die Nahtdicken in Bezug zu den zu verschweißenden Blechen
können überprüft werden. |
Optional kann die Tragfähigkeit der Schrauben unter Abscher- und Lochleibungsbeanspruchung berechnet
werden.
Die Abstände der Schrauben untereinander, zu den Schweißnähten
und zum Knotenblechrand
können überprüft werden. |
| Optional kann ein elastischer oder plastischer Querschnittsnachweis der
Anschlussprofile für die eingegebenen Schnittgrößenkombinationen
durchgeführt werden. |
|
| FEM-Profi |
 |
|
Die Finite-Elemente-Methode ist ein Näherungsverfahren
zur Berechnung komplexer mathematischer
Fragestellungen. Da die Steuerung der Berechnungsiteration von der jeweiligen
Systemkonfiguration abhängt,
können hier einige Parameter vom Anwender manipuliert werden. |
|
| Die Federsteifigkeit der Linienlager (Schweißnähte
zum Lastabtrag) wird in Längs- und Querrichtung unterschieden,
da sich das Verformungsverhalten längs- und quer zur Naht sehr
unterscheidet. |
| Programmintern wird eine relativ starre Lagerung
längs der Naht angenommen, während quer dazu die Biegesteifigkeit
des angrenzenden Bauteils weicher reagiert. |
| Punktlager, d.h.
die Lochränder der gelagerten Schrauben, wirken ähnlich
elastisch wie die Querfeder der Linien und wird daher ebenfalls
relativ
weich angesetzt. |
Die Elementierung, d.h. die Güte des FE-Gitternetzes,
beeinflusst die Rechengenauigkeit und -zeit, d.h. je feiner
das
FE-Gitter ausgeführt wird (je dichter die Elementierung), desto höher
ist die Genauigkeit der Ergebnisse, desto länger aber auch die Rechenzeit. |
| Das FE-Netz wird von einem pcae-eigenen
FE-Tool generiert. Voreinstellung ist eine mittlere Dichte von 2. |
|
| FEM-Ergebnisse |
 |
|
| Die Ergebnisse aus der FE-Berechnung
für das Knotenblech (Scheibe) können je Lastkombination
als Konturenplot und/oder tabellarisch ausgegeben werden. |
|
| Für jeden Ergebnissatz wird ein eigener
Konturenplot ausgegeben, wohingegen die Tabelle um die gewählten
Ergebnisspalten erweitert wird. |
|
| In den Tabellen können entweder sämtliche
Knotenergebnisse (nicht empfehlenswert) oder die je Ergebnisspalte
maßgebenden Ergebnissätze (s. Ausdrucksteuerung, optimierte
Tabelle) zeilenweise dargestellt werden. Die Extremalwerte
sind markiert. |
|
| Ebenso können die Schweißnahtkräfte
und -ausnutzung in Liniengrafiken dargestellt werden. |
|
In der schlussendlichen Zusammenfassung kann
die flächenverteilte Ausnutzung des Knotenblechs als
Resultierende
aller Lastkombinationen grafisch und tabellarisch ausgegeben
werden. |
|
|
|
|
|
 |
|
 |
Im Register 2 werden die
Anordnung und Parameter der Schweißnahtgruppen
festgelegt. |
|
|
 |
|
| Bild vergrößern |
 |
|
|
|
An das Knotenblech können bis zu zehn verschie-
dene Schweißnahtgruppen angeschlossen werden. |
| Jeder Gruppe gehören ein Schweißnahttyp
und eine wirksame Nahtdicke an, die auch für
alle Gruppen einheitlich festgelegt werden können (s. einheitliche Schweißnähte, Register
1). |
|
|
|
|
| Eine Schweißnahtgruppe wird über
ihren zentralen Punkt L definiert, der den Lasteintrag oder -abtrag
kennzeichnet. |
| Im Eigenschaftsblatt werden Schweißnähte
blau gekennzeichnet, wenn sie Lasten einleiten können, und
rot, wenn sie als Auflager dienen. Diese Konvention wird auch in
der maßstäblichen
Darstellung eingehalten. |
| Über die Koordinaten xL,yL und
den Verdrehwinkel αL kann der Anschluss eindeutig
platziert werden. |
|
| Ist eine Nahtgruppe aktiviert, stehen drei Gruppentypen zur Auswahl. |
|
 |
| Aus einer Liste ist die Randkante
des Knotenblechs auszuwählen, die als beidseitig geschweißte
Naht das Blech am Rahmensystem fixiert. |
| Der Lastpunkt befindet sich in der Mitte der Nahtlinie, daher ist eine Eingabe
der Koordinaten xL,yL,αL nicht
erforderlich. |
| Die Auswirkung der
Einstellung wird zur optischen Kontrolle am Bildschirm maßstäblich
visualisiert. |
|
|
|
|
|
|
|
 |
| Über ein angeschweißtes Anschlussprofil wird die Last in das Knotenblech
ein- oder abgeleitet. |
Seine Profilkennwerte (s.u.) werden abgefragt,
wobei die Einstellung einheitliche Stahlsorte
des Registers 1 berücksichtigt wird. |
Folgende Profiltypen sind bei Schweißnahtan-schlüssen
möglich: Flachstahl, L-, U-, T-Profil sowie die Hohlprofile
Rechteck und Rohr. |
Offene Profile können ein- oder beidseitig
ange-schweißt werden, Hohlprofile werden geschlitzt
und auf das Knotenblech geschoben. |
| Bei offenen Profilen kann umlaufend geschweißt
oder die Stirnnaht ausgenommen werden. |
|
|
|
|
Der Lastpunkt befindet sich in der Schwerachse des Anschlussprofils,
um Δl vom Stabende verschoben. |
| Bei Bedarf kann der Lastpunkt um Δx längs der
lokalen Stabachse verschoben werden. |
Zur Information werden die Teilbreiten b1 und b2 des
Anschlussprofils
bezogen auf den Lastpunkt angegeben (b1 + b2 = b). |
Bei einem L-Profil mit ungleichen Schenkeln, ist anzugeben, welcher
der Schenkel angeschweißt
ist. |
Schenkel 1 ist i.A. der längere Schenkel. Das L-Profil kann an der
x-Achse gespiegelt sein, d.h. die Koordinatendefinition des Profils
ändert sich. |
Die Auswirkungen der Einstellungen werden zur optischen Kontrolle
am Bildschirm maßstäblich visualisiert. |
|
|
|
|
|
|
 |
Bis zu zehn Einzelnähte können mit ihren Anfangs-
und Endkoordinaten zu einer Schweißnahtgruppe zusammengefasst werden. |
| Der Lastpunkt kann sich beliebig
auf dem Knotenblech befinden. Sinnvoll ist es jedoch, den Mittelpunkt der Schweißnaht als Lastpunkt zu definieren (wird optional
vom Programm berechnet, s.o. Mittelpunkt). |
| Die Nähte können einseitig oder beidseitig des
Knotenblechs angeordnet sein. |
| Die Auswirkungen der Einstellungen werden zur optischen Kontrolle am Bildschirm
maßstäblich visualisiert. |
|
 |
|
|
|
|
|
|
| Profil |
 |
|
Die Profilkennwerte können entweder über
den pcae-eigenen Profilmanager in das
Programm importiert oder als
parametrisiertes Stahlprofil eingegeben werden. |
|
Um ein Profil aus dem Angebot des Profilmanagers zu
wählen, ist der grün unterlegte Pfeil zu anzuklicken. |
Das externe pcae-Programm
wird aufgerufen und ein Profil
kann aktiviert werden. Bei Verlassen des Profilmanagers
werden die
benötigten Daten übernommen und der Profil-
name protokolliert. |
|
 |
|
|
Zur Definition eines parametrisierten
Profils sind
neben
der Profilklasse die Profilhöhe, Stegdicke, Flanschbreite
und -dicke festzulegen. |
Bei gewalzten Profilen wird der Ausrundungsradius
r
zwischen Flansch und Steg bzw. r2 an den äußeren
Flanschrändern geometrisch berücksichtigt,
während geschweißte Blechprofile mit Schweißnähten der Dicke a zusammengefügt sind. |
| Diese Schweißnähte werden nicht nachgewiesen. |
|
| |
|
 |
|
|
|
|
 |
|
 |
Im Register 3 werden die
Anordnung und Parameter der Schraubengruppen
festgelegt. |
|
|
 |
|
| Bild vergrößern |
 |
|
|
|
| An das Knotenblech können bis zu fünf verschiedene Schraubengruppen
angeschlossen werden. |
| Jeder Gruppe gehören Schraubengröße,
-festigkeit und die Bestimmung der Scherfuge an. |
| Diese Parameter können für
alle Gruppen einheitlich festgelegt werden (s. einheitliche Schrauben, Register 1). |
|
| Eine Schraubengruppe wird über
ihren zentralen Punkt M definiert, der den Lasteintrag oder -abtrag kennzeichnet. |
Im Eigenschaftsblatt werden Schrauben
grün gekennzeichnet, wenn sie Lasten einleiten können,
und rot,
wenn sie als Auflager dienen. Diese Konvention wird auch
in
der maßstäblichen
Darstellung eingehalten. |
| Über die Koordinaten xM,yM und
den Verdrehwinkel αM kann der Anschluss eindeutig
platziert werden. |
Eine Schraubengruppe kann entweder als eine Menge von runden Öffnungen
verstanden werden, über die
Schnittgrößen ein- oder abgeleitet werden, oder dazu dienen, Lasten aus einem Anschlussprofil an das
Knotenblech weiterzugeben bzw. im Anschlussprofil zu empfangen. |
|
| Über
ein angeschraubtes Anschlussprofil wird die Last in das Knotenblech
ein- oder abgeleitet. |
Seine Profilkennwerte werden abgefragt,
wobei die Einstellung einheitliche Stahlsorte des Registers 1
berücksichtigt wird. |
| Folgende Profiltypen sind bei Schraubanschlüssen
möglich: Flachstahl, L-, U-, T-Profil. |
| Die Profile können
ein- oder beidseitig angeschraubt
sein. |
| Der Lastpunkt ist
um Δl
vom Stabende und um Δb von der Schwerachse des Anschlussprofils
angeordnet. |
| Bei Bedarf kann der Lastpunkt um Δx,Δy
längs
bzw.
quer zur
lokalen Stabachse verschoben werden. |
Zur Information werden die Teilbreiten b1 und b2 des Anschlussprofils bezogen auf den Lastpunkt
angegeben (b1 + b2 = b). |
|
| Sind die Schenkel eines L-Profils ungleich, ist anzugeben, welcher der Schenkel angeschweißt ist. |
| Schenkel 1 ist i.A. der längere Schenkel. Das L-Profil kann an der x-Achse gespiegelt sein,
d.h. die Koordinatendefinition des Profils ändert sich. |
|
| Die Auswirkungen der Einstellungen werden zur optischen Kontrolle am Bildschirm
maßstäblich
visualisiert. |
|
|
| Schraubenanordnung |
 |
|
| Die Schrauben können regelmäßig bezüglich
des Lastpunkts oder frei angeordnet werden. |
|
Die Schrauben werden um den Lastpunkt M im Raster lx,
by gleichmäßig verteilt, wobei nx Schrauben in
lokaler x-Richtung, ny in lokaler y-Richtung angeordnet werden. |
|
| Bei Bedarf können die Schrauben in Richtung der
Stabachse (x-Richtung) versetzt sein. |
|
|
| Die zweite Variante ermöglicht eine flexible
Schraubenanordnung. Die Schrauben sind durchnummeriert; ihre Koordinaten
werden in tabellarischer Form eingegeben. |
|
| Eine einfache
Änderung der Parameter ist auch über den Pickmechanismus
in der Bildschirmgrafik möglich, ein Extrafenster zur Bearbeitung
der Koordinaten wird angeboten. |
|
| Der Lastpunkt M ist ebenso wie der Verdrehwinkel unabhängig
von den Koordinaten frei eingebbar. Er kann jedoch optional auf den Mittelpunkt des Schraubenbilds bezogen werden. |
|
|
|
|
 |
| |
 |
Das vierte Register beinhaltet die
Masken zur Eingabe der Bemessungsschnittgrößen. |
|
|
 |
|
| Bild vergrößern |
 |
|
|
|
| Die Schnittgrößen werden als Bemessungsgrößen
bezogen auf die Lastpunkte eingegeben und dienen dem Lasteintrag, werden also
nur auf die Gruppen aufgebracht, die mit Lasteintrag gekennzeichnet sind. |
| Schnittgrößen, die Auflager-Gruppen
für den Lastabtrag (rot gekennzeichnet) zugeordnet
sind, werden bei der Berechnung ignoriert. |
Die Vorzeichendefinition der Lastpunkte entspricht dem
x,y-Koordinatensystem (KoS) der Statik, d.h. dem
l,m-System der pcae-Tragwerksprogramme. |
|
| Es stehen drei Varianten der Lasteingabe zur Verfügung. |
|
 |
 |
|
Die Schnittgrößen sind bezogen auf das Knoten-KoS der betrachteten
Gruppe, d.h. der Ursprung des xy-KoS liegt im Lastpunkt. |
| Diese Eingabemöglichkeit wird bevorzugt eingesetzt, wenn
keine Anschlussprofile definiert sind. |
|
|
|
|
|
|
| Zur
Info wird das Knotenblech am Bildschirm maßstäblich dargestellt. |
| Die Knoten-KoS sind eingezeichnet. |
|
|
|
|
|
|
|
|
 |
 |
|
| Sind Anschlussprofile definiert, können die Schnittgrößen
auf das KoS des Anschlussstabs der betrachteten Gruppe
bezogen sein, d.h. die Exzentrizität Δb (s.
Schraubengruppen, Register
3) wird ignoriert. |
| Die hier verwendete Bezeichnung der Schnittgrößen
NEd, VEd, MEd entspricht der Bezeichnung im räumlichen
x,y,z-KoS der Statik NEd, Vy,Ed, Mz,Ed. |
|
|
|
|
|
|
| Zur
Info wird das Knotenblech am Bildschirm maßstäblich
dargestellt. |
| Die Stab-KoS sind eingezeichnet. |
|
|
|
|
|
|
|
|
 |
 |
|
Die Übernahme der Schnittgrößen aus einem Tragwerksprogramm wird
erheblich vereinfacht, wenn die Größen auf den Rahmenknoten, einen
beliebigen Punkt j, bezogen sind. |
Der Punkt j gilt für alle Gruppen gleichermaßen,
wohingegen der Verdreh-
winkel α individuell
je Gruppe gilt. |
|
|
|
|
|
|
| Zur
Info wird das Knotenblech am Bildschirm maßstäblich
dargestellt. |
| Der Übersichtlichkeit halber sind die KoS
nicht eingezeichnet. |
|
|
|
|
|
|
|
|
 |
| Bei
Übernahme der Schnittgrößen aus einem Tragwerksprogramm ist
zu beachten, dass sie sich auch bei unsymmetrischen Querschnittsprofilen (z.B. L-Profil) auf das
Stab-Koordinatensystem
und nicht auf
das Hauptachsensystem (pcae-Bezeichnung: ξ,η,ζ)
beziehen! |
|
|
|
|
|
Die Schnittgrößen können wahlweise in
den nebenstehend angegebenen Einheiten vorliegen. |
|
|
|
|
| Es können bis zu 10.000 Schnittgrößen-kombinationen eingegeben werden. |
|
Je Lastkombination wird für jeden Lastpunkt
(Schraubengruppe M, Schweißnahtgruppe L) eine Schnittgrößenzeile
angeboten, die mit
den Bezugsgrößen gefüllt werden kann. |
|
| Schraubengruppen werden in grün, Schweißnahtgruppen
in blau dargestellt. |
|
|
|
|
Lastzeilen von Gruppen, die nicht für den Lasteintrag zur Verfügung stehen, sind rot gekennzeichnet, können
allerdings ebenfalls Werte enthalten, die jedoch bei der Berechnung ignoriert werden. |
Dient das Verbindungsmittel dem Anschluss eines Stabprofils an das Knotenblech, wird es mit einem '+' versehen.
Für diese Lastpunkte können Schnittgrößen importiert werden (s.u.). |
| Das '*' kennzeichnet die aktuell nicht zur Verfügung stehenden
Lastpunkte. |
|
|
|
|
 |
|
Die statische Berechnung eines Bauteils beinhaltet
i.A. die Modellbildung mit anschließender Berechnung des
Tragsystems sowie nachfolgenden Einzelnachweise von Detailpunkten. |
| Bei der Beschreibung eines Details sind die zugehörenden
Schnittgrößen aus den Berechnungsergebnissen des Tragsystems zu extrahieren
und
dem Detailnachweis zuzuführen. |
| In der 4H-Programmorganisation gibt es hierzu verschiedene Vorgehensweisen |
 |
zum einen können Tragwerks- und Detailprogramm
fest miteinander verbunden sein, d.h. die Schnittgrößenüber-
gabe
erfolgt intern. Es sind i.A. keine weiteren Eingaben
(z.B. Geometrie) notwendig, aber auch möglich (z.B.
weitere Belastungen); die Programme bilden eine Einheit. |
| Dies ist z.B. bei dem 4H-Programm Stütze
mit Fundament der Fall. |
|
 |
zum anderen können Detailprogramme - wie 4H-EC3FK -Schnittgrößen von in Tragwerksprogrammen
speziell festgelegten Exportpunkten über ein zwischengeschaltetes Export/Import-Tool einlesen. |
|
|
|
| Das folgende Beispiel eines einfachen Rahmens erläutert diesen 4H-Schnittgrößen-Export/Import. |
|
Zunächst sind im exportierenden 4H-Programm
(z.B. 4H-NISI) die Stellen zu kennzeichnen,
deren Schnittgrößen beim nächsten Rechenlauf exportiert,
d.h. für den Import bereitgestellt, werden sollen. |
| Die Stäbe müssen in einer Ebene liegen
(beim ebenen Stabwerk obligatorisch) und sich in
einem Knotenpunkt treffen. |
|
| In diesem Beispiel sollen die Schnittgrößen
für einen
Fachwerkknoten übergeben
werden. |
| Dazu ist an den Stäben, die am betrachteten
Knoten liegen, je ein Kontrollpunkt
zu setzen. |
|
| Ausführliche Informationen zum Export entnehmen Sie
bitte dem DTE®-Schnittgrößenexport. |
|
 |
|
|
Nach einer Neuberechnung des Rahmens stehen die Exportschnittgrößen
dem aufnehmenden 4H-Programm
(z.B. 4H-EC3FK) zum Import zur Verfügung. |
|
|
aus dem aufnehmenden 4H-Programm
wird nun über den Import-Button das
Fenster zur
DTE®-Bauteilauswahl aufgerufen. |
|
|
|
 |
| Die
Schnittgrößen können nur für Stäbe importiert
werden. |
| Die
Schnittgrößen können nur im Stab-Koordinatensystem oder
für den Punkt
j importiert werden. |
|
|
|
|
Es werden auch Schnittgrößen an Auflagern
(rot gekennzeichnet) importiert, die jedoch bei der Berechnung
ignoriert werden. |
|
| Zunächst erscheint ein Infofenster, das den Anwender
auf die wesentlichen Punkte hinweist. |
Es besteht die Möglichkeit,
den Import an dieser Stelle abzubrechen, um ggf. das exportierende
Programm
entsprechend vorzubereiten. |
|
| Nach Bestätigen des Infofensters wird die DTE®-Bauteilauswahl aktiviert. |
|
 |
|
|
In der Bauteilauswahl werden alle berechneten
Bauteile nach Verzeichnissen sortiert dargestellt, wobei diejenigen,
die Schnittgrößen
exportiert haben, dunkel gekennzeichnet sind. |
|
|
|
Das gewünschte Bauteil kann nun markiert und über
den bestätigen-Button ausgewählt
werden. Alternativ kann
durch Doppelklicken des Bauteils direkt in die DTE®-Schnittgrößenauswahl verzweigt
werden. |
|
| In der Identifizierungsphase der
Schnittgrößenauswahl werden alle verfügbaren Schnitte des ausgewählten Bauteils
angezeigt, wobei diejenigen Schnitte deaktiviert sind, deren Material nicht kompatibel mit dem Detailprogramm ist. |
|
|
|
| Nun werden die Schnitte den einzelnen
Abteilungen (hier die Lastpunkte M1, L1, L2)
in der Schnittgrößentabelle
zugeordnet. |
Dazu wird der entsprechende Eintrag (hier Punkt
6)
angewählt und der zugehörigen Zeile in der dann folgenden
Tabelle zugewiesen (hier Schnitt M1). |
| Ist eine
Abteilung festgelegt, werden die in Frage kommenden
möglichen Alternativen für die noch nicht festgelegte Abteilung
mit einem Pfeil gekennzeichnet. |
|
|
sind nicht ausreichend Schnitte
vorhanden, kann die DTE®-Schnittgrößenauswahl nur über den
abbrechen-Button verlassen werden,
ein Import ist dann nicht möglich. |
|
|
|
| Zur visuellen Kontrolle werden in einem nebenstehenden
Fenster die definierten Schnitte angezeigt. |
| |
|
| erst wenn sämtliche Schnitte zugeordnet
sind, ist die Identifizierungsphase abgeschlossen und
die Schnittgrößenauswahl folgt. |
|
|
|
 |
|
|
Es werden die verfügbaren
Schnittgrößenkombinationen der gewählten Schnitte
angeboten, die über das
'+'-Zeichen am linken Rand aufgeklappt werden
können. |
|
 |
|
| Bild vergrößern |
 |
|
|
|
| Die Kombinationen können beliebig zusammengestellt
werden. |
|
über den nebenstehend dargestellten Button kann die Anzahl an Schnittgrößenkombinationen
durch
Abwahl doppelter Zeilen häufig stark reduziert werden |
|
|
|
Wenn eine Reihe von Anschlüssen gleichartig
ausgeführt werden soll, können
in einem Rutsch weitere
Schnittgrößen anderer
Schnitte aktiviert und so bis zu 10.000 Kombinationen übertragen
werden. |
|
|
wird das Import-Modul über den bestätigen-Button verlassen, werden
die Schnittgrößen übernommen
und für
das importierende Programm aufbereitet |
|
|
|
 |
pcae gewährleistet durch geeignete Transformationen,
dass die Schnittgrößen sowohl im KoS des importierenden Programms vorliegen, als auch - bei mehrschnittigen
Verbindungen - einander zugehörig
sind, d.h. dass die Schnittgrößen einer Lastkombination des aufnehmenden Programms
aus derselben Faktorisierungsvorschrift entstanden sind. |
|
|
|
|
| In einem Infofenster werden die eigene Auswahl
fett und die aus der Faktorisierungsvorschrift
berechneten Schnittgrößen eines anderen Schnitts in normaler
Schriftdicke dargestellt. |
|
|
|
Auch an dieser Stelle
besteht noch einmal die Möglichkeit,
doppelt
vorkommende Zeilen zu ignorieren. |
|
Das aufnehmende Programm bestückt nun
die
Schnittgrößentabelle. |
|
|
|
|
|
|
| Bei der Übernahme erfolgen Plausibilitätschecks
und ggf. Meldungen. |
|
 |
Eine Aktualisierung der importierten Schnittgrößenkombinationen, z.B. aufgrund einer Neuberechnung
des exportierenden Tragwerks, erfolgt nicht! |
|
|
|
|
| Besonderheiten beim
Anschluss nur eines Stabs |
 |
| Soll nur ein Stab angeschlossen werden
oder liegen alle Importstäbe parallel zueinander,
kann keine Transformationsebene aufgebaut werden. |
| Dann werden die Schnittgrößen ohne weitere
Transformationen eingelesen. Es ist dann darauf zu achten,
dass die Stabdefinition des exportierenden Programms
mit der aktuellen übereinstimmt. |
Der Import von Schnittgrößen
nur eines einzigen Schnitts erfolgt nach den o.a. Regeln. Da programmintern
keine Transformation durchgeführt werden kann, besteht die
Möglichkeit, die Importschnittgrößen 'per Hand'
in die Richtung des Anschlussstabs zu drehen. |
|
 |
| Nach Betätigen
des Transformationsbuttons in
der Kopfzeile des aktivierten Punkts können die Transformationsregeln
bearbeitet werden. |
|
|
|
| Nach Bestätigen des Fensters werden die Schnittgrößen
angepasst und können importiert werden. |
|
|
|
|
|
 |
|
 |
das fünfte Register gibt einen Überblick über
die ermittelten Ergebnisse |
|
|
| Zur sofortigen Kontrolle werden die Ergebnisse in diesem Register lastfallweise übersichtlich
zusammengestellt. |
|
 |
|
Eine Box zeigt an, ob ein Lastfall die Tragfähigkeit
des Anschlusses überschritten hat (rot ausgekreuzt)
oder wie viel Reserve noch vorhanden ist (grüner Balken). |
Bei bis zu fünf Lastkombinationen werden zur Fehleranalyse oder zur Einschätzung
der Tragkomponenten
die Einzelberechnungsergebnisse
protokolliert. |
Die maximale Ausnutzung wird sowohl als 'Gesamt' unterhalb
der Zusammenstellung als auch am oberen
rechten Fensterrand angezeigt. |
Ebenso wird die maßgebende Lastkombination gekennzeichnet
und kann über den Aktionslink direkt in der
Druckliste eingesehen
werden. |
|
 |
|
| Eine Meldung zeigt an, wenn ein Fehler aufgetreten
oder die Tragfähigkeit überschritten ist. |
| Wenn die
Ursache des Fehlers nicht sofort ersichtlich ist, sollte
die Druckliste in der ausführlichen Ergebnisdarstellung geprüft
werden. |
|
|
|
 |
|
 |
das sechste Register stellt die FEM-Ergebnisse
grafisch dar |
|
|
 |
|
| Bild vergrößern |
 |
|
|
|
| In erster Linie werden in diesem Register die Ergebnisse
der FEM-Berechnung dargestellt. |
Dazu gehören die Verformungen u
und bezogenen Spannungen n. Zusätzlich können die Traglastausnutzungen U
visualisiert werden, die aus der Auswertung der nachfolgenden Bemessung resultieren. |
| Damit ist die Möglichkeit gegeben, die Nachweisergebnisse
schlüssig nachzuvollziehen. |
|
|
|
| Aus
einer Listbox wird eine Lastkombination ausgewählt. |
|
| Zusätzlich zu den berechneten Kombinationen können Ergebnisse der maximalen
Ausnutzung dargestellt werden. |
|
|
|
|
| Für
diese Ergebnisse wird in einer weiteren Listbox der Ergebnistyp festgelegt. |
| Die
ersten drei Symbole gelten für das Knotenblech. |
Es stehen ein Konturenplot, die Deformation sowie eine Vektordarstellung der Spannungen
zur Verfügung. |
| Das vierte Symbol gilt für Schweißnähte, die dem Lastabtrag dienen (Lagerlinien), die in einer Liniengrafik
analysiert werden können. |
|
|
|
|
| Ist
der Konturenplot ausgewählt, stehen die Ergebnisse der |
|
 |
| Verschiebungen
ux, uy sowie der resultierenden Verschiebung
u, |
|
 |
| bezogenen Normalkräfte
nxx, nyy, nxy und |
|
 |
|
|
|
| zur Verfügung. Optional kann das FE-Netz angezeigt werden. |
Ebenso werden bei Aktivierung der FE-Werte die Zahlenwerte der Elementknoten angezeigt,
auf die der Maus-Cursor zeigt. |
| Aus zwei Farbpaletten kann die Einfärbung des Konturenplots gewählt
werden. |
| Zur Info werden die maximale Anzahl der Finiten Elemente und FE-Knoten
angegeben. |
|
|
|
|
| Darstellung der Ergebnisse am Bildschirm (Beispiele) |
|
 |
| Konturenplot der Ausnutzungen mit Angabe eines beliebig ausgewählten
FE-Werts. |
| Zur Info wird die maximale Ausnutzung protokolliert. |
|
 |
|
|
|
 |
| Verformungsfigur. Zur Info wird die maximale Verschiebung angegeben. |
|
 |
|
|
|
 |
| Vektordarstellung der bezogenen Normalkräfte |
|
 |
|
|
|
 |
| Liniengrafik einer Schweißnaht (Lagerlinie) |
|
 |
| Der Kurvenverlauf stellt die FEM-Ergebnisse der Lagerlinien dar. |
Für die Bemessung wird das integrale Mittel je Linienabschnitt
gebildet, das als abgetreppte grüne Linie
eingezeichnet
ist. |
| Die Maximalwerte der FEM-Berechnung (in schwarz) und der Bemessung
(in grün) sind zur Info ausgegeben. |
| Schweißnachweise werden
für die
Bemessungswerte durchgeführt und ergeben die Linie der Ausnutzungen
UL. |
|
|
|
| Zur Darstellung des Druckdokuments s. Beschreibung
der Ergebnisse. |
|
|
|
 |
|
Schrauben und Schweißnähte, die zu einem Anschlusspunkt
gehören, werden jeweils zu Gruppen
zusammengefasst. |
Die Anschlusspunkte
werden als Lastpunkte (M - Schrauben, L - Schweißnähte) bezeichnet,
da über sie
entweder Schnittgrößen in das Modell eingeleitet
oder aus
dem
Modell
weitergeleitet
werden. |
| Innerhalb einer Gruppe können die Schrauben und Schweißnähte
beliebig auf dem Blech angeordnet sein. |
Die Achspunkte der Schrauben sowie
die Mittelpunkte der Schweißnahtabschnitte bilden jeweils einen Punktequerschnitt (s. Modellierung
des Anschlusses), mit dessen Hilfe eine einwirkende Schnittgröße
auf die Einzelpunkte verteilt wird. |
|
| Für das o.a. Beispiel ergibt sich für Schrauben
folgende Verteilung |
|
| Die Schrauben sind je Gruppe durchnummeriert. Die x,y-Koordinaten
beziehen sich auf das Scheibenkoordinatensystem, die Kräfte
Fx,Fy auf das Schraubenkoordinatensystem. |
|
| Auf die Schweißnähte einer Gruppe (s. obiges Beispiel)
verteilen sich die Schnittgrößen wie folgt |
|
Die Schweißnähte werden in Abschnitte unterteilt,
die je Gruppe durchnummeriert sind. Die x,y-Koordinaten
beziehen sich auf das Scheibenkoordinatensystem, die Kräfte
Fx,Fy wirken im Mittelpunkt
des Nahtabschnitts
und sind auf das Schweißnahtkoordinatensystem bezogen. |
Bezogen auf die Länge lw des Nahtabschnitts (der Teilnaht)
ergeben sich die Kräfte längs fl und quer fm zur Naht,
die im Winkel φ zur x-Achse des Schweißnahtkoordinatensystems wirken. |
|
| Die Schnittkräfte der Nahtgruppe werden zudem in einer Liniengrafik
dargestellt (L Gesamtlänge der Nahtgruppe). |
|
|
| Berechnung eines Punktequerschnitts |
 |
|
|
Die Berechnung des Punktequerschnitts ist ein eigenes Programmmodul, das auf einem linksgerichteten
y,z-Koordinatensystem basiert. Die Koordinaten der Gruppenmitglieder werden auf dieses
Koordinatensystem transformiert. |
Zunächst wird das y,z-Koordinatensystem in
einen beliebigen Punkt (z.B. den Lasteinleitungspunkt) gelegt.
Bezogen darauf sind die Koordinaten des Punktehaufens (hier: das Schraubenfeld der Gruppe) gegeben. |
Für jeden Punkt lassen sich zu einer einwirkenden
Schnittgrößenkombination
die resultierenden Kräfte in
Richtung der Koordinatenachsen
sowie der resultierenden Gesamtkraft berechnen. |
| Für einen Punktehaufen im y/z-Koordinatensystem
gilt (i = Schraubenindex) |
|
| Damit ergibt sich für jeden Punkt bzw. jede Schraube i |
|
| Da die Schrauben je Gruppe einheitlich sind,
brauchen die Querschnittswerte nicht gewichtet zu werden (fvk,i = 1). |
|
|
|
| Nachweise der Schrauben |
 |
|
|
|
| Es liegt Schraubenkategorie A vor. |
Informationen zur Berechnung der Tragfähigkeit
entnehmen Sie bitte der allgemeinen Beschreibung der
Schrauben mit Abscherbeanspruchung. |
|
|
|
| Es liegt Schraubenkategorie A vor. |
| Da für Knoten- und Anschlussprofile unterschiedliche
Randabstände
und Blechdicken gelten,
wird die Tragfähigkeit separat
ermittelt. |
Informationen zur Berechnung der
Tragfähigkeit
entnehmen Sie bitte der allgemeinen Beschreibung der
Schrauben
mit Lochleibungsbeanspruchung. |
| Die Lochleibungstragfähigkeit
wird je Schraube und Lastrichtung ermittelt. |
Nach ECCS wird
die resultierende Lochleibungstragfähigkeit
einer Schraube als Minimalwert der vektoriellen
Addition
der Kraftrichtungen gewonnen. |
|
|
|
| Für jede Schraube wird die maximale Ausnutzung
berechnet und im Anschluss daran die Gesamtausnutzung der Gruppe
M ausgewiesen. |
|
|
|
|
|
|
| Nachweise der Schweißnähte |
 |
|
Die Schweißnähte werden
entweder mit dem richtungsbezogenen oder vereinfachten Verfahren nachgewiesen.
Informationen
zur Berechnung der Tragfähigkeit s. allgemeine Beschreibung der Schweißnähte. |
Für jeden Nahtabschnitt wird die maximale Ausnutzung
berechnet und im Anschluss daran die Gesamtausnutzung
der Gruppe L ausgewiesen. |
|
|
|
 |
|
Der Tragsicherheitsnachweis des dünnwandigen
Knotenblechs wird mit dem Nachweisverfahren
Elastisch-Elastisch geführt. |
|
| Nachweisverfahren Elastisch-Elastisch |
 |
Beim Nachweisverfahren Elastisch-Elastisch (E-E)
werden die Schnittgrößen (Beanspruchungen) auf Grundlage
der Elastizitätstheorie bestimmt. |
| Der Spannungsnachweis erfolgt mit dem Fließkriterium aus DIN EN 1993-1-1, Abs. 6.2.1(5). |
|
| Normalspannungen aus den Schnittgrößen nxx, nyy, nxy der FEM-Berechnung |
|
| Vergleichsspannung |
|
| Da die Spannungsnachweise auch in den Hauptrichtungen
maßgebend werden können, sind ebenfalls die Hauptnormalspannung
σ12 und die Hauptschubspannung τ12 zu
beachten |
|
| Die Teilausnutzungen ergeben sich zu |
|
| und werden zu einer Spannungsausnutzung zusammengefasst
und je FE-Knoten ausgewiesen |
|
|
|
|
 |
|
| Aus dem Architektenplan ist ein statisches Modell
zu bilden, das mit herkömmlicher Tragwerks-Software berechnet werden
kann. Dazu werden Träger, Stützen, Streben als masselose Stäbe
der entsprechenden Steifigkeit abgebildet, die über Knoten zusammengefügt sind. |
| Die numerische Berechnung des statischen Systems liefert Stab-Schnittgrößen,
die mit den äußeren Lasten
im Gleichgewicht stehen. |
| Es erfolgt die Rücktransformation in
das Architektenmodell, indem die Träger, Stützen, Streben
für die berechneten Schnittgrößen bemessen d.h. ausgewiesen
werden. |
| Sind nun die Querschnittswerte bekannt, ist das Tragwerk zusammenzusetzen, d.h. zu konstruieren. |
Die Ausbildung der Knoten, der Verbindungspunkte
der Stäbe,
erfordert eine besondere Aufmerksamkeit, da
einerseits die in der Statik angenommene Steifigkeit (steif, gelenkig, nachgiebig)
in die Realität umzusetzen ist,
als auch die konstruktiven Bedingungen
zur Gestaltung des Anschlusses beachtet werden müssen. |
Im vorliegenden Programm 4H-EC3FK geht es um die wirtschaftliche
Dimensionierung eines Verbindungsblechs,
das in seiner Ebene Kräfte aus angreifenden Streben überträgt. Das Blech hat dabei die
Funktion eines
'Abstandhalters' zum Knotenpunkt des Tragsystems. |
|
| Ein typischer Fall ist der Anschluss der Diagonalstreben eines Tragsystems, deren Kräfte über
Knotenbleche in das Haupttragsystem eingeleitet werden (s. Bild linke Seite). |
| Besondere Beachtung ist auf die Exzentrizität der Lasteinleitung
in das Haupttragsystem zu legen, da der (statische) Knoten sich i.A.
nicht innerhalb des Knotenblechs befindet. |
| Eine ausführliche Beschreibung der Ergebnisausgabe im Druckdokument
erfolgt anhand von Beispiel 1 (s.u.). |
|
 |
|
| Ein anderer Fall ist die Verbindung von Streben in einem
Kreuzungspunkt (s. Bild rechte Seite). |
| Es werden Knotenbleche eingesetzt, um die im Gleichgewicht stehenden
Stabkräfte zu übertragen. |
Häufig haben die Streben unterschiedliche
Profile, so dass das Knotenblech die Funktion der 'Umleitung'
der Kräfte übernimmt. |
Eine Beschreibung der Ergebnisausgabe
erfolgt unter Beachtung der Ausführungen unter Bsp. 1
anhand von Beispiel 2 (s.u.). |
|
| Beispiel 3 behandelt den Fall, dass Streben über
einen (gelenkigen) Bolzen an das Tragbauteil angeschlossen werden. |
Idealerweise befindet sich der Bolzen im Knoten der Stabachsen,
was jedoch geometrisch häufig nicht möglich ist. |
| Das Tragbauteil (z.B. der Steg eines T-Profils) wird
als Knotenblech modelliert, die
Augenstäbe als beidseitig angeordnete Flachstähle. |
| Eine
Kontrolle der Augenstabgeometrie erfolgt nicht. |
|
| Die Ergebnisausgabe wird dokumentiert, wobei auch hier die Ausführungen der vorangestellten Bsp. 1 und 2 zu beachten sind. |
|
 |
|
|
|
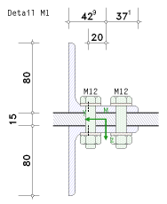
| Beispiel 1: Knotenblech
t = 15 mm, L80x8 (beidseitig) angeschraubt mit 4 x M12, 8.8, Stahlgüte S235 |
 |
|
|
Zwei Seiten des Knotenblechs sind über beidseitige
Kehlnähte,
aw = 4 mm an das Haupttragsystem geschweißt. |
| Die Zugkraft Fx,Ed = 150 kN aus der angeschraubten Diagonalstrebe soll
übertragen werden. |
Die Schrauben leiten die Last aus dem Lastpunkt in das
Blech; die Schweißnähte werden als Linienlager für den
Lastabtrag modelliert. |
| Die Verbindung ist in der maßstäblichen Bildschirmgrafik dargestellt. |
| Das Anschlussprofil wird detailliert skizziert. |
|
 |
|
 |
|
|
Die Koordinatensysteme der Verbindungselemente sind farblich gekennzeichnet. Für das Knotenblech steht braun,
für die Schrauben grün, für die Schweißnähte blau. Diese Konvention wird konsequent eingehalten. |
Neben den wesentlichen Abmessungen sind Stahlsorte, Schraubenfestigkeit, Schweißnahtdicken und Profilname
sind in der Grafik vermerkt. |
| Das Knotenblech ist i.A. polygonal berandet. Die Punktnamen sind ebenso wie die Kennpunkte
der Verbindungs-elemente M für Schraubengruppen und L für Schweißnahtgruppen eingezeichnet. |
| Für jede Schraube werden die minimalen Abstände zu den Rändern
und zwischen den Löchern überprüft und protokolliert.
Tritt ein Fehler auf, d.h. ist ein Abstand zu gering, erfolgt die Beendigung
der Berechnung mit einer entsprechenden Meldung. |
|
| Ebenso werden die Schweißnahtdicken
je Nahtgruppe überprüft. Bei Kantennähten wird
vorausgesetzt, dass das Anschlussbauteil dicker ist als das Knotenblech. |
|
Die Lasten werden je Lastpunkt eingegeben (hier: nur Lastpunkt M1) und anschließend auf die
Gruppenmitglieder verteilt. Bei einer gleichmäßigen Anordnung der Schrauben in Bezug auf den Lastpunkt, wie
es in diesem Beispiel
der Fall ist, erhält bei einer reinen Zugkraft jede Schraube den gleichen Anteil. |
| Die berechnete Kraft je Schraube ist auf
das globale (Knotenblech-) xy-Koordinatensystem bezogen. |
|
Diese Kräfte werden auf das FEM-System aufgebracht und berechnet. Die resultierenden
Schnittgrößen
werden nachgewiesen. |
|
| Nachweis der Schrauben |
|
| Die Schrauben werden für die Scherkräfte
auf Abscheren und Lochleibung nachgewiesen. |
|
|
| Nachweis des Anschlussprofils |
|
| Für das angeschlossene Profil werden ein Spannungsnachweis und der Nettonachweis des Querschnitts
geführt. |
|
|
| Nachweis der Schweißnähte |
|
| Die Schweißnähte werden für die sich
je Nahtabschnitt ergebenden konstanten Linienlasten
nachgewiesen. |
|
| Der besseren Übersichtlichkeit halber werden die Bemessungskräfte und Ausnutzungen
der Schweißnähte zudem in Form von Liniengrafiken angegeben. |
|
|
| Nachweis des Knotenblechs |
|
| Die FEM-Ergebnisse des Knotenblechs liegen
in grafischer Form als Konturenplot oder als Tabelle vor. |
| Die Grafiken vermitteln einen Gesamteindruck des Tragverhaltens des Knotenblechs. |
|
| In den Tabellen werden die extremalen (minimalen und maximalen) Ergebnisse
gelb unterlegt. |
| Es werden die Verschiebungen, bezogenen Normalspannungen sowie zusätzlich die Normal-,
Schub- und Vergleichsspannungen, die der Spannungsausnutzung zu Grunde liegen, protokolliert. |
|
|
| Zusammenfassung |
|
| Das Endergebnis wird - aufgeschlüsselt
nach den Verbindungsmitteln - ausgegeben. |
|
Bei Bedarf wird die maximale Ausnutzung
des Knotenblechs (FEM-Berechnung) aus allen Lastkombinationen
grafisch (Konturenplot) und tabellarisch (mit zugehörigen Größen) dargestellt. |
|
Aus dem Konturenplot der Knotenblech-Ausnutzungen
ist ersichtlich, dass sich ein Schub-Zugversagen im
Bereich der Schrauben (Blockversagen von Schraubengruppen) einstellt. |
| Zwischen zwei Schrauben
treten Querspannungen auf und erreichen die maximale
Ausnutzung (Up =
100%). |
| Damit übertreffen
sie die Lochleibungsbeanspruchung der Schrauben (Usc =
93%). |
| Die Tragfähigkeit der Schweißnähte
ist hier nicht maßgebend
(Usa = 43%). |
|
|
|
|
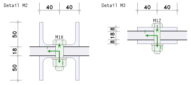
Beispiel 2: Knotenblech t = 18
mm, 2 x UPE80 (beidseitig) angeschraubt mit je 2 x M16, 8.8,
2 x Blech 80x8 (beidseitig) angschraubt mit je 3 x M12, 8.8, Stahlgüte S235 |
 |
|
|
 |
|
| Im Zentrum des Knotenblechs treffen die Wirkungslinien der
jeweils beidseitig angeordneten Streben zusammen. |
Es werden zwei Profiltypen
verwendet, die mittels unterschiedlicher Schrauben (Größe und Anordnung) mit
dem Blech verbunden werden. |
| Die in den Streben wirkenden Kräfte Fx,Ed,M1 =
Fx,Ed,M2 = 65 kN, Fx,Ed,M3 =
Fx,Ed,M4 = 99.58 kN stehen im
Gleichgewicht, daher wird neben den Lasteintragsgruppen M1 bis M4 keine
Lastabtragsgruppe benötigt. |
| Es handelt sich um ein Verbindungsblech (s. Register 1). |
| Die Anschlussprofile werden für jede Gruppe im Schnitt dargestellt,
hier ein Auszug aus dem Druckdokument. |
|
|
|
| Nach Kontrolle der Schraubenabstände und Ermittlung der Lastverteilung
auf die Schrauben wird für Systeme ohne Auflager (Lastabtragsgruppe) die
Gleichgewichtskontrolle aller Lastkombinationen durchgeführt. |
|
| Die Momentensumme und
Kräftesummen werden gegen eine geringe Toleranz verglichen. Ist diese überschritten,
wird die Berechnung mit einer entsprechenden Fehlermeldung abgebrochen. |
| Für die FEM-Berechnung wird ein fiktives Punktauflager
definiert, das im besten Fall keine Lagerreaktionen erhält. Treten jedoch
nennenswerte Größen auf, sind die Ergebnisse nicht vertrauenswürdig und
werden verworfen. |
| Da die Verformungen bei Gleichgewichtssystemen nicht aussagekräftig
sind, werden sie nicht berechnet. |
|
| Im Endergebnis wird die maximale Ausnutzung des Knotenblechs
(FEM-Berechnung) der berechneten Lastkombinationen grafisch und tabellarisch
dargestellt. Ist nur eine Lastkombination vorhanden, entspricht dies |
|
| Die maximale Ausnutzung des Knotenblechs tritt bei den Schraubengruppen
M1 und M2 auf. |
Es ist erkennbar, dass die dem Mittelpunkt des Blechs am nächsten liegenden Schrauben durch
Querspannungen am höchsten beansprucht
werden. |
Die Ausnutzung aus den Hauptnormalspannungen ist maßgebend,
daher ist in der Tabelle die
Vergleichsspannung zu Null gesetzt. |
Die Ausnutzung erreicht die maximale Ausnutzung (Up = 95%) und übertrifft
damit die maximale
Beanspruchung der Schrauben einschl. Anschlussprofil (Usc = 87%). |
|
|
|
|
Beispiel 3: Knotenblech t = 21 mm, 2 x Blech 90x14 (beidseitig) angeschraubt
mit je 1 x M30, Fk 4.8 (Bolzen),
Stahlgüte S235 |
 |
|
|
 |
|
Das Knotenblech entspricht dem Steg des Tragbauteils (1/2
HE360M) mit einer Dicke von 21 mm, einer Länge
(lichte Steghöhe)
von 157,5 mm und einer fiktiven Breite von 400 mm. |
Daran befestigt sind beidseitig zwei Zugbleche
(Augenstäbe, die Ausrundung wird nicht berücksichtigt)
mit je einer Schraube M30, wobei die Bolzenfestigkeitsklasse Fk 4.8 als benutzerdefinierte Festigkeit
mit fub = 420 N/mm2 vorgegeben wird. |
| Das Knotenblech wird am Flansch des T-Profils
mit einer beidseitigen Stumpfnaht a = 4 mm angeschweißt. |
Da es sich um eine interne Rechengröße handelt, wird sie im Weiteren nicht näher betrachtet.
Ein Nachweis
wird nicht geführt. |
| Die Schrauben sind durch die Streben mit einer Kraft Fx = +/- 150 kN belastet. |
|
 |
|
In der Visualisierungsgrafik der Verformung ist zu erkennen,
wie sich der Einfluss des Blechrands bei
der Verformung der Schraubenlöcher
auswirkt. |
| Die Zugbelastung der linken Strebe führt zwar auf Grund des geringen
Abstands zum Blechrand zu einer größeren Lochverformung und damit zu erhöhten
Querspannungen, jedoch hemmt das Linienlager (die Schweißnaht) die Lochverformung
der rechten Schraube und führt zuf höheren Druckspannungen am Lochrand
in Kraftrichtung. |
|
| Das Ergebnis zeigt eine relativ geringe Ausnutzung des Knotenblechs,
eine weitere Steigerung der Belastung ist demnach möglich. |
Jedoch wurden bolzenspezifische Nachweise (Biegung,
Abscheren mit Biegung) nicht berücksichtigt, so dass
zwar das Knotenblech
höhere Spannungen ertragen kann, allerdings das Anschlusselement ggf. versagt. |
|
|
|
|
|
 |
| zur Hauptseite 4H-EC3FK,
Freies Knotenblech |
 |
|
|