 |
|
| Seite erweitert August 2024 |
 |
Kontakt |
 |
|
 |
Programmübersicht |
 |
|
 |
Bestelltext |
 |
|
|
|
|
|
| Handbuch |
 |
|
|
|
|
| Infos auf dieser Seite |
... als pdf |
 |
|
 |
 |
Norm / Material / Querschnitt |
 |
|
 |
Gewählte Bewehrung .............. |
 |
|
 |
Schnittgrößenimport ............... |
 |
|
 |
Bemessungsp./ Schnittgrößen |
 |
|
 |
Durchführung Bemessung ....... |
 |
|
 |
Ausdrucksteuerung ................ |
 |
|
|
|
 |
Nationale Anhänge ................. |
 |
|
|
 |
|
|
 |
|
 |
Im ersten Register werden die Material- und Querschnittsparameter
festgelegt. |
|
|
 |
|
| Bild vergrößern |
 |
|
|
|
|
|
| Norm |
 |
|
In einer Liste werden die beiden zur Verfügung
stehenden Bemessungsregeln (Normen)
EC 2 Hochbau und EC 2 Betonbrücken
(s. Literatur)
angeboten. |
|
 |
|
|
| Material |
 |
|
| In einer Liste werden die zur Verfügung
stehenden Betonstahl- und Betongüten angeboten. |
| Die Namen (z.B. C30/37) stehen für eine
Reihe von Parametern, die zur Berechnung verwendet werden. |
| Jeweils am Ende der Liste kann
über den Eintrag frei auf diese Parameter direkt
zugegriffen werden. |
|
| Die Spannungsdehnungslinie des Betonstahls wird
n. EC 2, 3.2.2, bilinear approximiert. |
| Die Spannungsdehnungslinie des Betons im Grenzzustand
der Tragfähigkeit (GZT) entspricht n. EC 2, 3.1.7,
einem Parabel-Rechteck-Diagramm. |
|
 |
|
|
| Eine Beschreibung der Baustoffe sowie der o.a. Funktionen
befindet sich hier. |
|
|
| Materialsicherheitsbeiwerte |
 |
|
| Das Bemessungskonzept des Eurocode sieht vor,
dass die Schnittgrößen (Lastseite) mit Teilsicher-heitsbeiwerten
und die Baustoffe (Materialseite) mit Materialsicherheitsbeiwerten
gewichtet werden. |
| Die Bemessung erfolgt für die gewichteten Schnittgrößen
(Bemessungsgrößen), die in Abhängigkeit der Belastungsart
(Kombination) festgelegt wurden. |
|
 |
|
| Daher können die Materialsicherheitsbeiwerte
für die Grundkombination, Erdbeben-Kombination oder außergewöhnliche Kombination nach EC 0 vom Programm vorbelegt werden (s. NA). |
Analog zu den Beton- und Stahlgüten kann
über den Eintrag frei am Ende der Liste
auf die Beiwerte direkt
zugegriffen werden. |
| Nähere Informationen zum Sicherheitskonzept
finden Sie hier. |
|
|
| Expositionsklasse |
 |
|
| Optional kann die Expositionsklasse des Bauteils berücksichtigt werden. |
| Ist eine Beanspruchungsklasse nicht maßgebend,
kann sie deaktiviert werden. |
| Anhand der Expositionsklasse werden die Betondeckung
und die Mindestbetongüte überprüft. |
|
 |
|
| Sind die Werte unterschritten, erfolgt eine Fehlermeldung. |
| Nähere Informationen zur Dauerhaftigkeit und Betondeckung
finden Sie hier. |
|
| Zur Interpretation des Endergebnisses ist die Eingabe
des maximalen Bewehrungsgrads obligatorisch. Wird er
überschritten, erfolgt eine Fehlermeldung. |
|
|
| Der eingegebene Datenzustand kann exportiert
(temporär gesichert) und in einem Bauteil derselben
Klasse (hier: 4H-EC2KB) wieder importiert
werden. |
|
 |
|
|
| Querschnitt |
 |
|
| Das Programm 4H-EC2KB
unterscheidet die Berechnungen für eine Lastkonsole und eine Auflagerkonsole. |
|
 |
|
|
 |
|
| Beide Konsoltypen können als Einzelkonsole oder Trägerkonsole ausgeführt werden,
wobei Einzelkonsolen eine definierte Breite haben und
mit einer Einzellast beaufschlagt sind, während Trägerkonsolen
entlang eines Balkens führen und mit einer gleichmäßigen
Linienlast belastet sind. |
|
| Bsp. Auflagerkonsole als Trägerkonsole |
|
 |
|
|
| Die Lastkonsole kann als Einzelkonsole
entweder an eine Stütze oder einen Träger angeschlossen sein. |
|
 |
|
|
| Die geometrischen Parameter werden in Abhängigkeit
der eingestellten Systemdaten abgefragt. |
| Das System wird online am Bildschirm maßstäblich
dargestellt. Die Eingabewerte sind vermaßt. |
|
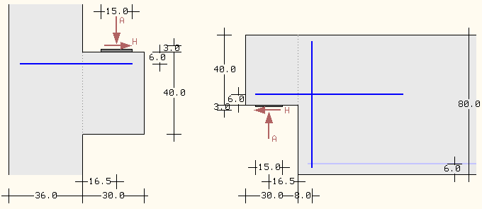
| Lastkonsole als Einzelkonsole
an einer Stütze |
|
|
| Die Stützenbreite b entspricht der
Systembreite der Einzelkonsole. |
| Optional kann der untere Teil der Konsole abgeschrägt
sein, da er spannungslos bleibt. |
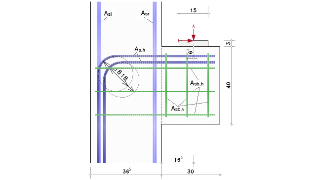
| Es wird nur die Bewehrung, deren Lage für
die Bemessung erforderlich ist, in die Zeichnung aufgenommen |
 |
| die Hauptzugbewehrung mit dem Achsabstand d1k |
|
|
|
| Die Abstände der Einzellasten Δa für die
Vertikallast A und Δh für die Horizontallast H sind anzugeben. |
| Optional kann eine Lagerplatte vorgesehen
werden, die sich mittig unter der Vertikallast befindet. |
|
| Lastkonsole
als Einzelkonsole an einem Träger |
|
|
| Die Trägerbreite b entspricht
der Systembreite der Einzelkonsole. |
| Es wird nur die Bewehrung, deren Lage
für die Bemessung erforderlich ist, in die
Zeichnung aufgenommen |
 |
| die Felddruckbewehrung mit dem Achsabstand d1 im Träger |
|
 |
| die Aufhängebewehrung mit dem Achsabstand e1 im Träger |
|
 |
| die Hauptzugbewehrung mit dem Achsabstand d1k in der Konsole |
|
|
|
| Die Abstände der Einzellasten Δa
für die Vertikallast A und Δh für
die Horizontallast H sind anzugeben. |
| Optional kann eine Lagerplatte vorgesehen
werden, die sich mittig unter der Vertikallast
befindet. |
|
| Auflagerkonsole
als Einzelkonsole |
|
|
| Die Trägerbreite b entspricht
der Systembreite der Einzelkonsole. |
| Es wird nur die Bewehrung, deren Lage
für die Bemessung erforderlich ist, in die
Zeichnung aufgenommen |
 |
| die Feldzugbewehrung mit dem Achsabstand d1 im Träger |
|
 |
| die Aufhängebewehrung mit dem Achsabstand e1 im Träger |
|
 |
| die Hauptzugbewehrung mit dem Achsabstand d1k in der Konsole |
|
|
|
| Die Abstände der Einzellasten Δa
für die Vertikallast A und Δh für
die Horizontallast H sind anzugeben. |
| Optional kann eine Lagerplatte vorgesehen
werden, die sich mittig unter der Vertikallast
befindet. |
|
| Last- / Auflagerkonsole
als Trägerkonsole |
|
|
| Mit Trägerkonsole wird ein
Konsolband entlang eines Balkens bezeichnet. In
diesem Programm wird ein einseitiges Konsolband
berechnet. |
| Es wird nur die Bewehrung, deren
Lage für die Bemessung erforderlich ist, in
die Zeichnung aufgenommen |
 |
| die Hauptzugbewehrung mit dem Achsabstand d1k in der Konsole |
|
 |
| die Aufhängebewehrung mit
dem Achsabstand e1 im Träger |
|
|
|
| Die Abstände der Einzellasten Δa
für die Vertikallast A und Δh für
die Horizontallast H sind anzugeben. |
| Optional kann eine Lagerplatte vorgesehen
werden, die sich mittig unter der Vertikallast befindet. |
|
|
|
|
|
| Erforderliche Bewehrung |
 |
|
| Ist die Online-Berechnung (auto)
aktiviert, wird die Bemessung nach jeder
Eingabeaktion automatisch durchgeführt und
das Ergebnis am Bildschirm dargestellt. |
|
 |
|
|
| Wird trotz eingeschaltetem auto-Button
kein Ergebnis ausgegeben, ist der Fehlerzustand in der
Druckliste zu untersuchen. |
| Nähere Informationen zur Berechnung
von Konsolen finden Sie hier. |
|
|
|
|
 |
|
 |
Im zweiten Register werden die Parameter und die
Schnittgrößen
für die Bemessung der Konsolen festgelegt. |
|
|
|
| Bei der Bemessung wird unterschieden zwischen dem Tragverhalten
einer Lastkonsole (Einzelkonsole an einer Stütze), einer Auflagerkonsole
(Einzelkonsole an einem Träger) und einer Trägerkonsole (einseitiges
Konsolband an einem Balken). In Abhängigkeit der System-Einstellung
(s. Register 1) werden die Bemessungsparameter
angeboten. |
|
| Lastkonsole |
|
 |
|
| Bild vergrößern |
 |
|
|
|
|
|
| Bemessungsparameter |
 |
|
| Die Lastübertragung kann direkt,
d.h. über die Lagerplatte von oben in die
Konsole, erfolgen, oder indirekt als angehängte
Last (z.B. durch einen Querträger) unten angreifen. |
|
| Erfolgt die Lastübertragung indirekt, wird
ein Teil der angehängten Last in die Konsole hochgehängt. |
| Der andere Teil wird über eine schräge Bewehrung in die
Stütze geleitet. |
| Für den Lastanteil unten ist
die Neigung der schrägen Bewehrung anzugeben. |
|
| Die Bemessung einer Lastkonsole kann nach vier Verfahren erfolgen. |
| Implementiert sind das Verfahren aus Leonhardt,
T.3, die Verfahren aus den Heften
399, 600 des Deutschen Ausschusses für Stahlbeton sowie das Verfahren n. EC 2-1-1 Kap. 6.5. |
|
| Erfolgt die Lastübertragung direkt,
wird bei Anordnung einer Lagerplatte (s. Reg. 1) die Lagerpressung ausgewertet in Abhängigkeit
davon, ob eine trockene Lagerfuge (Reibung) oder eine Gleitfuge vorliegt. |
| Bei trockenen Lagerfugen ist immer eine Horizontallast anzusetzen. |
|
| Die Beschreibung der Konsolbemessung befindet
sich hier. |
|
| Bei direkter Lastübertragung
kann zusätzlich zur Bemessung der Konsole
ein Ermüdungsnachweis des Querschnitts n. EC 2-1-1, 6.8.6(2) + 6.8.7(2)
(vereinfachtes Verfahren) geführt werden. |
| Dazu sind die zulässige Spannungsdifferenz
in der Hauptzugbewehrung Δσs sowie
der Zeitpunkt der Erstbelastung des Betons durch
die ermüdungswirksamen Lasten t0 anzugeben. |
| Die Spaltzugbewehrung wird proportional zur Hauptzugbewehrung erhöht. |
|
|
|
|
|
| Auflagerkonsole |
|
 |
|
| Bild vergrößern |
 |
|
|
|
|
|
| Bemessungsparameter |
 |
|
| Die Lastübertragung kann mit Variante 1 oder 2 erfolgen. |
| Bei Variante 1 wird die Auflagerkraft
über eine schräge Druckstrebe durch die Konsole
geführt und mit horizontaler und vertikaler Zugbewehrung in den Träger geleitet. |
|
| Bei Variante 2 wird ein Teil
der Auflagerkraft in der Konsole hochgehängt und über eine schräge Zugbewehrung
in den Träger geleitet. Der andere Teil der Kraft wird nach Variante 1 bemessen. |
| Für den Lastanteil schräg ist
die Neigung der schrägen Bewehrung anzugeben. |
|
| Die Bemessung einer Lastkonsole kann nach vier Verfahren erfolgen. |
| Implementiert sind das Verfahren aus Leonhardt,
T.3, die Verfahren aus den Heften
399, 600 des Deutschen Ausschusses
für Stahlbeton sowie das Verfahren n. EC 2-1-1, Kap. 6.5. |
|
| Bei Anordnung einer Lagerplatte (s. Reg. 1) wird die Lagerpressung ausgewertet
in Abhängigkeit davon, ob eine trockene Lagerfuge (Reibung) oder eine Gleitfuge vorliegt. |
| Bei trockenen Lagerfugen ist immer eine Horizontallast anzusetzen. |
|
| Beim Bemessungsverfahren n. EC
2-1-1, Kap. 6.5, ist zur Bestimmung des Verankerungspunktes der Hauptzugbewehrung der
Druckstrebenwinkel aus der Schubbemessung des Trägers anzugeben. |
| Er kann entweder minimal (n. Norm)
oder mit einem festen Wert vorgegeben werden. |
| Die Neigung der Druckstrebe wird in der Grafik angezeigt. |
|
| Die Beschreibung der Konsolbemessung befindet
sich hier. |
|
|
|
|
|
| Trägerkonsole |
|
| Eine Trägerkonsole kann als zur Lastaufnahme (Lastkonsole)
oder Lastabgabe (Auflagerkonsole) dienen. |
| Da sich die Stabwerke innerhalb der Systeme nicht unterscheiden,
wird im Folgenden die Lastkonsole beschrieben. |
|
 |
|
| Bild vergrößern |
 |
|
|
|
|
|
| Bemessungsparameter |
 |
|
| Die Lasteinleitung erfolgt stets direkt. |
|
|
| Die Bemessung erfolgt stets n. EC 2-1-1 Kap. 6.5. |
|
|
| Bei Anordnung einer Lagerplatte (s. Reg. 1) wird die Lagerpressung ausgewertet
in Abhängigkeit davon, ob eine trockene Lagerfuge (Reibung) oder eine Gleitfuge vorliegt. |
| Bei trockenen Lagerfugen ist immer
eine Horizontallast anzusetzen. |
|
| Die Beschreibung der Konsolbemessung befindet
sich hier. |
|
|
|
|
|
| Bemessungsschnittgrößen (GZT) |
 |
|
Die Schnittgrößen werden als Bemessungsgrößen
mit der Vorzeichendefinition
der Statik eingegeben, wobei das x,y,z-Koordinatensystem
dem l,m,n-System
der pcae-
Tragwerksprogramme entspricht. |
| Es können bis zu 10.000 Schnittgrößenkombinationen
eingegeben werden. |
| Da eine Konsole einem Gelenk bzw. gelenkigen
Auflager in den Stabwerken entspricht, wird die Stabnormalkraft
als Horizontalkraft und die Stabquerkraft als
Vertikalkraft interpretiert. |
|
 |
|
|
 |
|
| Ist die Online-Berechnung (auto) aktiviert,
wird Summe der erforderlichen Zugbewehrung je Schnittgrößenkombination
am Bildschirm angegeben. |
Die maximal erforderliche Summe der Zugbewehrung
ist gekennzeichnet und bestimmt eine maßgebende Lastkombination,
deren Berechnung über den Aktions-Knopf direkt
am Bildschirm angezeigt werden kann. |
|
|
|
|
|
|
 |
|
 |
Im dritten Register kann eine Bewehrung gewählt
werden. |
|
|
 |
|
| Bild vergrößern |
 |
|
|
|
|
|
| Möglichkeiten der Bewehrungswahl |
 |
|
| Anhand einer Auflagerkonsole in Variante 2 werden die
Möglichkeiten der Bewehrungswahl erläutert. |
| Die Bemessung der Konsole liefert eine maximal erforderliche
Bewehrung, die bei Online-Berechnung in Reg.
1 dargestellt ist (nicht erforderliche Bewehrung ist hier nicht
aufgeführt). |
|
| Die erforderliche Bewehrung ist durch eine vorhandene
Bewehrung abzudecken. |
| Auch wenn eine Bewehrung nicht erforderlich ist, kann
konstruktiv eine Bewehrung vorgesehen werden. |
|
| Optional können die minimalen Verankerungslängen
und Biegerollendurchmesser der Zugbewehrung berechnet (und
grafisch) dargestellt werden. Zahlenmäßig werden sie hier nicht
ausgegeben. |
| Dazu ist festzulegen, ob die Verbundbedingungen
entweder in Abhängigkeit des Abstands zum Betonierrand
berechnet, stets als gut (z.B. bei liegender Fertigung)
oder mäßig angenommen werden sollen. |
| Die Zahlenwerte können manuell verändert,
jedoch über die Option zurücksetzen
auf den Rechenwert gesetzt werden. |
|
| Für die Berechnung der Abstände ist zunächst
die Betondeckung / das Verlegemaß zu wählen. Aus konstruktiven Gründen (z.B. zur Berechnung
des Biegerollendurchmessers bei Schlaufen) kann es sinnvoll sein,
vertikal und horizontal unterschiedliche Betondeckungen vorzusehen. |
| Werden die Expositionsklassen des Bauteils berücksichtigt
(s. Reg. 1, Expositionsklasse),
wird die gewählte mit der erforderlichen Betondeckung verglichen.
Ein Fehler wird gekennzeichnet. |
|
| Hauptzugbewehrung |
|
 |
|
| Mit Hauptzugbewehrung wird
die Bewehrung in der Konsole oberhalb der Ankerplatte bezeichnet.
Sie kann als 2-schnittige Schlaufe oder als Bewehrungsstab eingegeben
werden. Mit der Anzahl der Schlaufen/Stäbe ns und dem Durchmesser ds ist sie
lagenweise in die Tabelle einzugeben. Es können bis zu zehn Lagen
angeordnet werden. |
Ist die Online-Berechnung aktiviert, wird die gewählte
mit der erforderlichen Längsbewehrung verglichen.
Ein Fehler wird gekennzeichnet. |
| Bei Anordnung von Bewehrungsstäben (anstelle von
Schlaufen) wird bei Online-Berechnung und Berechnung der Verankerungslängen
die vorhandene mit der erforderlichen Verankerungslänge verglichen.
Ist sie nicht ausreichend, erfolgt die Meldung (auch grafisch), dass
der Stab mittels einer Ankerplatte o.Ä. verankert werden muss. |
| Es werden die erforderliche Verankerungslänge
im Träger (hier: wirksam ab e1+z3) sowie bei Schlaufen der
minimale Biegerollendurchmesser in der Konsole angegeben. Sie können manuell angepasst werden. |
|
| Schrägbewehrung |
|
 |
|
| Die Schrägbewehrung deckt
die schräge Zugstrebe ab. Sie kann als 2-schnittige Schlaufe
oder als Bewehrungsstab eingegeben werden. |
Ist die Online-Berechnung aktiviert, wird die gewählte
mit der erforderlichen Längsbewehrung verglichen.
Ein Fehler wird gekennzeichnet. |
| Bei Anordnung von Bewehrungsstäben (anstelle von
Schlaufen) wird bei Online-Berechnung und Berechnung der Verankerungslängen
die vorhandene mit der erforderlichen Verankerungslänge verglichen.
Ist sie nicht ausreichend, erfolgt die Meldung (auch grafisch), dass
der Stab mittels einer Ankerplatte o.Ä. verankert werden muss. |
| Es werden die erforderliche Verankerungslänge
im Träger (hier: wirksam ab Abbiegung Träger) sowie die
minimalen Biegerollendurchmesser im Träger sowie bei Schlaufen in der Konsole
angegeben. Sie können manuell angepasst werden. |
|
| Spaltzugbewehrung |
|
 |
|
| Die Spaltzugbewehrung befindet
sich im Bereich der Konsole. Eine vertikale Spaltzugbewehrung wird
als Bügel ausgeführt werden, horizontal sind Schlaufen anzuordnen.
Die Anzahl bezeichnet die vertikal oder horizontal nebeneinander liegenden
Bewehrungselemente. |
Ist die Online-Berechnung aktiviert, wird die gewählte
mit der erforderlichen Längsbewehrung verglichen.
Ein Fehler wird gekennzeichnet. |
| Es wird die erforderliche Verankerungslänge
der horizontalen Spaltzugbewehrung
angegeben. Sie kann manuell angepasst werden. |
|
| Aufhängebewehrung |
|
 |
|
| Die Aufhängebewehrung und Bewehrungsverankerung befinden sich im Träger. Auch hier wird die vertikale Bewehrung
als Bügel und die horizontale Bewehrung als Schlaufe ausgebildet. |
| Die vertikale Verankerung ist bei max z3 anzuordnen. |
|
 |
| Es ist zu beachten, dass die
Aufhängebügel möglichst dicht
am Trägerrand liegen, daher sollte ihr
Abstand nicht zu groß gewählt werden! |
|
|
|
|
|
Ist die Online-Bemessung aktiviert, wird die gewählte
mit der erforderlichen Aufhängebewehrung verglichen.
Ein Fehler wird gekennzeichnet. |
| Bei der Online-Berechnung wird
die vorhandene mit der erforderlichen Übergreifungslänge
der horizontalen Verankerungsbewehrung mit der Feldbewehrung
verglichen. Sie bezieht sich auf den Abstand e1-cv,h.
Ist sie nicht ausreichend, erfolgt die Meldung (auch grafisch),
dass der Stab mittels einer Ankerplatte o.Ä. verankert werden muss. |
|
| Feldbewehrung |
|
 |
|
|
| Zur Info und Berechnung der horizontalen Bewehrungsverankerung
ist die Feldbewehrung im Träger anzugeben. |
| Da sie kein Ergebnis der Konsolberechnung darstellt,
wird sie in der Grafik in Pastell angedeutet. |
|
| Achsabstände |
|
| Mit den eingegebenen Werten werden die erforderlichen
(minimalen) Achsabstände berechnet.
Der erforderliche Abstand wird mit dem Eingabewert (s. Reg.
1, Achsabstände) verglichen. Ein Fehler wird gekennzeichnet. |
|
 |
|
| Sind bei der Hauptzugbewehrung mehr als eine Bewehrungslage
oder bei der Aufhängebewehrung mehr als ein Bügel angegeben, werden
die minimalen Stababstände
(vertikal dv bzw. horizontal dh) ermittelt. Sie werden zur Info
am Bildschirm angegeben. |
| Es kann ein fixer Stababstand eingegeben werden, mit
dem der Achsabstand berechnet wird. Ist der Eingabewert = 0, wird
der Mindestabstand verwendet. |
|
| Druckliste |
|
In der Druckliste werden die gewählten Werte dokumentiert
und mit den Berechnungswerten verglichen.
Fehler werden gekennzeichnet. |
| Ist die Verankerungslänge nicht ausreichend, wird
bei Stabstahl eine Ankerplatte zur Verankerung der Zugkraft angeordnet.
Schlaufen können nicht mit Ankerplatten verankert werden. |
| Sonderfall: Ist die Verankerungslänge der horizontalen
Verankerungsschlaufen As,h1 nicht ausreichend, muss die
Feldzugbewehrung mit Ankerkörpern verankert werden. Die horizontale
Verankerung kann dann entfallen. |
|
 |
| Ankerplatten sind gesondert zu bemessen! |
|
|
|
|
|
| Abschließend erfolgt eine maßstäbliche
Darstellung der bewehrten Konsole (Maßstab der
Grafik, s. Ausdrucksteuerung)
sowohl in der Druckliste als auch als Bewehrungsplan. |
| Die Systemabmessungen sowie die vorhandenen Achsabstände
und Mindestbiegerollendurchmesser der Bewehrung sind angegeben. |
| Sind Ankerplatten erforderlich, werden sie in der Grafik
angedeutet. |
|
|
|
|
| Beispiel einer Lastkonsole (direkte Lastübertragung) |
 |
|
|
| Lastkonsolen werden häufig an Fertigteilstützen
angebracht, die Verbundbedingungen können deshalb unabhängig
vom Abstand zum Betonierrand als gut eingestuft werden. |
| Es werden twei Schlaufen ineinander liegend in der
ersten Lage angeordnet und eine Schlaufe in der zweiten Lage. |
| Deren Verankerungslänge in der Konsole ist
u.A. abhängig vom Abstand zum Betonrand senkrecht zur
Schlaufe. Daher kann es vorteilhaft sein, wenn dieser größer
(als 3 x Stabdurchmesser) gewählt wird. |
|
|
|
|
|
| Beispiel einer Trägerkonsole |
 |
|
|
| Träger- und Konsollängsbewehrung sind lediglich
informativ. |
| Bemessen werden die Hauptzug- und die Aufhängebewehrung,
die als Bügel zusätzlich zur Schubbewehrung aus der Trägerbemessung
einzulegen sind. |
|
 |
| Bei einseitigen Trägerkonsolen ist die Torsionsbeanspruchung
im Träger auf Grund der exzentrischen Lasteinleitung zu beachten! |
|
|
|
|
|
|
|
|
| Biegerollendurchmesser, Verankerungslängen, Übergreifungslängen |
 |
|
| Im Programm werden die Mindestwerte der Verankerungslängen, Übergreifungslängen
und Biegerollendurchmesser n. EC 2, 8 berechnet. |
|
| Biegerollendurchmesser n. EC 2-1-1, 8.3 |
|
| Um eine Schädigung der Bewehrung zu vermeiden, darf der Biegerollendurchmesser
von gebogenen Stäben und Schlaufen nicht kleiner sein als Dmin.
Dmin ist n. EC 2-1-1, Tab. 8.1N, bzw. EC 2-1-1/NA-DE, Tab. 8.1DE, festgelegt. |
|
| EC 2-1-1, Tab. 8.1N - für Stäbe und Draht |
|
| EC 2-1-1/NA-DE, Tab. 8.1DE - für Stäbe |
|
| Für Stäbe ist n. EC 2-1-1, 8.3(3), der Biegerollendurchmesser zu
erhöhen auf (nicht NA-DE) |
|
| Der Wert für fcd darf i.d.R. nicht größer als derjenige für die Betonfestigkeitsklasse C55/67 angenommen werden. |
|
 |
| Diese Bedingung wird hier nicht überprüft! |
|
|
|
|
| Verankerung der Längsbewehrung n EC 2-1-1, 8.4 |
|
| Bewehrungsstäbe müssen so verankert werden, dass ihre
Verbundkräfte ohne Betonschädigungen in den Beton eingeleitet werden. |
Hier werden nur Zugverankerungen ohne Querbewehrung und angeschweißte
Querstäbe
sowie ohne Querdruck betrachtet. |
| N. 8.4.4(1) wird der Bemessungswert der Verankerungslänge ermittelt mit |
|
| |
| Die Mindestverankerungslänge für Zugverankerungen beträgt |
|
| Unterschiede zum NA-DE |
| Berechnung der Verbundfestigkeit: Der gute Verbundbereich geht bis
300 mm (anstelle 250 mm). |
| Berechnung der Mindestverankerungslänge |
|
| Bemessungswert der Verankerungslänge |
|
| Übergreifungslänge n EC 2-1-1, 8.7.3 |
|
| Die bauliche Durchbildung von Stößen zwischen Stäben
muss so ausgeführt werden, dass die Kraftübertragung zwischen den Stäben
sichergestellt ist und keine Betonschädigungen auftreten. |
| Hier werden nur Übergreifungslängen von Zugstäben betrachtet. |
| N. 8.7.3(1) wird der Bemessungswert der Übergreifungslänge ermittelt mit |
|
| Die Mindestverankerungslänge für Zugverankerungen beträgt |
|
| Unterschiede zum NA-DE |
| Berechnung der Verbundfestigkeit: Der gute Verbundbereich geht bis
300 mm (anstelle 250 mm). |
| Berechnung der Mindestverankerungslänge |
|
| Bemessungswert der Verankerungslänge |
| Der Beiwert α6 wird Tab. 8.3DE entnommen (Sonderregeln
werden hier nicht berücksichtigt) |
|
|
| Druckliste, Auszug |
|
| Bei Aktivierung der Zwischenergebnisse (s. Ausdrucksteuerung)
werden die Rechenwege zur Berechnung der erforderlichen
Verankerungs-, Übergreifungslängen und Biegerollendurchmesser
dokumentiert. |
|
| Ergänzend werden die kritischen vorhandenen
Verankerungslängen (z.B. in der Konsole) angegeben. |
|
|
|
|
|
|
 |
|
| Mit dem Programm 4H-EC2KB, Bemessung von Konsolen, können |
|
| mit vier Verfahren |
|
|
 |
| Leonhardt (historisch, n. DIN 1045 '88) |
|
|
 |
| Heft 399, DAfStb (historisch, n. DIN 1045 '88) |
|
|
| bemessen werden. |
|
| Als Konsolen werden kurze Kragarme bezeichnet, für
die die Balkentheorie nicht gilt. |
| Daher werden hier nur Konsolen mit dem Verhältnis
Δa / hk ≤ 1 betrachtet. |
| Da eine Scheibentragwirkung vorliegt, werden Konsolen
mit einfachen Stabwerksmodellen berechnet, die sich je nach Typ und
Länge der Konsole unterscheiden. |
|
|
| Lastkonsole |
 |
|
| Lastkonsolen sind exzentrische Auflager für Träger
o.Ä., die häufig an Fertigteilstützen angebracht sind. |
| Die Lasten werden von oben meist über eine Lagerplatte
in die Konsole eingeleitet (direkte Lasteinleitung) oder unten an die
Konsole angehängt (indirekte Lasteinleitung). |
| Es werden nur vertikale Druckkräfte A und bei direkter
Lasteinleitung auch horizontale Kräfte H, die das Exzentrizitätsmoment
vergrößern, bei der Bemessung berücksichtigt. |
|
|
|
 |
|
| Ist eine Lagerplatte mit trockener Fuge vorhanden, ist
eine Horizontalkraft mit mindesten 20% der Vertikalkraft anzusetzen. |
|
| Bei der direkten Lasteinleitung entsteht unterhalb
der Lasteinleitung aus der vertikalen Kraft A eine horizontale
Zugkraft, die zusätzlich zu der Horizontalkraft H von der Zugbewehrung
aufgenommen werden muss. |
| Die Druckstrebe wird für die vertikale Kraft A bemessen. |
| Je nach Länge der Konsole entstehen horizontale
oder vertikale Spaltzugkräfte, die mit Bügeln abzudecken sind. |
|
|
| Verfahren n. Heft 600, DAfStb |
 |
| Das Verfahren im Heft 600, DAfStb,
basiert auf den Angaben in Heft 525, DAfStb, zur Bemessung einer Konsole. |
| Im Folgenden gilt FEd = A und HEd = H und VEd = A. |
|
| Voraussetzung |
|
| Hauptzugbewehrung |
|
| Querkraft |
|
| Spaltzugbewehrung |
|
| Lagerpressung |
|
|
|
|
|
| Verfahren n. EC 2-1-1, Kap. 6.5 |
 |
| Das Verfahren n. EC 2-1-1, Kap.
6.5, wird im Unterschied zu dem Verfahren n.
Heft 600, DAfStb, vollständig über
Zug- und Druckstreben formuliert. |
| Im Folgenden gilt FEd = A und HEd = H. |
|
| Voraussetzung |
|
|
| Bestimmung der Knotenabmessungen |
|
| Hauptzugbewehrung |
|
| Spaltzugbewehrung (s. Fingerloos/Stenzel Bk '07, T.2) |
|
Lagerpressung s. Heft 600, DAfStb. |
|
|
|
|
| Verfahren n. Leonhardt |
 |
Im Folgenden beziehen sich die
Bezeichnungen auf DIN 1045 '88, d.h.
Konsolhöhe dk = hk und
Achsabstand d' = d1k und statische
Höhe hk = dk und Bemessungsfestigkeit
βR = fcd. |
|
| Voraussetzung |
|
| Annahme |
|
| Hauptzugbewehrung |
|
| Betondruckstrebe |
|
| Spaltzugbewehrung konstruktiv |
|
| Lagerpressung |
|
|
|
|
|
| Verfahren n. Heft 399, DAfStb |
 |
Im Folgenden beziehen sich die
Bezeichnungen auf DIN 1045 '88, d.h.
Konsolhöhe dk = hk und
Achsabstand d' = d1k und statische
Höhe hk = dk und Bemessungsfestigkeit
βR = fcd. |
| Da das Verfahren nur für
alte Betongüten gilt (s. Querkraftbemessung),
werden neue oder frei definierte Betongüten
entsprechend umgerechnet. |
|
| Voraussetzung |
|
| Querkraft |
|
| Annahme |
|
| Hauptzugbewehrung s. Leonhardt |
|
| Spaltzugbewehrung |
|
| Lagerpressung s. Leonhardt |
|
|
|
|
|
|
|
|
 |
|
|
| Bei der indirekten Lasteinleitung wird ein Teil
der Last (vert·A) über eine Aufhängebewehrung zum oberen
Rand geführt und dann wie bei der direkten Lasteinleitung behandelt. |
| Der andere Teil der Last ((1-vert)·A) wird
durch Schrägbewehrung rückwärtig verankert. |
|
| Aufhängebewehrung |
|
| Schrägbewehrung |
|
|
|
|
|
|
| Auflagerkonsole |
 |
|
| Auflagerkonsolen sind ausgeklinkte Trägerenden, die häufig
im Fertigteilbau zur Weitergabe der Lasten von Trägern an Stützen o.Ä. dienen. |
| Der innere Kraftfluss und damit das Rissbild ist einerseits
vom Verhältnis hk/h und andererseits von der Bewehrungsführung abhängig. |
| Je kleiner hk / h ist, umso mehr muss die im Träger
ankommende Querkraft V = A in die "Nase" hochgehängt werden. |
Das Aufhängen kann mit lotrechten Bügeln und der zugehörigen
Kraft ZV (Variante 1) oder mit
Schrägbewehrung - Kraft ZS (Var. 2) – geschehen. |
| Es werden nur vertikale Druckkräfte A und horizontale
Kräfte H, die das Exzentrizitätsmoment vergrößern,
bei der Bemessung berücksichtigt. |
Ist eine Lagerplatte mit trockener Fuge vorhanden, ist eine
Horizontalkraft mit mindestens
20% der Vertikalkraft anzusetzen. |
|
|
|
 |
|
| Der Kraftfluss entspricht folgendem Fachwerkmodell |
|
|
| Verfahren n. Heft 600, DAfStb |
 |
| Im Folgenden gilt FEd = A, HEd = H, VEd = A. |
|
| Voraussetzung |
|
| Hauptzugbewehrung |
|
| Querkraft |
|
| Aufhängebewehrung |
|
| Verankerung der Hauptzugbewehrung |
|
| Spaltzugbewehrung |
|
| Verankerung der Feldbewehrung für ZA+H |
|
| Lagerpressung |
|
|
|
|
|
| Verfahren n. EC 2-1-1, Kap. 6.5 |
 |
| Das Verfahren n. EC 2-1-1, Kap. 6.5,
wird im Unterschied zu dem Verfahren n. Heft 600,
DAfStb, vollständig über Zug- und Druckstreben formuliert. |
| Im Folgenden gilt FEd = A und HEd = H
und statische Höhe dk = hk - d1k - cnom - dsb ≈ hk - d1k - 3 cm. |
|
| Voraussetzung |
|
| Bestimmung der Knotenabmessungen (Druckstrebentragfähigkeit) |
|
| Hauptzugbewehrung |
|
| Aufhängebewehrung |
|
| Die Hauptzugbewehrung ist ab der Druckstrebe des Trägers bei |
|
| zu verankern. Eine zusätzliche Bewehrung As,v1 ist nicht erforderlich. |
|
| Spaltzugbewehrung (s. Fingerloos/Stenzel Bk'07, T.2) |
|
| Verankerung der Feldbewehrung s. Heft 600, DAfStb |
|
| Lagerpressung s. Heft 600, DAfStb. |
|
|
|
|
| Verfahren n. Leonhardt |
 |
Im Folgenden beziehen sich die Bezeichnungen auf DIN 1045 '88, d.h.
Konsolhöhe dk = hk und Achsabstand
d' = d1k und statische Höhe hk =
dk und Bemessungsfestigkeit βR = fcd. |
|
| Voraussetzung |
|
| Annahme |
|
| Hauptzugbewehrung |
|
| Betondruckstrebe |
|
| Aufhängebewehrung |
|
| Abmessungen der Nase zur Umlenkung der Druckkraft |
|
| Spaltzugbewehrung konstruktiv |
|
| Verankerung der Feldbewehrung konstruktiv |
|
| Lagerpressung |
|
|
|
|
|
| Verfahren n. Heft 399, DAfStb |
 |
Im Folgenden beziehen sich die Bezeichnungen auf DIN 1045 '88, d.h.
Konsolhöhe dk = hk und Achsabstand
d' = d1k und statische Höhe
hk = dk und Bemessungsfestigkeit
βR = fcd. |
| Da das Verfahren nur für alte
Betongüten gilt (s. Querkraftbemessung), werden
neue oder frei definierte Betongüten entsprechend umgerechnet. |
|
| Voraussetzung |
|
| Querkraft |
|
| Annahme |
|
| Hauptzugbewehrung |
|
| Aufhängebewehrung |
| Um die geringere Wirksamkeit einer rein lotrechten Aufhängebewehrung zur
Begrenzung der Breite des Kehlrisses zu berücksichtigen, wird näherungsweise die Vertikalkraft ZV um den Faktor "fak" erhöht |
|
| Verankerung der Hauptzugbewehrung |
|
| Spaltzugbewehrung |
|
| Verankerung der Feldbewehrung für ZA+H |
|
| Lagerpressung s. Leonhardt |
|
|
|
|
|
|
|
|
 |
|
| Der Kraftfluss entspricht folgendem Fachwerkmodell |
|
| Bei Variante 2 wird ein Teil der Last (vert·A) wie
bei Variante 1 behandelt. Das gilt für alle Verfahren mit Ausnahme des Verfahrens n. Leonhardt, s.u.. |
| Der andere Teil der Last ((1-vert)·A) wird über eine
vertikale Druckstrebe zum Druckgurt geführt und dann durch Schrägbewehrung
mit der Zugbewehrung des Trägers verbunden. |
|
| Schrägbewehrung |
|
|
|
| Verfahren n. Leonhardt |
 |
| Wichtig ist die obere Verankerung. Theoretisch tritt aus diesem Lastanteil an der Nase
keine Zugkraft auf, dennoch ist dort eine Bewehrung für ZA nötig,
um ein Abscheren der Nase entlang der Schrägstäbe zu verhüten und um H aufzunehmen. |
|
| Zugbewehrung horizontal |
|
| Abmessungen der Nase |
|
|
|
|
|
|
|
|
| Trägerkonsole |
 |
|
| Trägerkonsolen sind Konsolbänder an Trägern,
die zur Aufnahme (als Lastkonsole) oder Abgabe (als Auflagerkonsole) von Linienlasten dienen. |
| Die Kräfte werden über Bügel in den Träger geleitet. |
| Bei der Bemessung werden nur vertikale Druckkräfte A und horizontale
Kräfte H, die das Exzentrizitätsmoment vergrößern, berücksichtigt. |
| Ist eine Lagerplatte mit trockener Fuge vorhanden, ist eine
Horizontalkraft mit mindesten 20% der Vertikalkraft anzusetzen. |
| Der Kraftfluss entspricht folgendem Fachwerkmodell |
|
|
| Voraussetzung |
|
| Hauptzugbewehrung |
|
| Aufhängebewehrung |
|
| Bei 2-schnittigen Bügeln ergibt sich vereinfachend |
|
| Nachweis der Druckstrebe s. EC 2-1-1, Kap. 6.5 (Lastkonsole ac1 / 2 = e1). |
|
|
|
 |
|
| Die statische Berechnung eines Bauteils beinhaltet
i.A. die Modellbildung mit anschließender Berechnung
des Tragsystems sowie nachfolgender Einzelnachweise von Detailpunkten. |
| Bei der Beschreibung eines Details sind die zugehörenden
Schnittgrößen aus den Berechnungsergebnissen des Tragsystems zu extrahieren
und dem Detailnachweis zuzuführen. |
| In der Programmorganisation gibt es hierzu verschiedene Vorgehensweisen |
 |
zum einen können Tragwerks- und Detailprogramm
fest miteinander verbunden sein, d.h. die Schnittgrößen-
übergabe
erfolgt intern. Es sind i.A. keine weiteren Eingaben
(z.B. Geometrie) notwendig, jedoch möglich
(z.B.
weitere Belastungen). Die Programme bilden eine Einheit. |
| Dies ist z.B. bei der Programmkombination Stütze mit
Fundament der Fall, da beide Programme auch einzeln
bedient werden können (4H-STUB, 4H-FUND). |
|
 |
| zum anderen
sind die 4H-Programme in der Lage, über definierte Punkte miteinander
zu kommunizieren. |
Die Detailprogramme können sich die Schnittgrößen von
den Tragwerksprogrammen über ein zwischen-
geschaltetes Export/Import-Tool
abholen. |
| Anhand eines einfachen Rahmens wird dieser Schnittgrößen-Export/Import
zwischen 4H-Programmen erläutert. |
|
|
|
|
|
 |
|
Zunächst sind in dem exportierenden
4H-Programm
(z.B. 4H-FRAP, Räumliche Stabtragwerke) die Orte zu kennzeichnen,
deren Schnittgrößen beim nächsten Rechenlauf exportiert, d.h.
für den Import in
ein Detailnachweisprogramm bereitgestellt
werden sollen. |
|
In diesem Beispiel sollen die Schnittgrößen
für eine Querschnittsbemessung übergeben werden. Dazu
ist an der entsprechenden Stelle ein Kontrollpunkt zu setzen. |
|
Nach einer Neuberechnung des Rahmens
stehen die Exportschnittgrößen
dem aufnehmen-den 4H-Programm (z.B. 4H-EC2AB,
4H-EC2KB, 4H-EC2QB usw.)
zum Import zur Verfügung. |
|
 |
|
|
| Ausführliche Informationen zum Export entnehmen Sie
bitte dem DTE®-Schnittgrößenexport. |
|
|
|
|
|
 |
|
| Aus dem aufnehmenden 4H-Programm
wird nun über den Import-Button das
Fenster zur
DTE®-Bauteilauswahl aufgerufen.
Hier werden alle berechneten Bauteile dargestellt, wobei diejenigen, die Schnittgrößen
exportiert haben, dunkel gekennzeichnet sind. |
Das gewünschte Bauteil kann nun markiert und über
den bestätigen-Button ausgewählt
werden. Alternativ kann
durch Doppelklicken des Bauteils direkt in die DTE®-Schnittgrößenauswahl verzweigt
werden. |
|
|
|
In der Schnittgrößenauswahl werden die verfügbaren
Schnittgrößenkombinationen aller im übergebenden
Programm gekennzeichneten Schnitte angeboten. Dabei sind diejenigen Schnitte
deaktiviert, deren Material
mit dem Detailprogramm nicht kompatibel ist. |
| Es wird nun der Schnitt geöffnet, dessen Schnittgrößen
eingelesen werden sollen. |
|
 |
|
| Die in das importierende Programm übertragbaren Schnittgrößenspalten
sind gelb unterlegt. |
Dies sind z.B. im Programm 4H-EC3QB (Querschnittsbemessung) sämtliche verfügbaren Schnittgrößentypen, im
Programm 4H-EC2KB (Konsolbemessung) nur die Typen N und Vn. |
Die Kombinationen können beliebig zusammengestellt
werden, pcae empfiehlt jedoch, nur diejenigen
K.
auszuwählen, die als
Bemessungsgrößen für den zu führenden Detailnachweis
relevant sind. |
|
|
Über den nebenstehend dargestellten Button können doppelte Zeilen eliminiert werden, um die Anzahl der
zu übertragenden Lastkombinationen
zu reduzieren. |
|
|
|
| Nach Bestätigen der DTE®-Schnittgrößenauswahl
bestückt das importierende Programm die Schnittgrößentabelle,
wobei ggf. vorhandene Kombinationen erhalten bleiben. |
|
|
|
|
Die Kompatibilität der Querschnitts- und Nachweisparameter
zwischen exportierendem und importieren-
dem Programm ist zu gewährleisten. |
|
|
|
| |
Eine Aktualisierung der importierten Schnittgrößenkombinationen, z.B. aufgrund einer Neuberechnung
des exportierenden Tragwerks, erfolgt nicht! |
|
|
|
|
|
|
|
 |
| |
| Eingabeparameter und Ergebnisse werden in einer Druckliste
ausgegeben, deren Umfang über die folgenden Optionen beeinflusst
werden kann |
|
Für die Detail-Position können Vorbemerkungen
in das Druckdokument eingefügt
werden. Der Text kann in den dafür vorgesehenen Text-Editor (erreichbar über )
eingegeben werden. Die benötigte Zeilenanzahl wird angegeben. |
| Es kann eine maßstäbliche grafische
Darstellung des Querschnitts in die Liste
eingefügt werden. |
| Der Maßstab kann entweder vorgegeben werden,
oder die Zeichnung wird im Falle einer Eingabe von Null größtmöglich
in den dafür vorgesehenen Platz gesetzt. |
|
|
|
| Anschließend werden die Eingabeparameter und die Materialsicherheitsbeiwerte bzw. Bemessungsgrößen ausgedruckt. |
| I.A. reicht die Ausgabe der Beton- und Betonstahlsorte
aus; bei Aktivierung der zusätzlichen
Informationen werden
zudem die Rechenparameter ausgegeben. |
| Im Anschluss an die Ergebnisse sind die zur Bemessung
des Querschnitts maßgebenden Parameter
des nationalen Anhangs angeordnet. |
| Zum Schluss kann eine Liste der verwendeten Vorschriften (Normen) abgedruckt werden. |
|
|
| Der Umfang der Ergebnisdarstellung kann ausführlich, standard oder minimal sein. |
|
|
|
|
 |
eine ausführliche Ergebnisausgabe beinhaltet
die Ausgabe sämtlicher verwendeter Formeln, um Schritt
für Schritt den Lösungswert nachzuvollziehen |
 |
ist dagegen die Ergebnisausgabe minimal, wird nur das Endergebnis
ohne weiteren Kommentar ausgedruckt |
 |
im Normalfall reicht die Standardausgabe, bei der nur die
wichtigsten Zwischenwerte zusätzlich zum Endergebnis ausgegeben
werden |
|
|
|
Bei einer großen Anzahl an Lastkombinationen ist
es sinnvoll, die Ergebnisse in sehr kompakter Form tabellarisch auszugeben. |
|
|
|
|
Optional kann die maßgebende
Lastkombination, die zur maximalen Bewehrung (max ρ)
geführt hat, in der
Standard-Form angefügt werden. |
|
| Alternativ kann es sinnvoll sein, den Berechnungsab-lauf
einer frei wählbaren Lastkombination ausgeben zu lassen. |
| Es kann auch keine detaillierte Ausgabe erfolgen. |
|
|
|
|
| Neben der tabellarischen Ausgabe kann auch nur die maßgebende
Lastkombination oder eine frei gewählte Lastkombination protokolliert
werden. |
|
| Um den Umfang des Berechnungsprotokolls zu reduzieren,
kann die Ausgabe von Zwischenergebnissen
und/oder Erläuterungsskizzen unterdrückt werden. |
|
|
|
| Das Abschalten der Erläuterungsskizzen betrifft
nicht die Ausgabe der Übersichtsgrafik (s.o.). |
|
|
| Das Statikdokument wird in strukturierter Form durchnummeriert, die auch mit dem pcae-eigenen |
|
|
|
| Verwaltungsprogramm PROLOG korrespondiert.
Optional kann die Abschnittsnummerierung
unterdrückt werden. |
|
|
 |
|
| Die Eurocode-Normen gelten nur in Verbindung mit ihren nationalen Anhängen in dem jeweiligen Land, in dem das
Bauwerk erstellt werden soll. |
| Für ausgewählte Parameter können abweichend
von den Eurocode-Empfehlungen (im Eurocode-Dokument mit 'ANMERKUNG' gekennzeichnet) landeseigene Werte bzw. Vorgehensweisen angegeben
werden. |
|
| In pcae-Programmen können die veränderbaren
Parameter in einem separaten Eigenschaftsblatt eingesehen und ggf.
modifiziert werden. |
Dieses Eigenschaftsblatt dient dazu, dem nach Eurocode zu
bemessenden Bauteil ein nationales Anwendungsdokument
(NA) zuzuordnen. |
| NAe enthalten die Parameter der nationalen Anhänge der
verschiedenen Eurocodes (EC 0, EC 1, EC 2 ...) und ermöglichen den pcae-Programmen
das Führen normengerechter Nachweise, obwohl sie von Land zu Land
unterschiedlich gehandhabt werden. |
|
 |
|
| NAe enthalten die Parameter der nationalen Anhänge der
verschiedenen Eurocodes (EC 0, EC 1, EC 2 ...) und ermöglichen den pcae-Programmen
das Führen normengerechter Nachweise, obwohl sie von Land zu Land
unterschiedlich gehandhabt werden. |
Die EC-Standardparameter (Empfehlungen ohne nationalen Bezug)
wie auch die Parameter des deutschen
nationalen Anhangs (NA-DE) sind grundsätzlich
Teil der pcae-Software. |
| Darüber hinaus stellt pcae ein Werkzeug zur
Verfügung, mit dem weitere NAe aus Kopien der bestehenden NAe erstellt
werden können. Dieses Werkzeug, das über ein eigenes Hilfedokument
verfügt, wird normalerweise aus der Schublade des DTE®-Schreibtisches
heraus aufgerufen. Einen direkten Zugang zu diesem Werkzeug liefert die
kleine Schaltfläche hinter dem Schraubenziehersymbol. |
|
|
|
 |
| zur Hauptseite 4H-EC2KB, Bemessung von Konsolen |
 |
|
 |